GM Service Manual Online
For 1990-2009 cars only
Makes
🢒
Generic
🢒
2003
🢒
Unit Repair
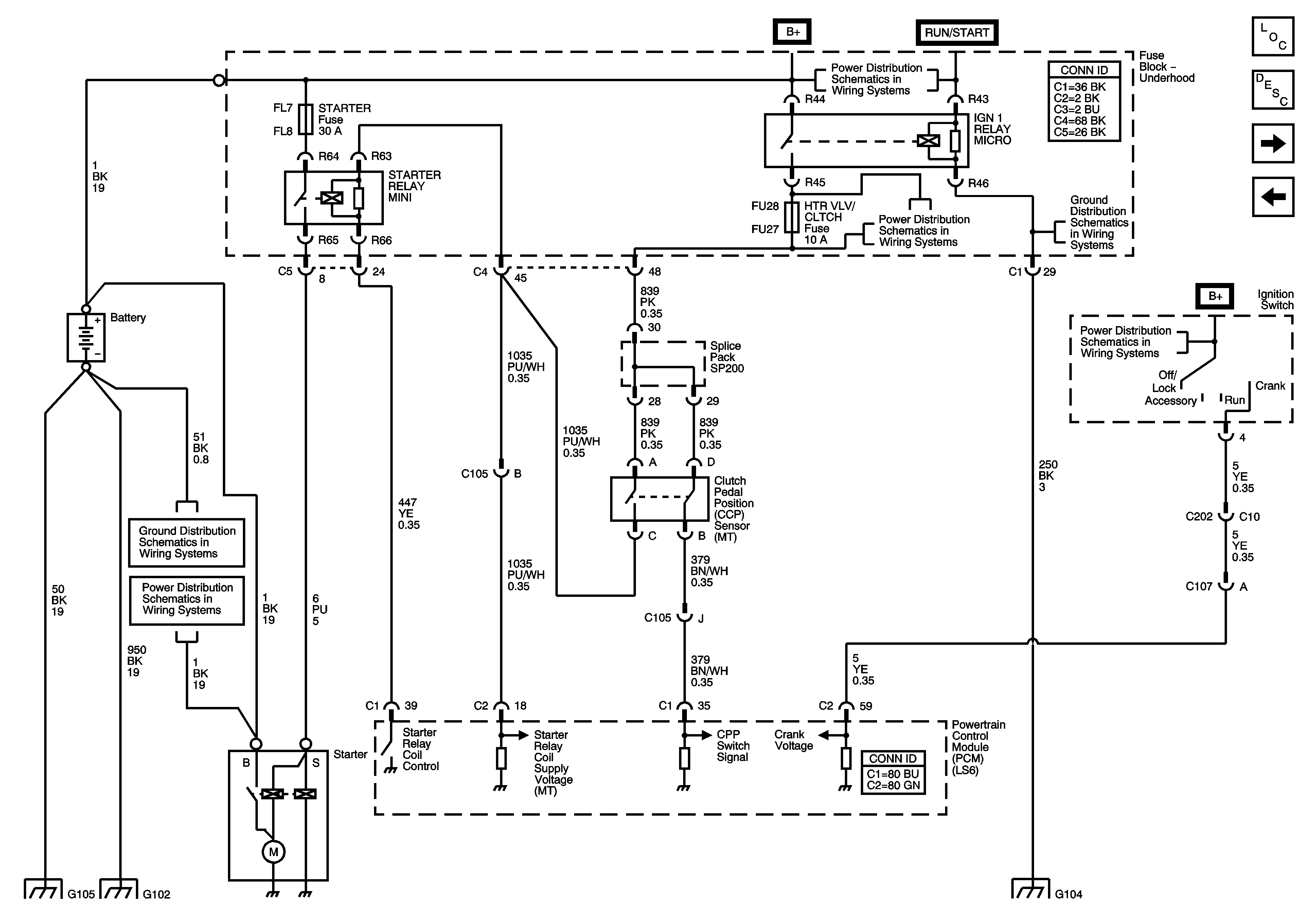
🢒 Starting System - 5.7L (LS6)
Starting System - 5.7L (LS6)
Starting System - 5.7L (LS6)
Master Electrical Component List
Starting System Description and Operation
Charging System - 2.6L/3.2L/3.6L (LY9/LA3/LY7)
Starting System - 2.6L/3.2L/3.6L (LY9/LA3/LY7)
Ignition Switch - 2 of 2
Underhood Fuse Block STARTER and IGN 1 Relays, HTR VLV/CLTCH and TCM/IPC Fuses
G104 - 1 of 2
Ignition Switch - 1 of 2
G102, G105, G110, G303, G304 and G306
Underhood Fuse Block B+ Bus - 1 of 2
G102, G105, G110, G303, G304 and G306
G102, G105, G110, G303, G304 and G306
G104 - 1 of 2