GM Service Manual Online
For 1990-2009 cars only
Makes
🢒
Generic
🢒
2003
🢒
Unit Repair
🢒 Charging System - 5.7L (LS6)
Charging System - 5.7L (LS6)
Charging System - 5.7L (LS6)
Master Electrical Component List
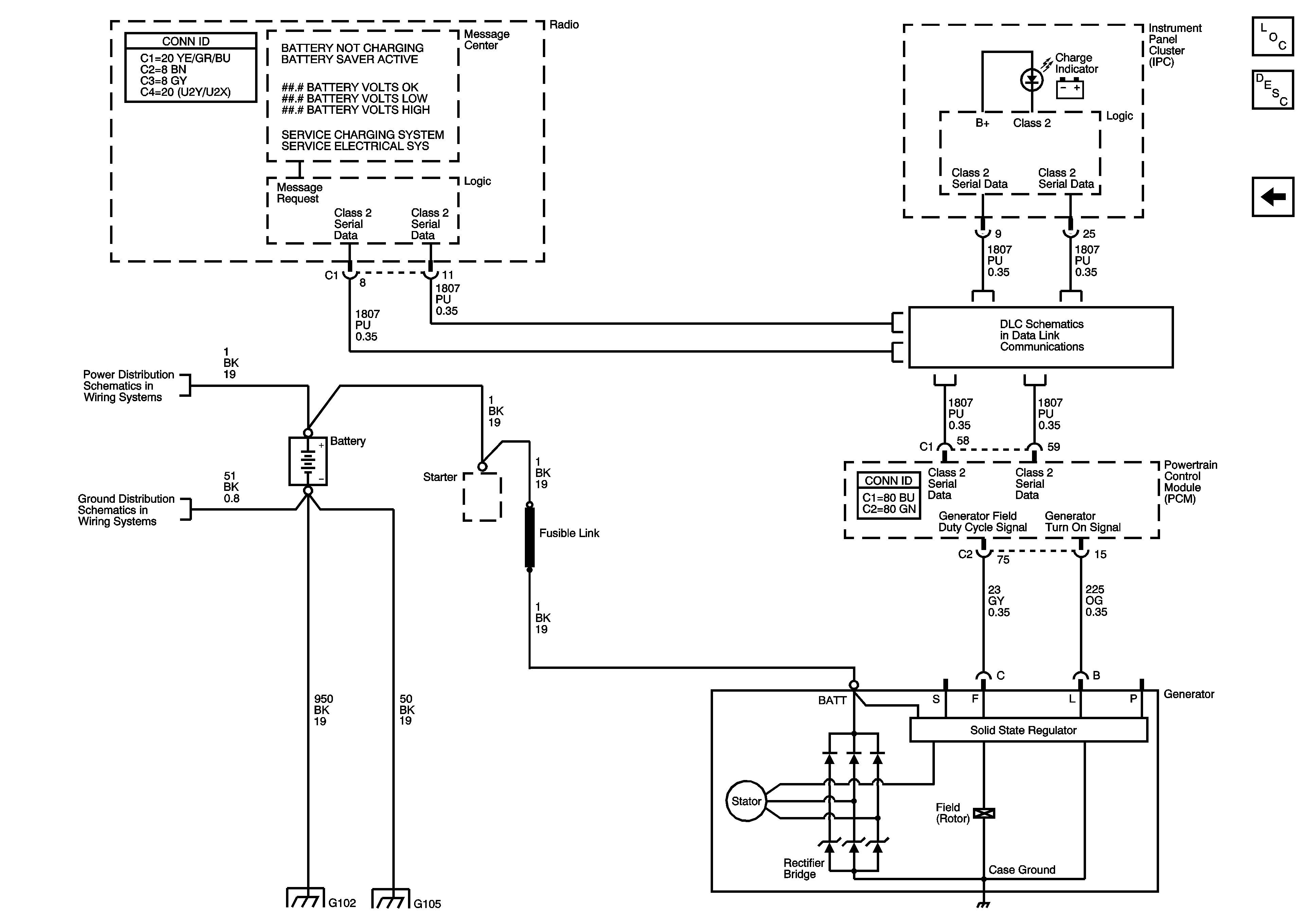
Charging System Description and Operation
Charging System - 2.6L/3.2L/3.6L (LY9/LA3/LY7)
Underhood Fuse Block B+ Bus - 1 of 2
G102, G105, G110, G303, G304 and G306
Class 2 Serial Data Bus - LHD - 1 of 2
G102, G105, G110, G303, G304 and G306
G102, G105, G110, G303, G304 and G306