GM Service Manual Online
For 1990-2009 cars only
Makes
🢒
Generic
🢒
2003
🢒
Unit Repair
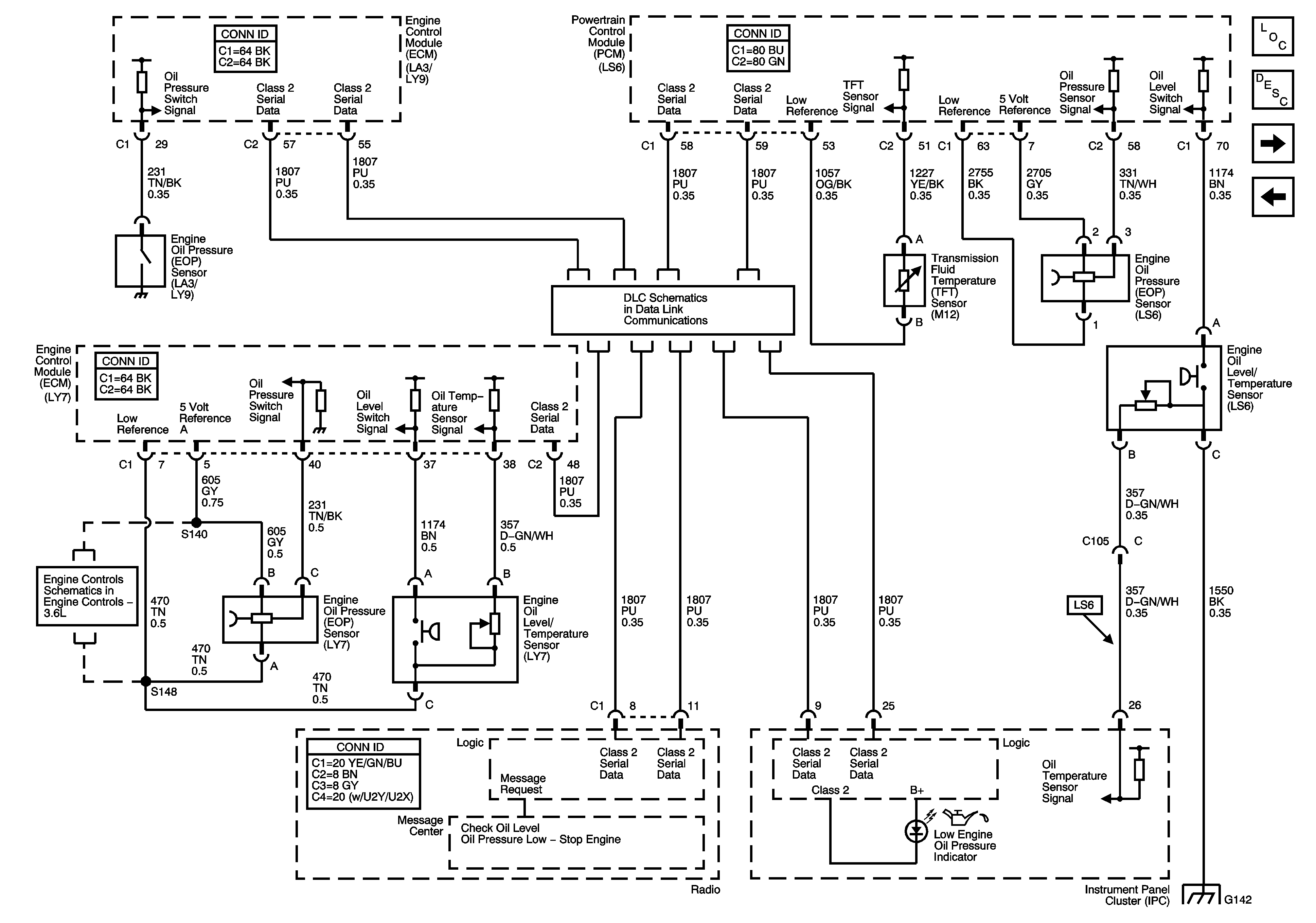
🢒 EOP Sensors, Engine Oil Level/Temperature Sensors, DIC and Indicator
EOP Sensors, Engine Oil Level/Temperature Sensors, DIC and Indicator
EOP Sensors, Engine Oil Level/Temperature Sensors, DIC and Indicator
Master Electrical Component List
Indicator/Warning Message Description and Operation
Gages - 2.6L/3.2L/3.6L (LY9/LA3/LY7)
Electronic PRNDL (M82)
Class 2 Serial Data Bus - LHD - 1 of 2
Engine Data Sensors - 5-Volt Reference
G140, G141 and G142 - 5.7L (LS6)