GM Service Manual Online
For 1990-2009 cars only
Makes
🢒
Generic
🢒
2003
🢒
Unit Repair
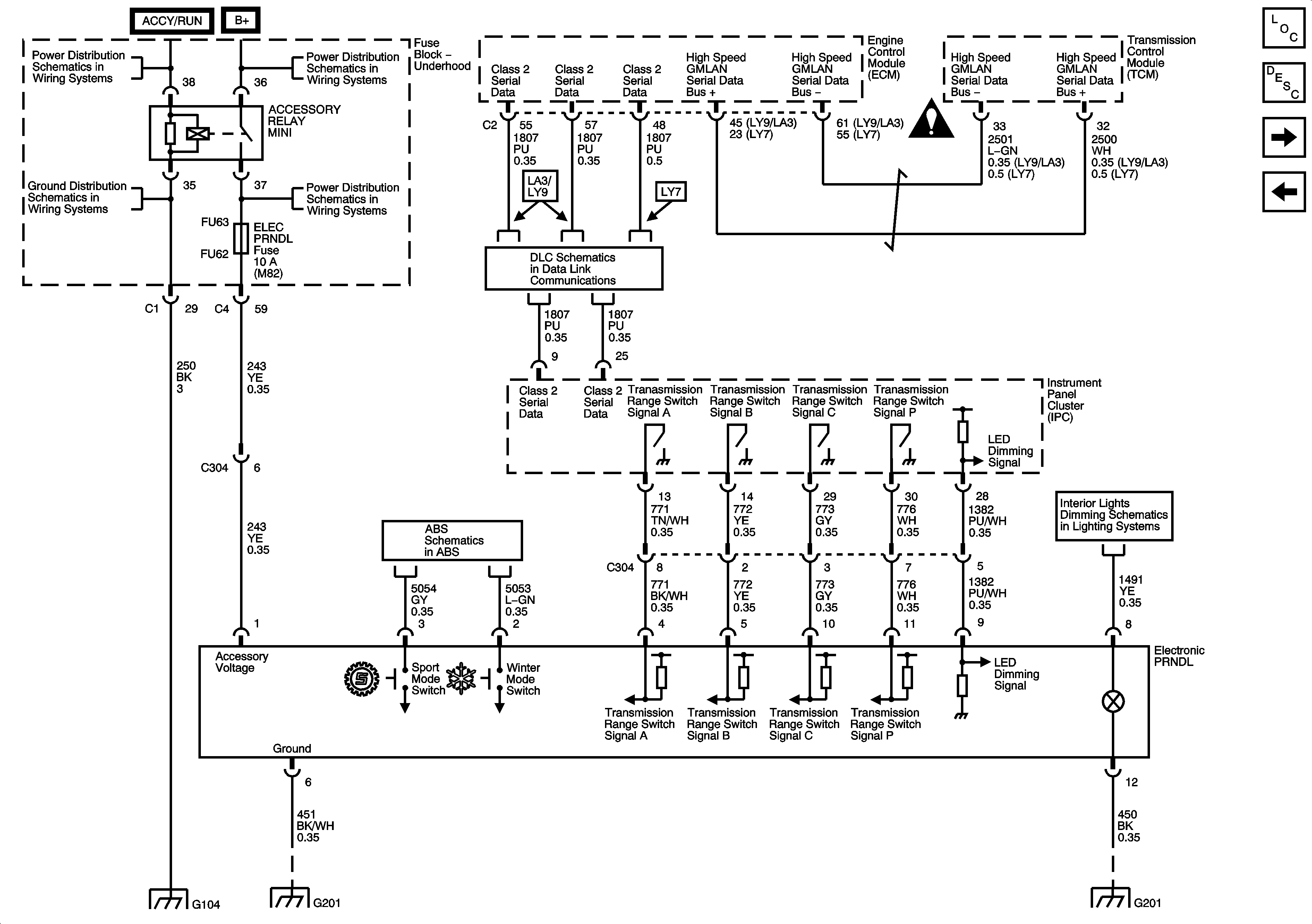
🢒 Electronic PRNDL (M82)
Electronic PRNDL (M82)
Electronic PRNDL (M82)
Master Electrical Component List
Electronic Component Description
EOP Sensors, Engine Oil Level/Temperature Sensors, DIC and Indicator
Indicators
Ignition Switch - 2 of 2
Underhood Fuse Block B+ Bus - 2 of 2
G104 - 1 of 2
Underhood Fuse Block Headlamp Fuses/Relays, ACCESSORY Relay, I/P OUTLET, OUTLET, WPR MOD, WPR SW and ELEC PRNDL Fuses
Class 2 Serial Data Bus - LHD - 1 of 2
BPP Sensor, Switches and Indicators - 2.6L/3.2L/3.6L (LY9/LA3/LY7)
Power, Ground, and Serial Data - 1 of 2
G104 - 1 of 2
G201
G201