GM Service Manual Online
For 1990-2009 cars only
Makes
🢒
Generic
🢒
2003
🢒
Unit Repair
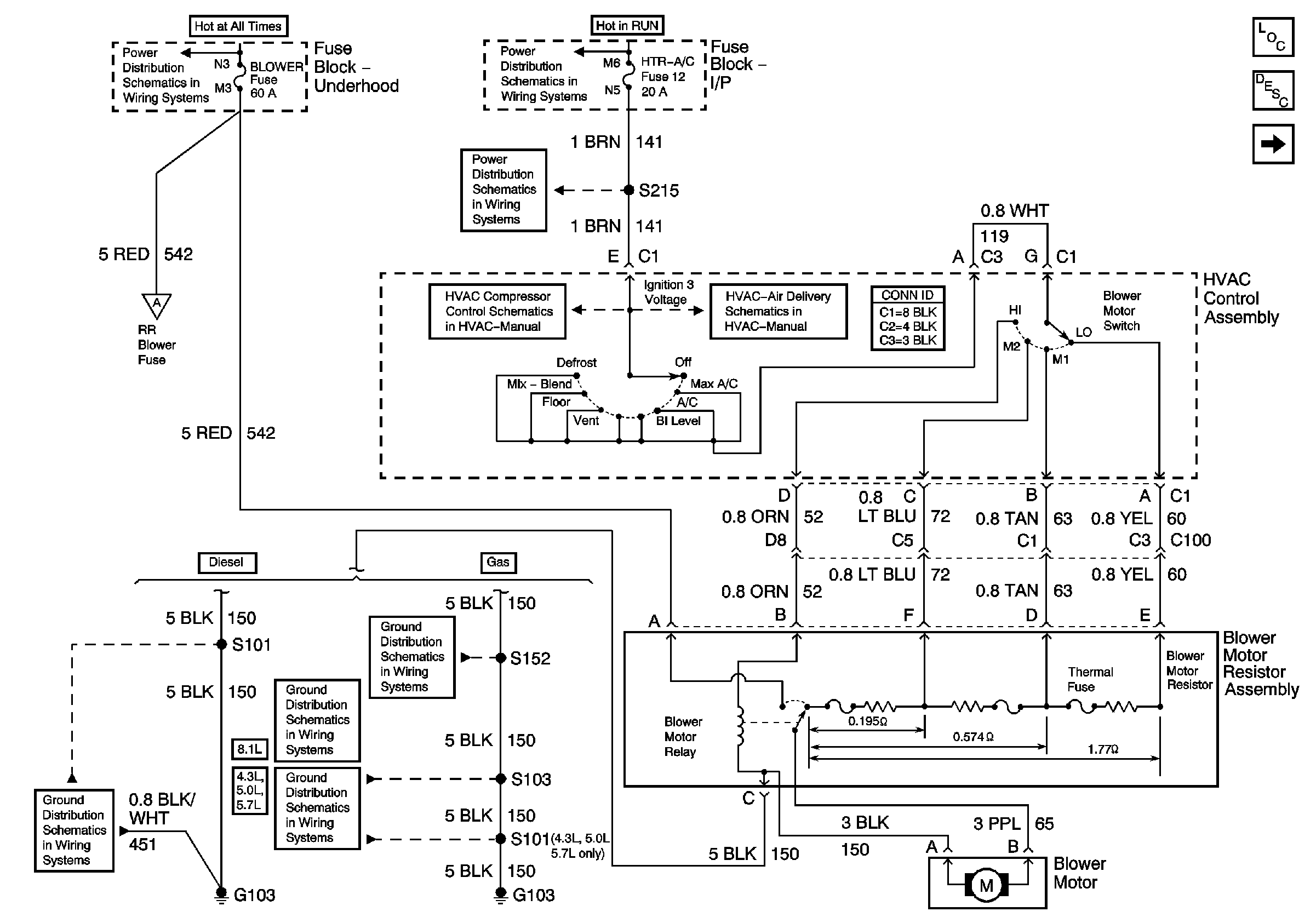
🢒 BLOWER and HTR-A/C Fuses, Blower Controls, Blower Motor, G103
BLOWER and HTR-A/C Fuses, Blower Controls, Blower Motor, G103
BLOWER and HTR-A/C Fuses, Blower Controls, Blower Motor, G103
Master Electrical Component List
Air Delivery Description and Operation
Front and Rear Auxiliary HVAC Control Modules (Passenger)
Battery, Auxiliary Battery, and Underhood Fuse/Relay Center
Ignition A, Ignition B Fuses, and Ignition Switch
Cruise, Heater A/C, and Brake Fuses
HTR-A/C Fuse, Front Heater and A/C Controller, G201
RR BLOWER and RR HVAC Fuses, Auxiliary Blower Motor, G400
HTR-A/C Fuse, A/C Compressor High Pressure Cutoff Switch, A/C CompresSor Low Pressure Cutout Switch (Diesel), G201
Components through S152 to G103 (Gasoline Engines)
G103 (6.5L Diesel Engine)
G103 (8.1L Engine)
G103 (4.3L, 5.0L, and 5.7L Engines)