GM Service Manual Online
For 1990-2009 cars only
Makes
🢒
Generic
🢒
2003
🢒
Unit Repair
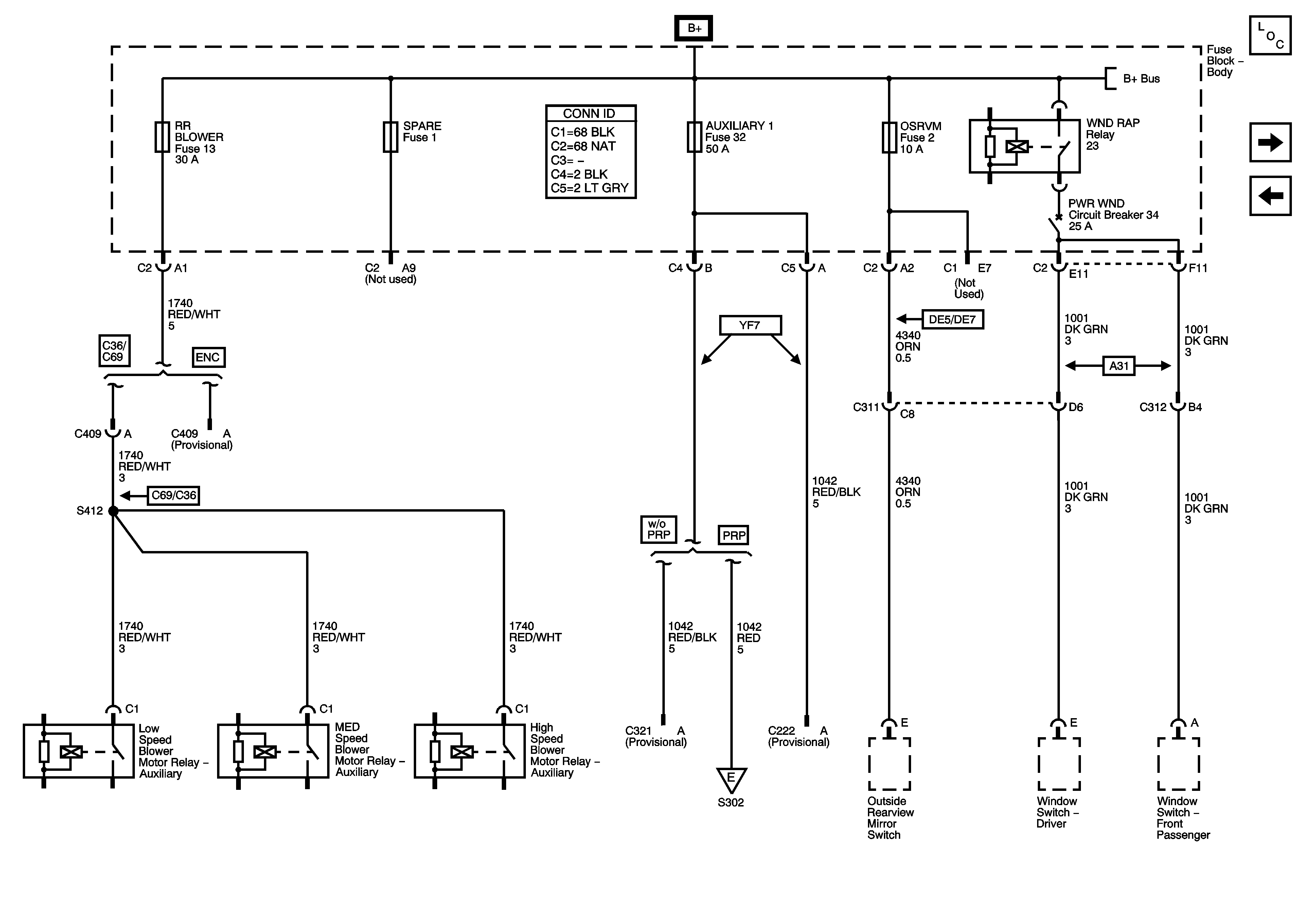
🢒 RR BLOWER, AUXILIARY 1, OSRVM, and SPARE Fuses, PWR WND Circuit Breaker
RR BLOWER, AUXILIARY 1, OSRVM, and SPARE Fuses, PWR WND Circuit Breaker
RR BLOWER, AUXILIARY 1, OSRVM, SPARE Fuses, PWR WND Circuit Breaker
Master Electrical Component List
Fuse Block - Underhood FLASHER, RR STOP/TRN, and LR STOP/TRN Fuses, Fuse Block - Body RR STOP/TRN, and LR STOP/TRN Fuses
FRLR PRK, RR PRK, TRLR PRK, and UPFTR PRK Fuses
B+ Bus - Body Fuse Block
Fuse Block - Rear, Work Lamps and Access Panel Relays