GM Service Manual Online
For 1990-2009 cars only

Fuse Block - Underhood FLASHER, RR STOP/TRN, and LR STOP/TRN Fuses, Fuse Block - Body RR STOP/TRN, and LR STOP/TRN Fuses

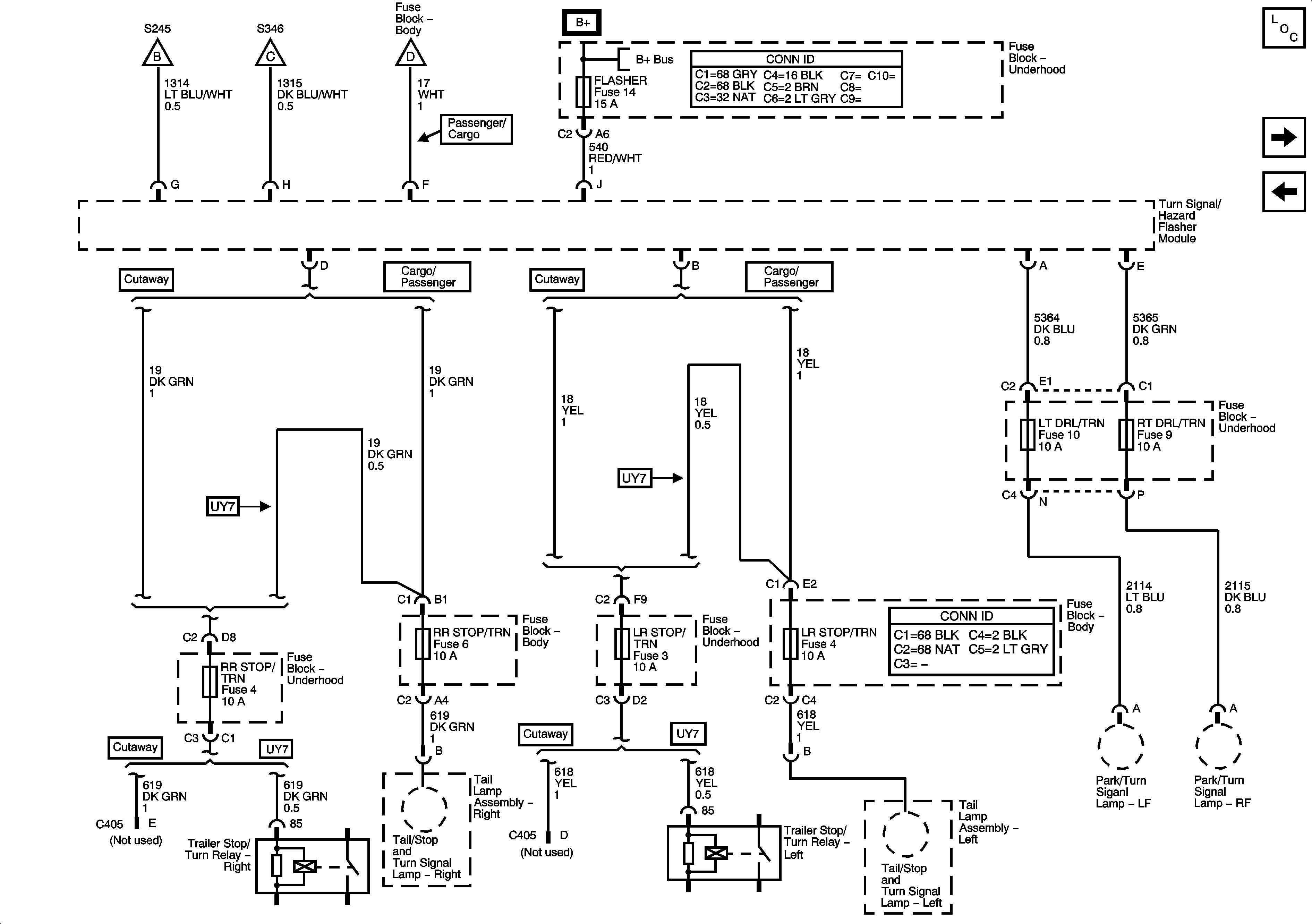
Fuse Block - Underhood FLASHER, RR STOP/TRN, LR STOP/TRN, LT DRL/TRN, RT DRL/TRN Fuses and Fuse Block - Body RR STOP/TRN, LR STOP/TRN Fuses


Object Number: 829825  Size: FS
Master Electrical Component List
DR TRN MIR, PASS TRN MIR, and STOP/CHMSL Fuses
RR BLOWER, AUXILIARY 1, OSRVM, and SPARE Fuses, PWR WND Circuit Breaker
B+ Bus - Underhood Fuse Block
DR TRN MIR, PASS TRN MIR, and STOP/CHMSL Fuses
DR TRN MIR, PASS TRN MIR, and STOP/CHMSL Fuses
DR TRN MIR, PASS TRN MIR, and STOP/CHMSL Fuses