GM Service Manual Online
For 1990-2009 cars only
Makes
🢒
Generic
🢒
2003
🢒
Unit Repair
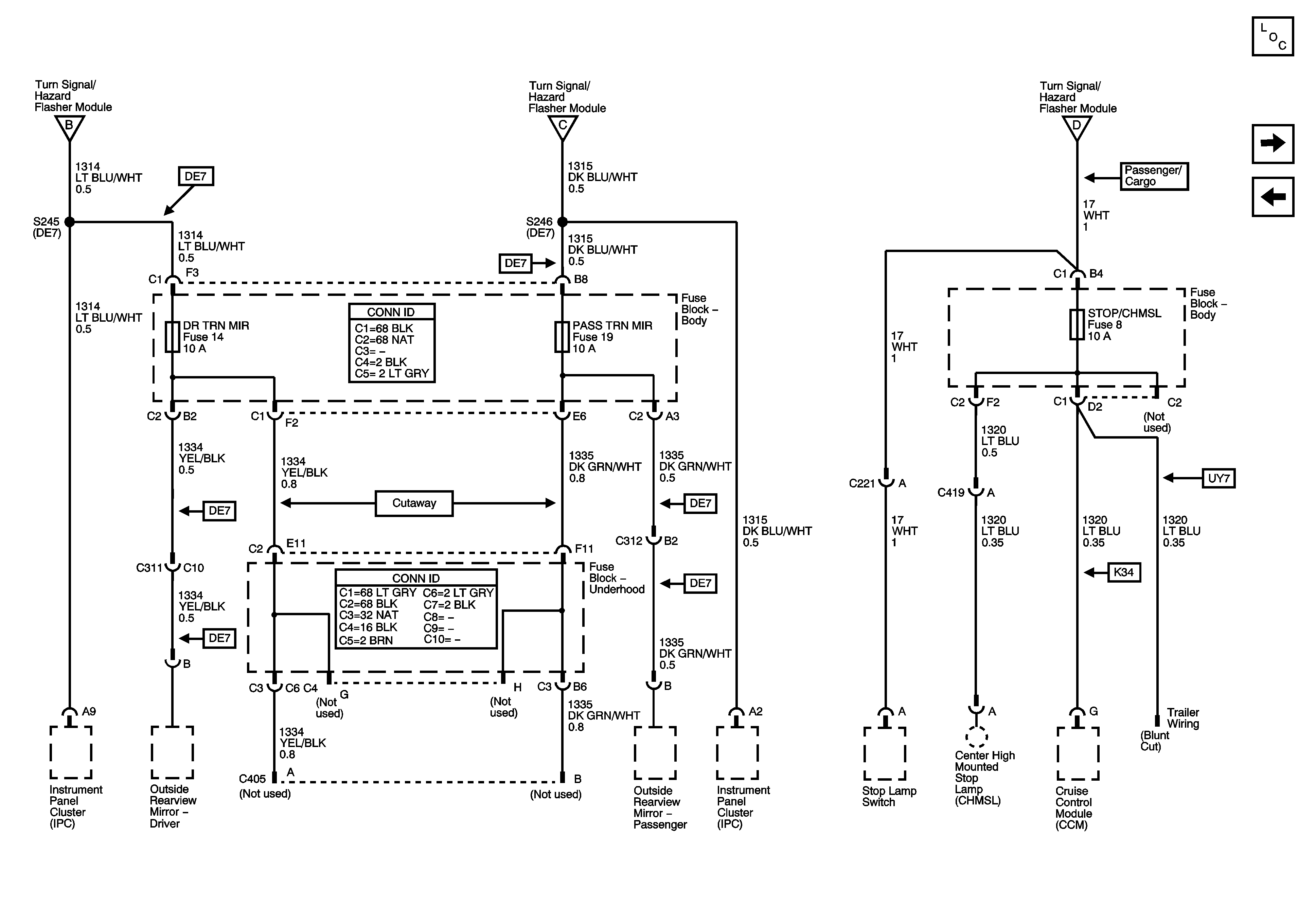
🢒 DR TRN MIR, PASS TRN MIR, and STOP/CHMSL Fuses
DR TRN MIR, PASS TRN MIR, and STOP/CHMSL Fuses
DR TRN MIR, PASS TRN MIR, and STOP/CHMSL Fuses
Master Electrical Component List
Fuse Block - Rear, Work Lamps and Access Panel Relays
Fuse Block - Underhood FLASHER, RR STOP/TRN, and LR STOP/TRN Fuses, Fuse Block - Body RR STOP/TRN, and LR STOP/TRN Fuses
Fuse Block - Underhood FLASHER, RR STOP/TRN, and LR STOP/TRN Fuses, Fuse Block - Body RR STOP/TRN, and LR STOP/TRN Fuses
Fuse Block - Underhood FLASHER, RR STOP/TRN, and LR STOP/TRN Fuses, Fuse Block - Body RR STOP/TRN, and LR STOP/TRN Fuses
Fuse Block - Underhood FLASHER, RR STOP/TRN, and LR STOP/TRN Fuses, Fuse Block - Body RR STOP/TRN, and LR STOP/TRN Fuses