GM Service Manual Online
For 1990-2009 cars only
Makes
🢒
Generic
🢒
2003
🢒
Unit Repair
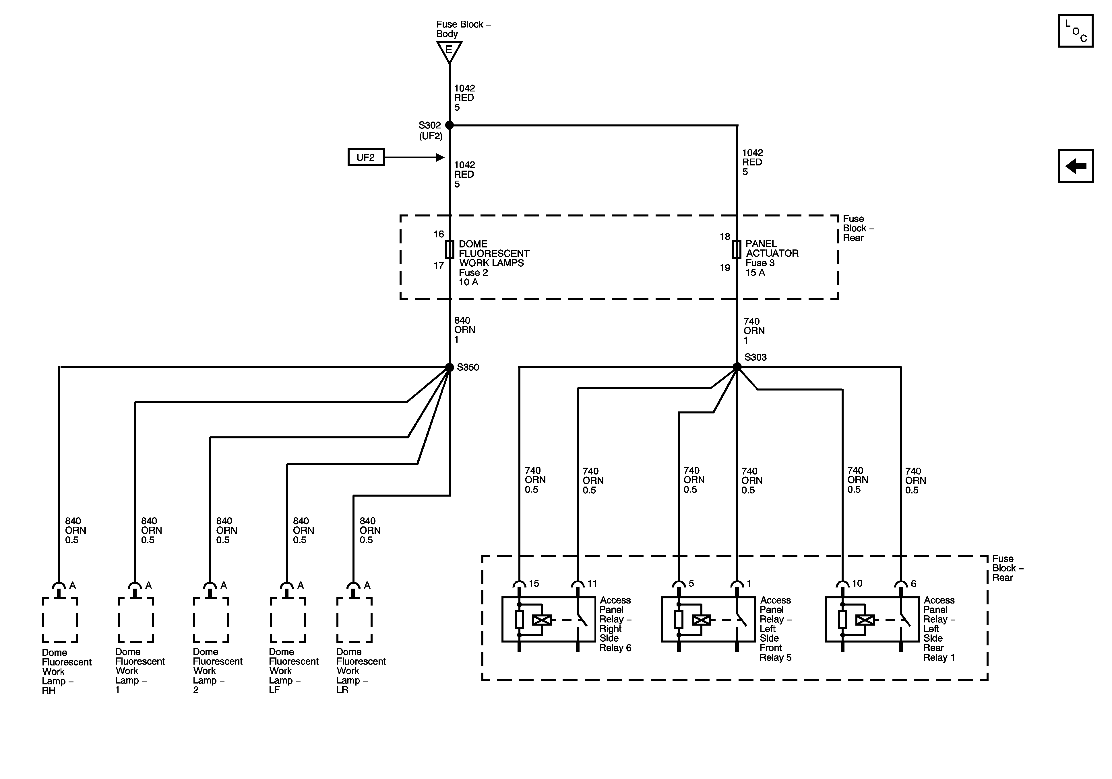
🢒 Fuse Block - Rear, Work Lamps and Access Panel Relays
Fuse Block - Rear, Work Lamps and Access Panel Relays
Fuse Block - Rear Fluorescent Work Lamps, and Access Panel Relays
Master Electrical Component List
DR TRN MIR, PASS TRN MIR, and STOP/CHMSL Fuses
RR BLOWER, AUXILIARY 1, OSRVM, and SPARE Fuses, PWR WND Circuit Breaker