GM Service Manual Online
For 1990-2009 cars only
Makes
🢒
Generic
🢒
2003
🢒
Unit Repair
🢒 Headlamp Controls, Switches, Ambient Light Sensor
Headlamp Controls, Switches, Ambient Light Sensor
Headlamp Controls, Switches, Ambient Light Sensor
Master Electrical Component List
Exterior Lighting Systems Description and Operation
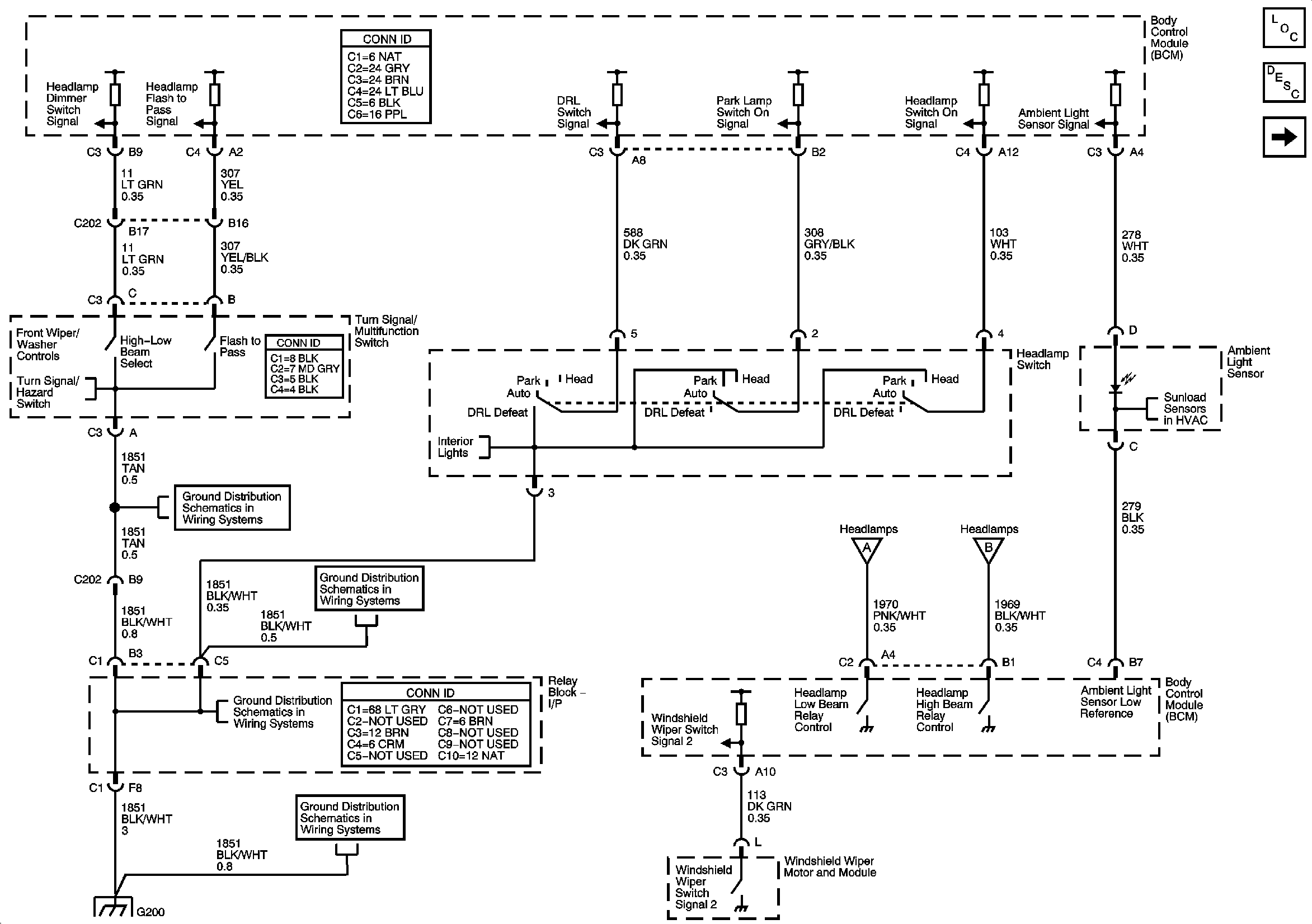
Headlamps Schematics
Front Wiper/Washer Controls
Turn Signal/Hazard Switch and Flasher Module
G200
G200
G200
G200
Interior Light Controls, BCM, Door Ajar Switches
Headlamps Schematics
Headlamps Schematics
Temperature Controls and Sunload Sensors