GM Service Manual Online
For 1990-2009 cars only
Makes
🢒
Generic
🢒
2003
🢒
Unit Repair
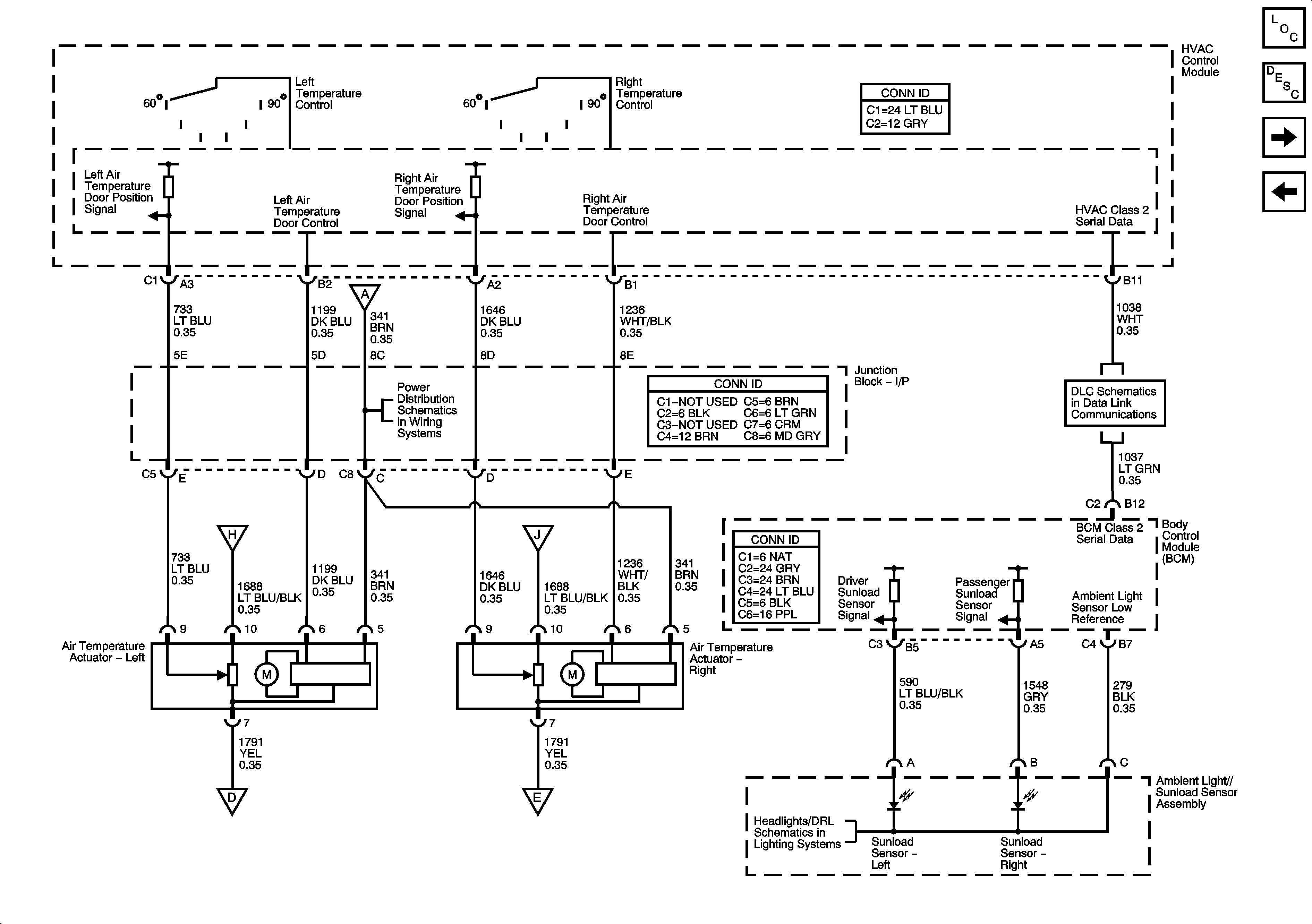
🢒 Temperature Controls and Sunload Sensors
Temperature Controls and Sunload Sensors
Temperature Controls and Sunload Sensors
Master Electrical Component List
Air Temperature Description and Operation
Air Temperature Sensors
Mode and Recirc Controls, Front Defrost and Rear Defog Controls
Mode and Recirc Controls, Front Defrost and Rear Defog Controls
Power, Grounding, DLC, and Blower Control
BRAKE, 4WD, CRUISE, HVAC I, and IGN 3 Fuses
Mode and Recirc Controls, Front Defrost and Rear Defog Controls
Power, Ground, DLC, and Splice Pack SP205
Mode and Recirc Controls, Front Defrost and Rear Defog Controls
Mode and Recirc Controls, Front Defrost and Rear Defog Controls