GM Service Manual Online
For 1990-2009 cars only
Makes
🢒
Generic
🢒
2003
🢒
Unit Repair
🢒 Air Conditioning Compressor Control
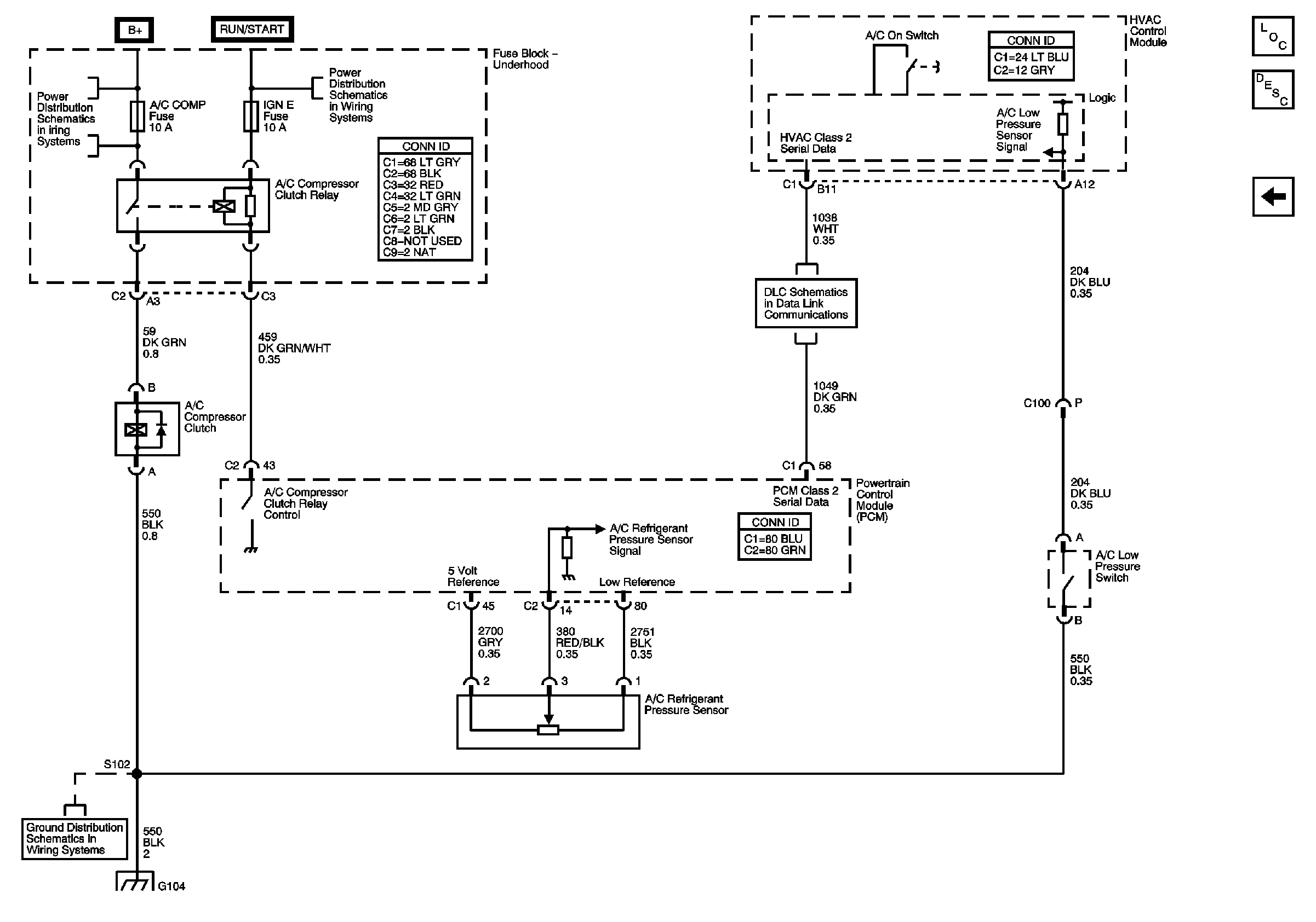
Air Conditioning Compressor Control
Air Conditioning Compressor Control
Master Electrical Component List
Air Temperature Description and Operation
Air Temperature Sensors
B+ Bus
SEO IGN, SIR, and IGN E Fuses
Power, Ground, DLC, and Splice Pack SP205
G104 and G106