GM Service Manual Online
For 1990-2009 cars only
Makes
🢒
Generic
🢒
2003
🢒
Unit Repair
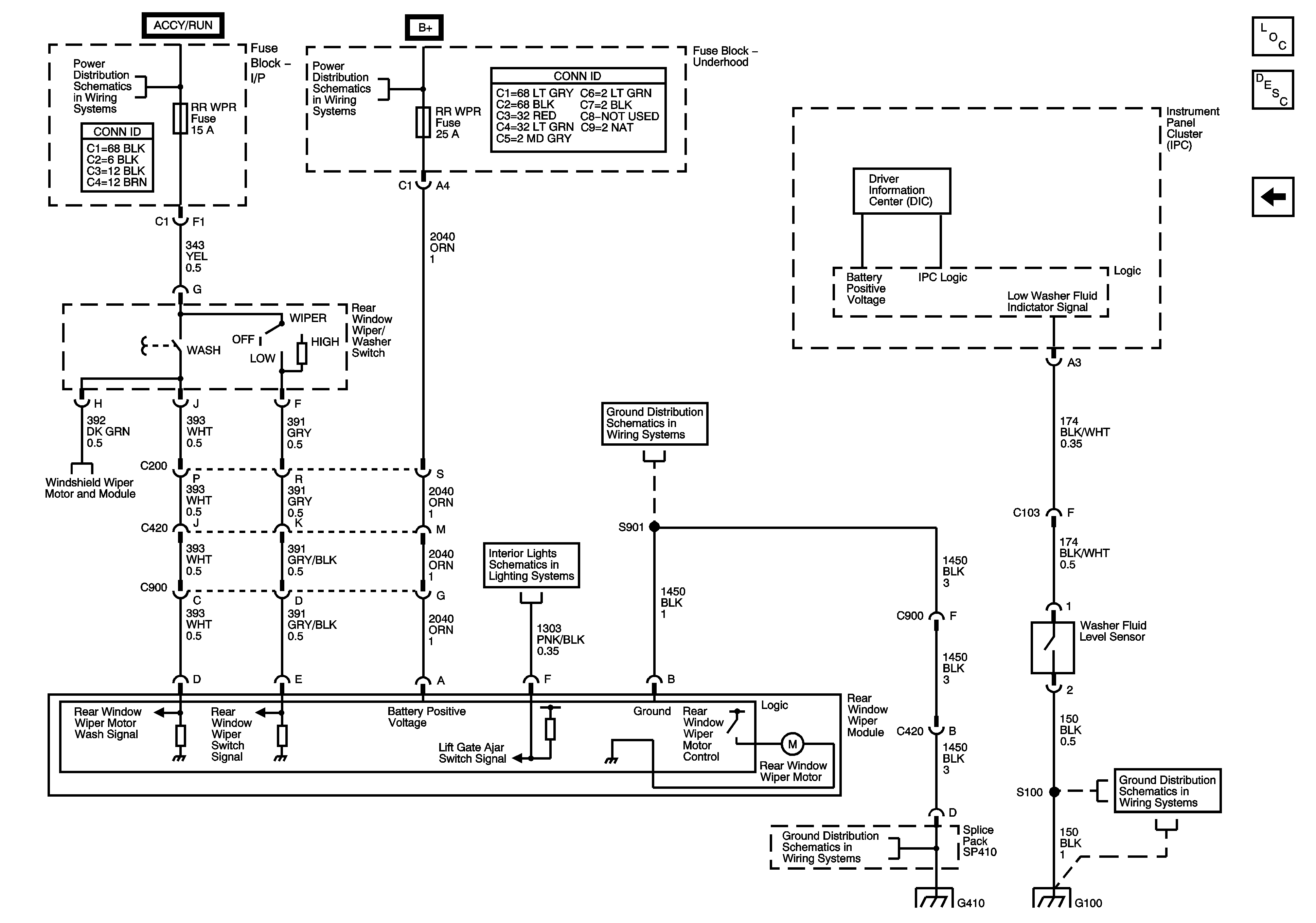
🢒 Rear Wiper Power, Ground, Controls, and Washer Fluid Level Sensor
Rear Wiper Power, Ground, Controls, and Washer Fluid Level Sensor
Rear Wiper Power, Ground, Controls, and Washer Fluid Level Sensor
Master Electrical Component List
Rear Wiper/Washer System Description and Operation
Front Wiper/Washer Controls
WS WPR, SEO ACCY, RR WPR, and TBC ACCY Fuses
RR DEFOG, RR WPR, STOP LP, STOP, and CHMSL Fuses
G105 and G100
G402, G405, and G410
G402, G405, and G410
Interior Light Controls, BCM, Door Ajar Switches
Front Wiper/Washer Power, Ground, and Motors