GM Service Manual Online
For 1990-2009 cars only
Makes
🢒
Generic
🢒
2003
🢒
Unit Repair
🢒 Power Sunroof Schematics
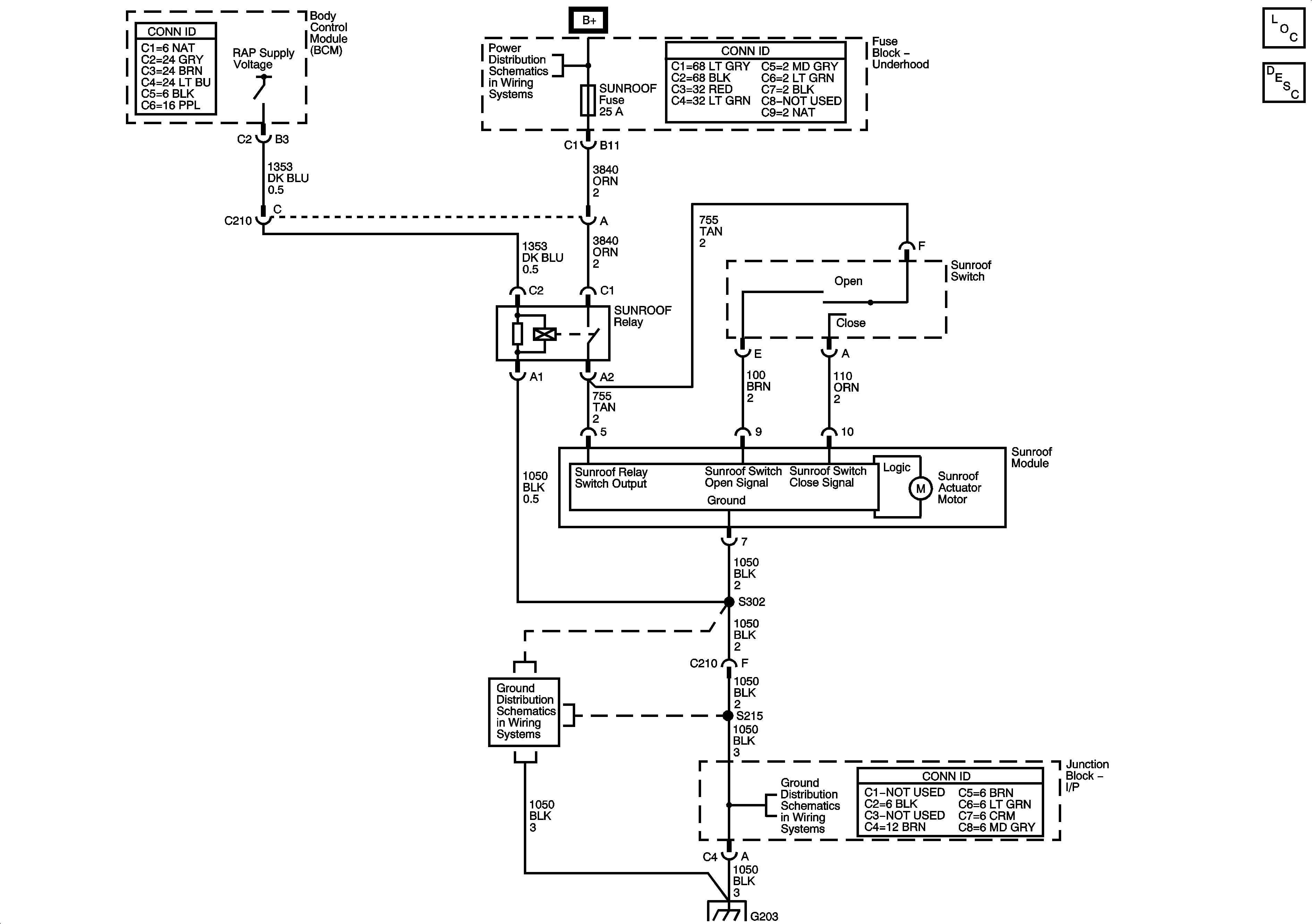
Power Sunroof Schematics
Master Electrical Component List
Sunroof Description and Operation
B+ Bus
CKT 1050, S203, S215, S302, S303, and S351
CKT 1050, S203, S215, S302, S303, and S351