GM Service Manual Online
For 1990-2009 cars only
Makes
🢒
Generic
🢒
2003
🢒
Unit Repair
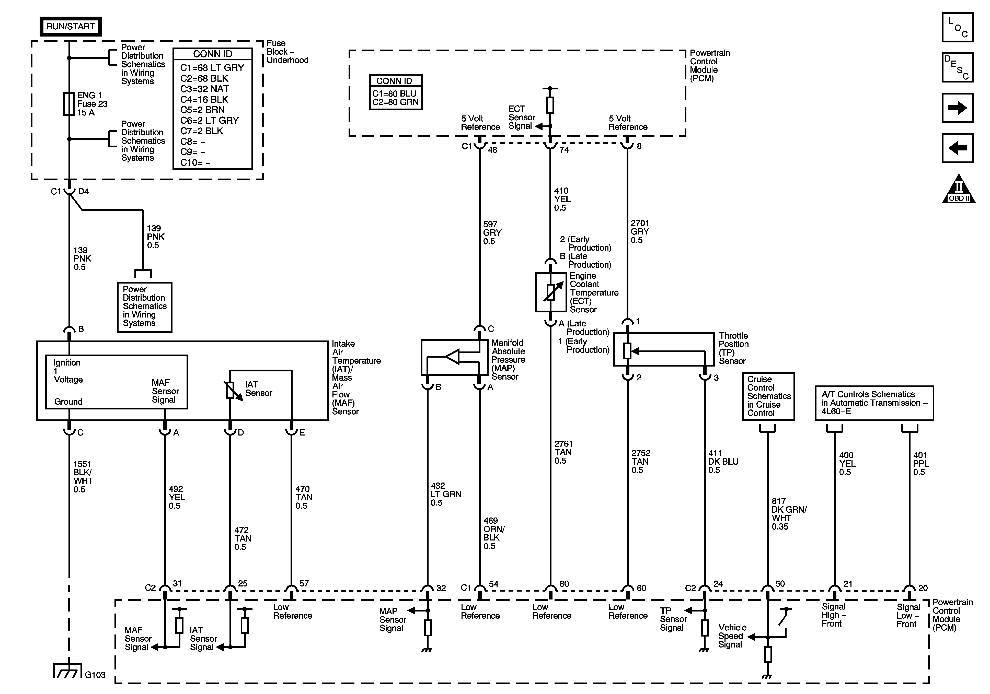
🢒 Engine Data Sensors
Engine Data Sensors
Engine Data Sensors
Master Electrical Component List
Powertrain Control Module Description
Oxygen Sensors
5 Volt Reference (4.3L)
OBD II Symbol Description Notice
IGN B Fuse
O2A, O2B, SPARE, BTSI BU, PCM IGN 1, BTSI, and TRLR BU Fuses
O2A, O2B, SPARE, BTSI BU, PCM IGN 1, BTSI, and TRLR BU Fuses
Cruise Control
Temperature/Pressure/Range Switches, and VSS
G103, G104, G105, G106, G300, and G301