GM Service Manual Online
For 1990-2009 cars only
Makes
🢒
Generic
🢒
2003
🢒
Unit Repair
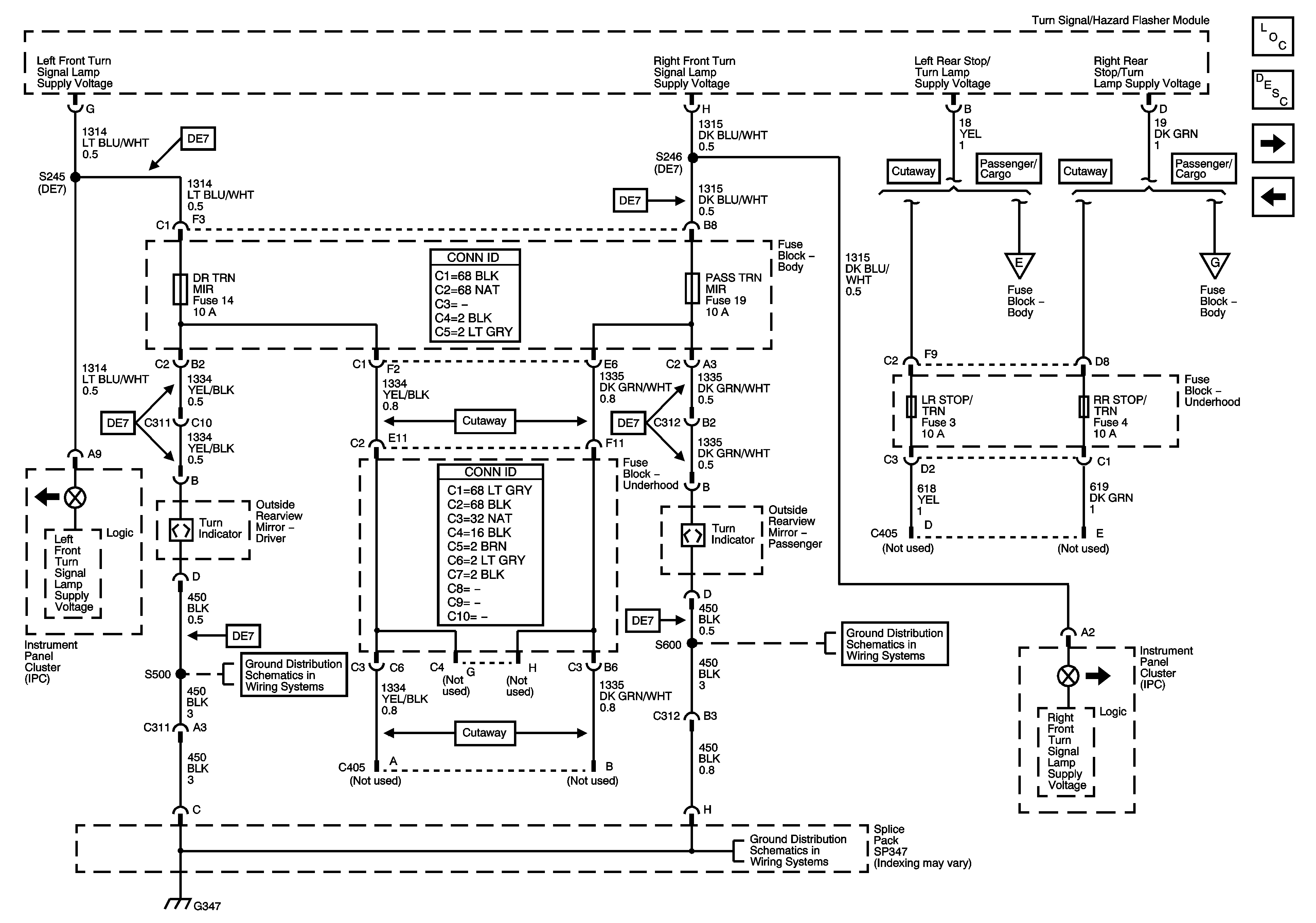
🢒 Turn Signal/Hazard FLasher Module, and DR TRN MIR, PASS TRN MIR Fuses
Turn Signal/Hazard FLasher Module, and DR TRN MIR, PASS TRN MIR Fuses
Turn Signal/Hazard Flasher Module and DR TRN MIR, PASS TRN MIR Fuses
Master Electrical Component List
Exterior Lighting Systems Description and Operation
LR STOP/TRN, RR STOP/TRN, LR TURN, RR TURN, and TRLR STOP/TURN Fuses
Headlamp and Panel Dimmer Switch, Park Lamp Relay, and FR PRK, LR PRK, RR PRK, TRLR PRK, UPFTR PRK Fuses
LR STOP/TRN, RR STOP/TRN, LR TURN, RR TURN, and TRLR STOP/TURN Fuses
LR STOP/TRN, RR STOP/TRN, LR TURN, RR TURN, and TRLR STOP/TURN Fuses
Splice Pack SP347, and G347 - 1 of 3
Splice Pack SP347, and G347 - 2 of 3
Splice Pack SP347, and G347 - 1 of 3