GM Service Manual Online
For 1990-2009 cars only
Makes
🢒
Generic
🢒
2003
🢒
Unit Repair
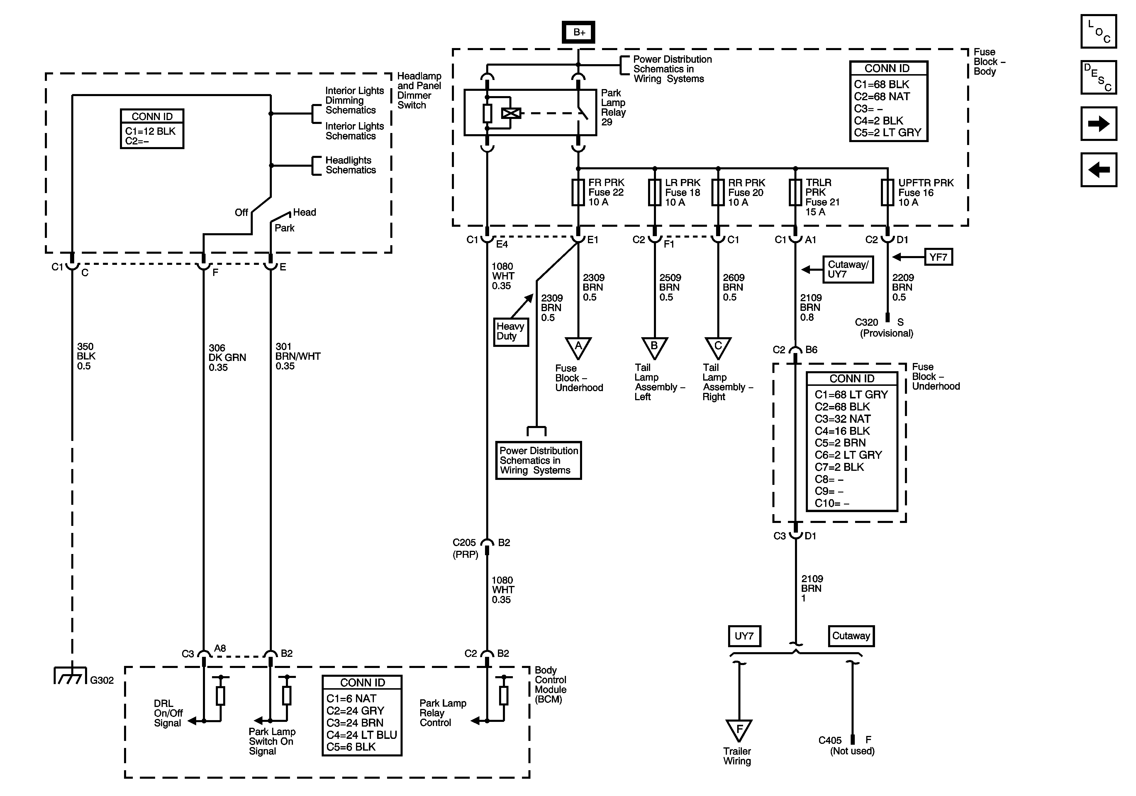
🢒 Headlamp and Panel Dimmer Switch, Park Lamp Relay, and FR PRK, LR PRK, RR PRK, TRLR PRK, UPFTR PRK Fuses
Headlamp and Panel Dimmer Switch, Park Lamp Relay, and FR PRK, LR PRK, RR PRK, TRLR PRK, UPFTR PRK Fuses
Headlamp and Panel Dimmer Switch, Park Lamp Relay, and FR PRK, LR PRK, RR PRK, TRLR PRK, UPFTR PRK Fuses
Master Electrical Component List
Exterior Lighting Systems Description and Operation
Turn Signal/Hazard FLasher Module, and DR TRN MIR, PASS TRN MIR Fuses
FLASHER, IGN E, and STOP LP Fuses
Controls and Backlighting - 1 of 3
Driver, Passenger, and Cargo Mini Wedges
Headlights
B+ Bus - Body Fuse Block
Backup Lamps (w/o Cutaway) and Front Park/Turn/Marker Lamps
LR STOP/TRN, RR STOP/TRN, LR TURN, RR TURN, and TRLR STOP/TURN Fuses
LR STOP/TRN, RR STOP/TRN, LR TURN, RR TURN, and TRLR STOP/TURN Fuses
FRLR PRK, RR PRK, TRLR PRK, and UPFTR PRK Fuses
Backup (Cutaway) and Trailer Wiring
G302