GM Service Manual Online
For 1990-2009 cars only
Makes
🢒
Generic
🢒
2003
🢒
Unit Repair
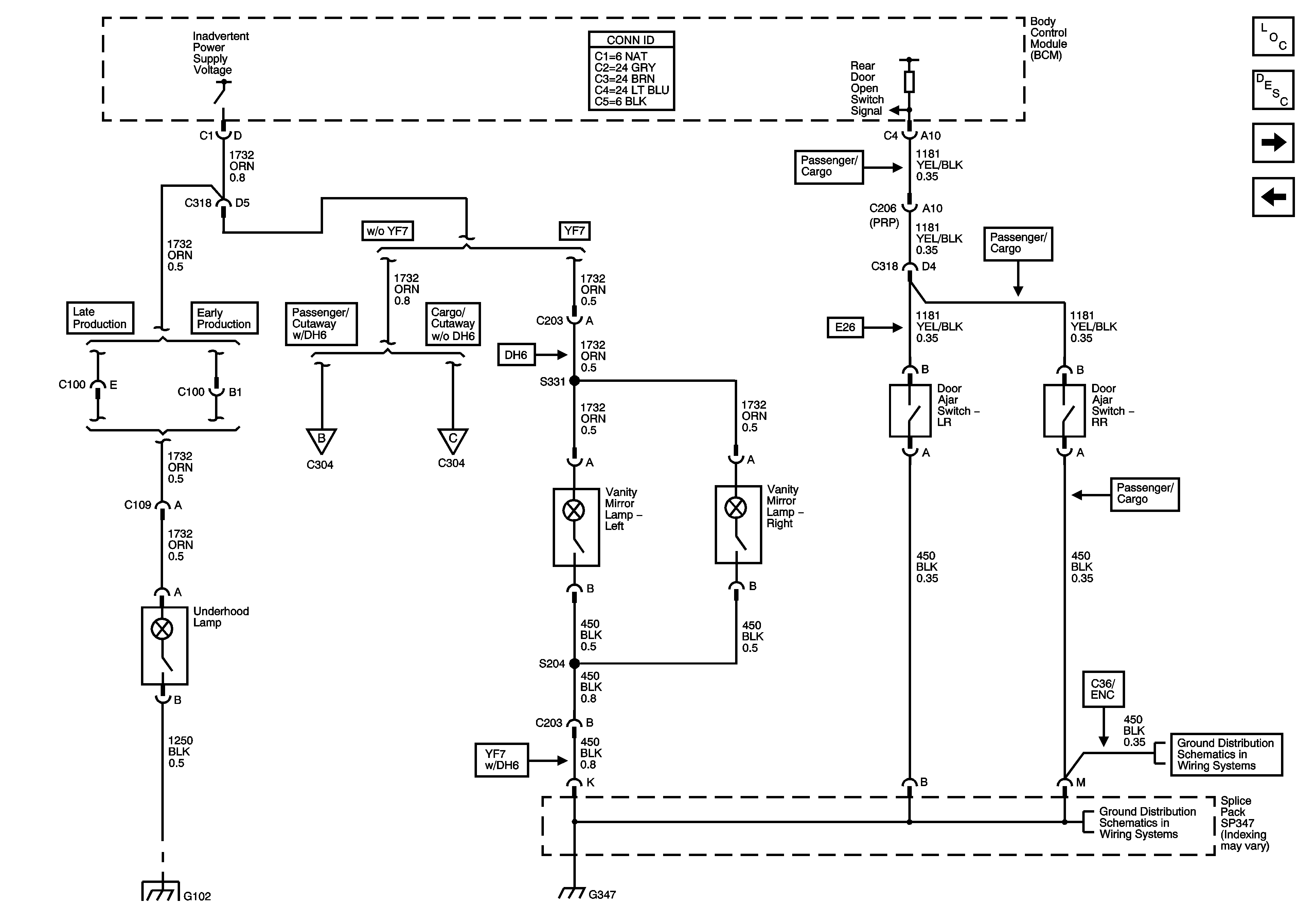
🢒 Underhood Lamp, Rear Door Ajar Switches, and Vanity Mirrors
Underhood Lamp, Rear Door Ajar Switches, and Vanity Mirrors
Underhood Lamp, Rear Door Ajar Switches and Vanity Mirrors
Master Electrical Component List
Interior Lighting Systems Description and Operation
Dome Fluorescent Work Lamps
Courtesy Lamps w/o YF7 - 2 of 2
Courtesy Lamps w/o YF7 - 2 of 2
Courtesy Lamps w/o YF7 - 1 of 2
Splice Pack SP347, and G347 - 2 of 3
Splice Pack SP347, and G347 - 1 of 3
G102