GM Service Manual Online
For 1990-2009 cars only
Makes
🢒
Generic
🢒
2003
🢒
Unit Repair
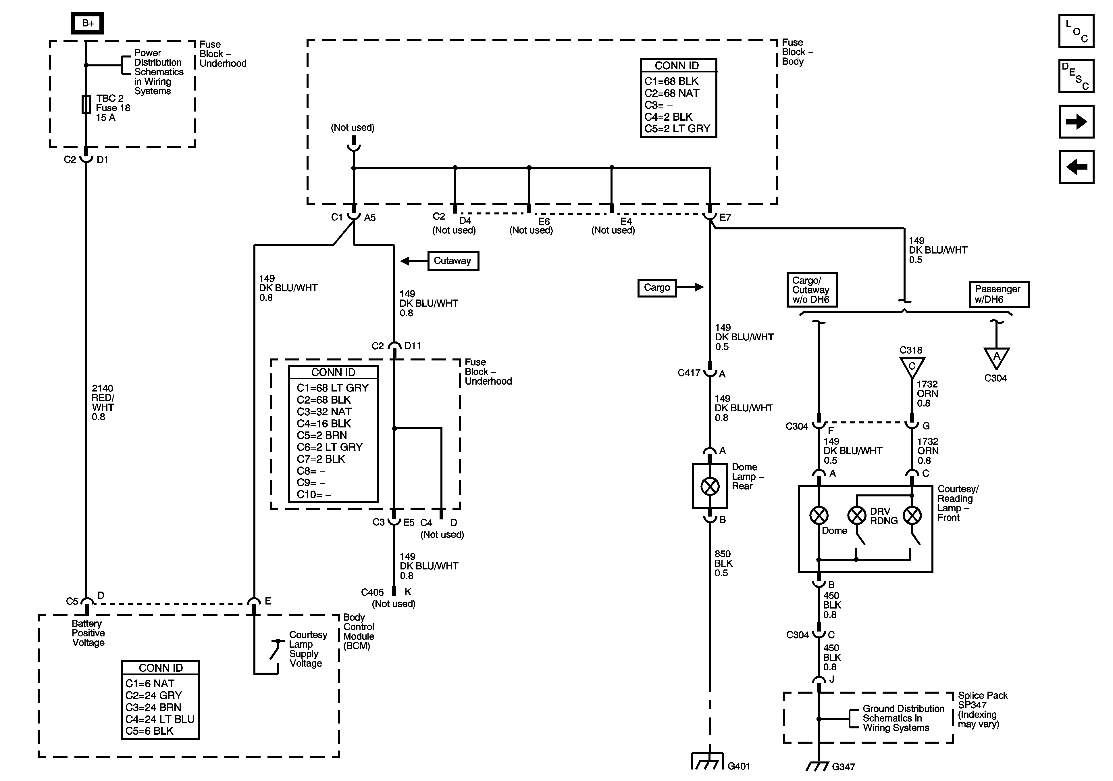
🢒 Courtesy Lamps w/o YF7 - 1 of 2
Courtesy Lamps w/o YF7 - 1 of 2
Courtesy Lamps - w/o YF7 - Page 1 of 2
Master Electrical Component List
Interior Lighting Systems Description and Operation
Courtesy Lamps w/o YF7 - 2 of 2
Courtesy Lamps - YF7
B+ Bus - Body Fuse Block
G103, G104, G105, G106, G300, and G301
Underhood Lamp, Rear Door Ajar Switches, and Vanity Mirrors
Courtesy Lamps w/o YF7 - 2 of 2
G401 (Passenger/Cargo)
G302
Splice Pack SP347, and G347 - 1 of 3