GM Service Manual Online
For 1990-2009 cars only
Makes
🢒
Generic
🢒
2003
🢒
Unit Repair
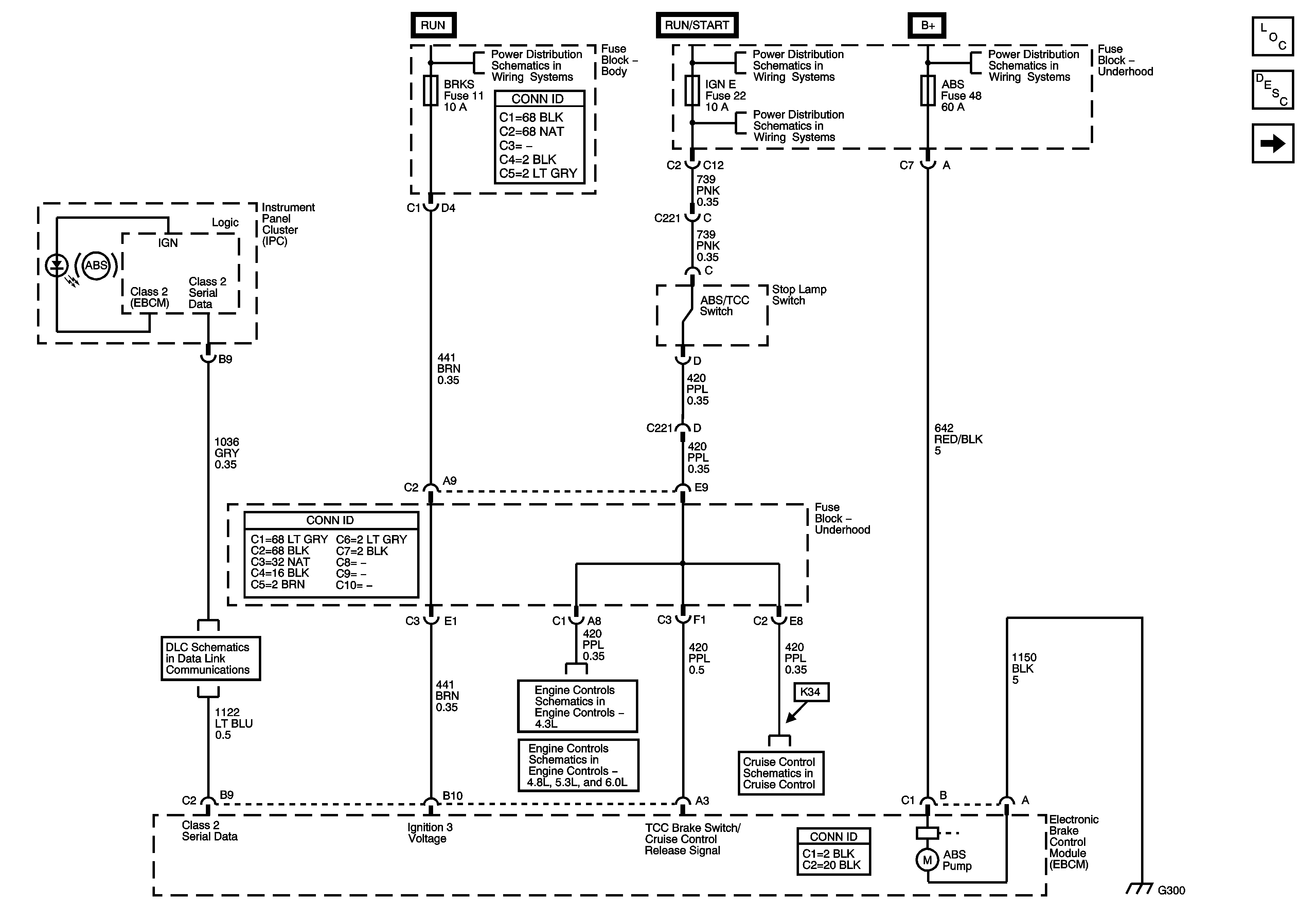
🢒 Power, Ground, DLC and Indicator
Power, Ground, DLC and Indicator
Power, Ground, DLC and Indicator
Master Electrical Component List
ABS Description and Operation
Wheel Speed Sensors, VSS and Brake Pressure Switch
B+ Bus - Underhood Fuse Block
IGN A Fuse
IGN B Fuse
SPARE, IGN E, SIR, TBC IGN 1, and ISRV Fuses
Data Link Schematics
Cruise Control
Fuel and Device Controls
Fuel and Device Controls