GM Service Manual Online
For 1990-2009 cars only
Makes
🢒
Generic
🢒
2003
🢒
Unit Repair
🢒 Fuel and Device Controls
Fuel and Device Controls
Fuel, EVAP, and Device Controls
Master Electrical Component List
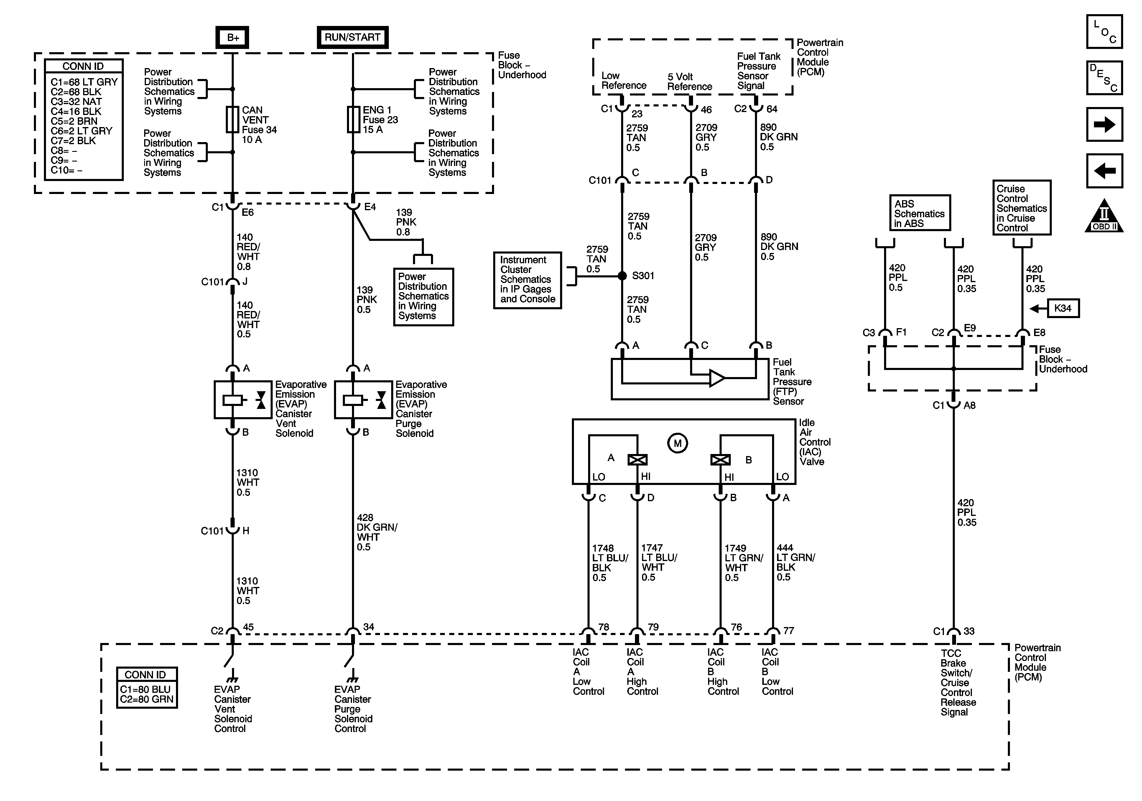
Powertrain Control Module Description
Controlled/Monitored Subsystem and Transmission
Fuel Injection Controls
OBD II Symbol Description Notice
B+ Bus - Underhood Fuse Block
TRLR STOP/TRN, CAN VENT,LH-LOBM, RH-LOBM, LH-HIBM, and RH-HIBM Fuses
IGN B Fuse
ENG 1, and ENG 2 Fuses - 4.8L, 5.3L, and 6.0L
ENG 1, and ENG 2 Fuses - 4.8L, 5.3L, and 6.0L
Gages
Power, Ground, DLC and Indicator
Cruise Control