GM Service Manual Online
For 1990-2009 cars only
Makes
🢒
Generic
🢒
2003
🢒
Unit Repair
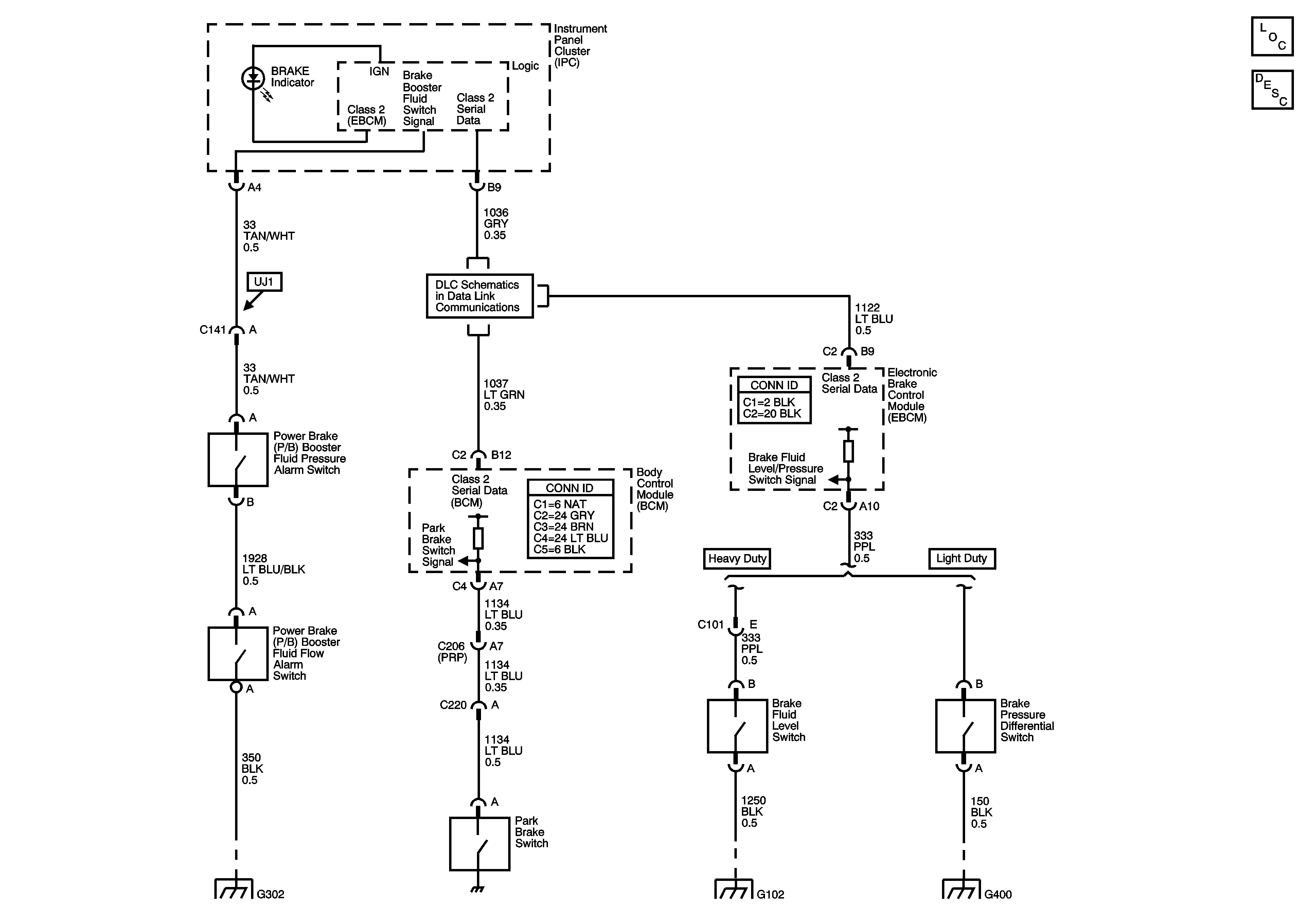
🢒 Brake Warning Schematic
Brake Warning Schematic
Master Electrical Component List
Brake Warning System Description and Operation
Data Link Schematics
G302
G102
G400