GM Service Manual Online
For 1990-2009 cars only
Makes
🢒
Generic
🢒
2003
🢒
Unit Repair
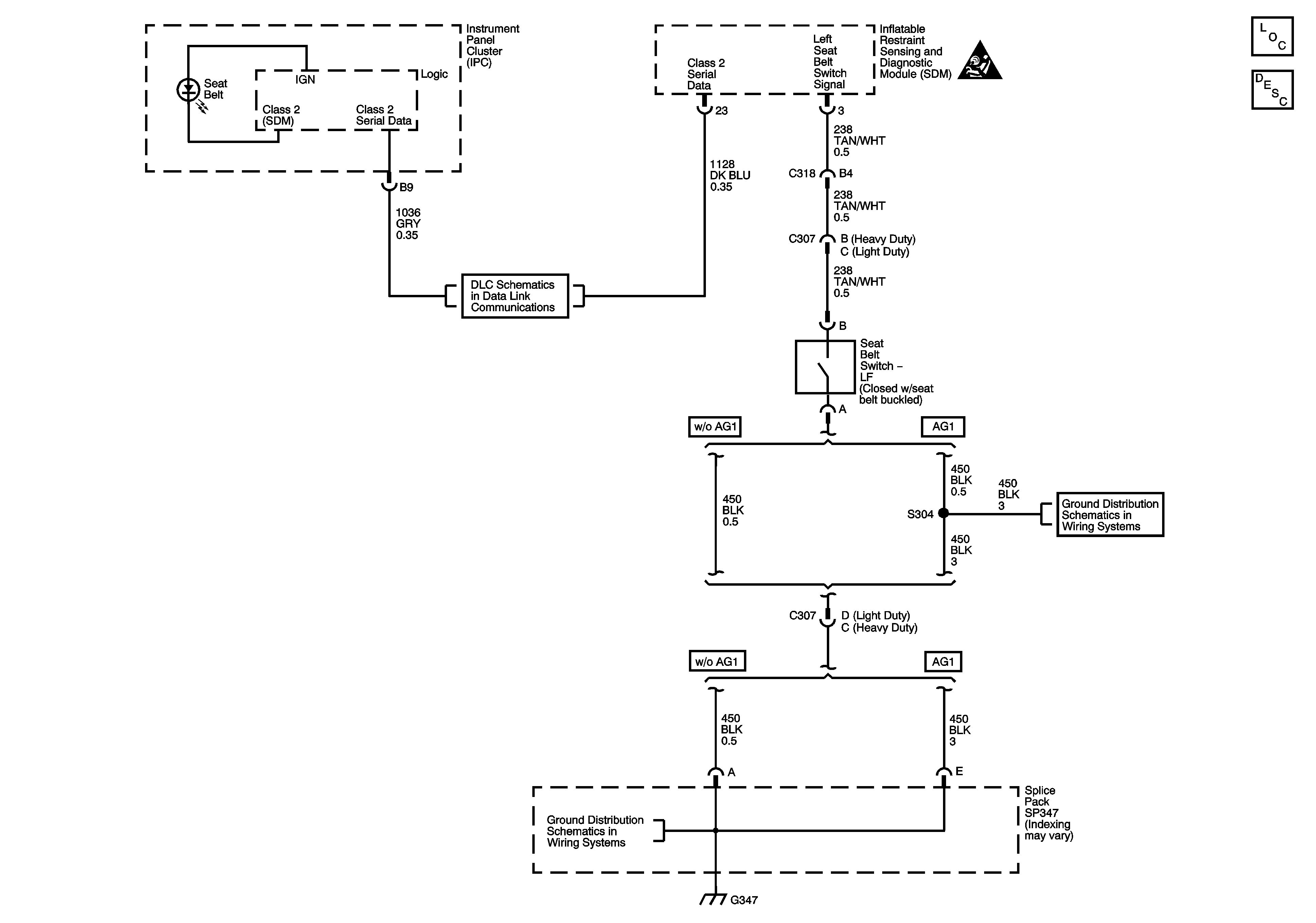
🢒 Seat Belt Schematics
Seat Belt Schematics
Master Electrical Component List
Seat Belt System Description and Operation
SIR Caution for Zoning
Data Link Schematics
Splice Pack SP347, and G347 - 2 of 3
Splice Pack SP347, and G347 - 1 of 3