GM Service Manual Online
For 1990-2009 cars only
Makes
🢒
Generic
🢒
2003
🢒
Unit Repair
🢒 Controls and Backlighting - 3 of 3
Controls and Backlighting - 3 of 3
Controls and Backlighting - Page 3 of 3
Master Electrical Component List
Interior Lighting Systems Description and Operation
Controls and Backlighting - 2 of 3
Controls and Backlighting - 2 of 3
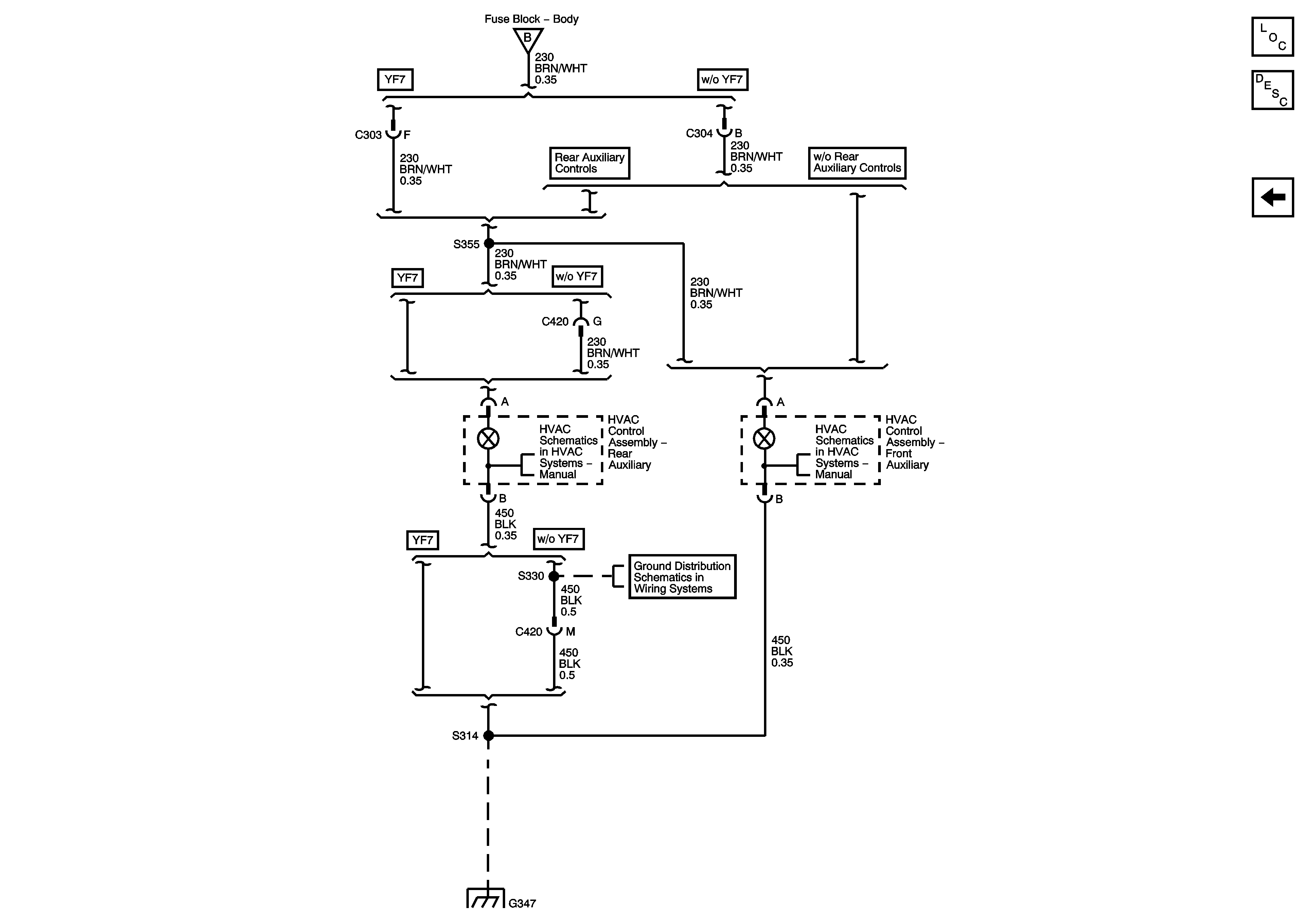
Rear HVAC with Rear Auxiliary Controls 2 of 3 (C69)
Rear HVAC with Rear Auxiliary Controls 1 of 3 (C69)
Splice Pack SP347, and G347 - 3 of 3
Splice Pack SP347, and G347 - 1 of 3