GM Service Manual Online
For 1990-2009 cars only
Makes
🢒
Generic
🢒
2003
🢒
Unit Repair
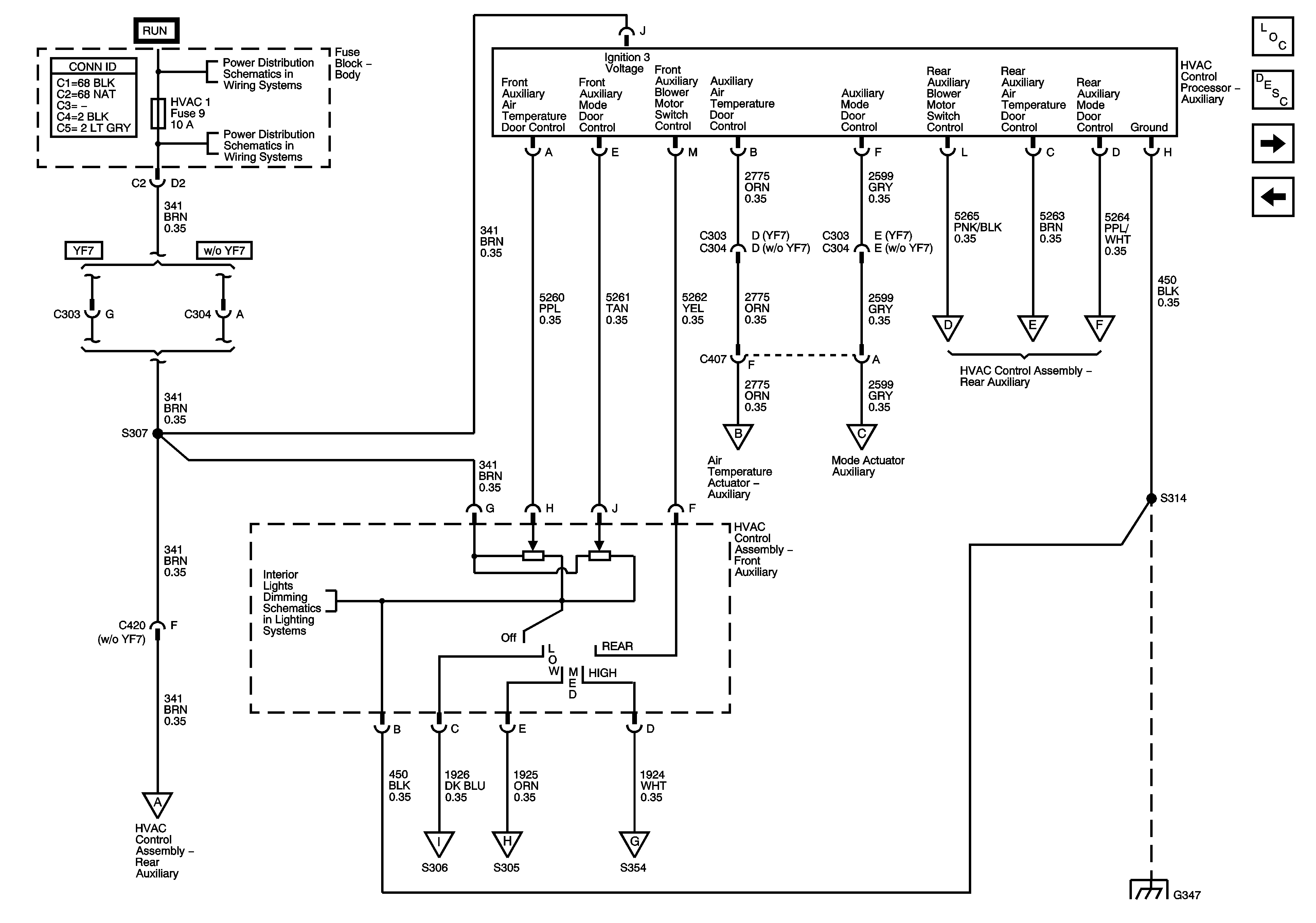
🢒 Rear HVAC with Rear Auxiliary Controls 1 of 3 (C69)
Rear HVAC with Rear Auxiliary Controls 1 of 3 (C69)
Rear HVAC with Rear Auxiliary Controls 1 of 3 (C69)
Master Electrical Component List
Air Temperature Description and Operation
Rear HVAC with Rear Auxiliary Controls 2 of 3 (C69)
Compressor Controls (C60)
IGN A Fuse
HVAC 1 Fuse
Rear HVAC with Rear Auxiliary Controls 2 of 3 (C69)
Rear HVAC with Rear Auxiliary Controls 3 of 3 (C69)
Rear HVAC with Rear Auxiliary Controls 3 of 3 (C69)
Controls and Backlighting - 3 of 3
Rear HVAC with Rear Auxiliary Controls 2 of 3 (C69)
Rear HVAC with Rear Auxiliary Controls 2 of 3 (C69)
Rear HVAC with Rear Auxiliary Controls 2 of 3 (C69)
Rear HVAC with Rear Auxiliary Controls 2 of 3 (C69)
Rear HVAC with Rear Auxiliary Controls 2 of 3 (C69)
Splice Pack SP347, and G347 - 1 of 3