GM Service Manual Online
For 1990-2009 cars only
Makes
🢒
Generic
🢒
2003
🢒
Unit Repair
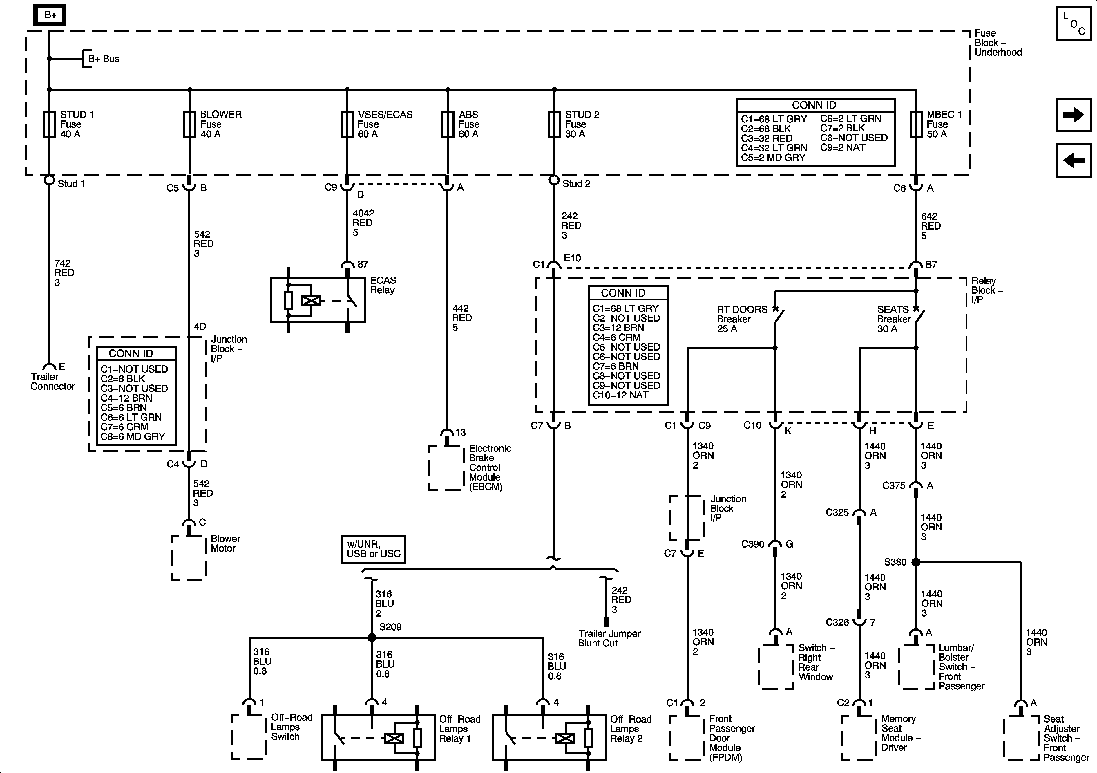
🢒 STUD 1, STUD 2, VSES/ECAS, BLOWER, ABS, and MBEC 1 Fuses
STUD 1, STUD 2, VSES/ECAS, BLOWER, ABS, and MBEC 1 Fuses
STUD 1, STUD 2, VSES/ECAS, BLOWER, ABS, and MBEC 1 Fuses, RT Doors and Seats Circuit Breakers
Master Electrical Component List
LBEC 1, LBEC 2, INFO, PDM, AUX PWR, DDM, LOCKS, TBC 2A, 2B, and 2C Fuses, and LT DOOR Circuit Breaker
ACCY/RUN/ and RUN/START Bus Bars
B+ Bus