GM Service Manual Online
For 1990-2009 cars only
Makes
🢒
Generic
🢒
2005
🢒
Unit Repair
🢒 Starting System
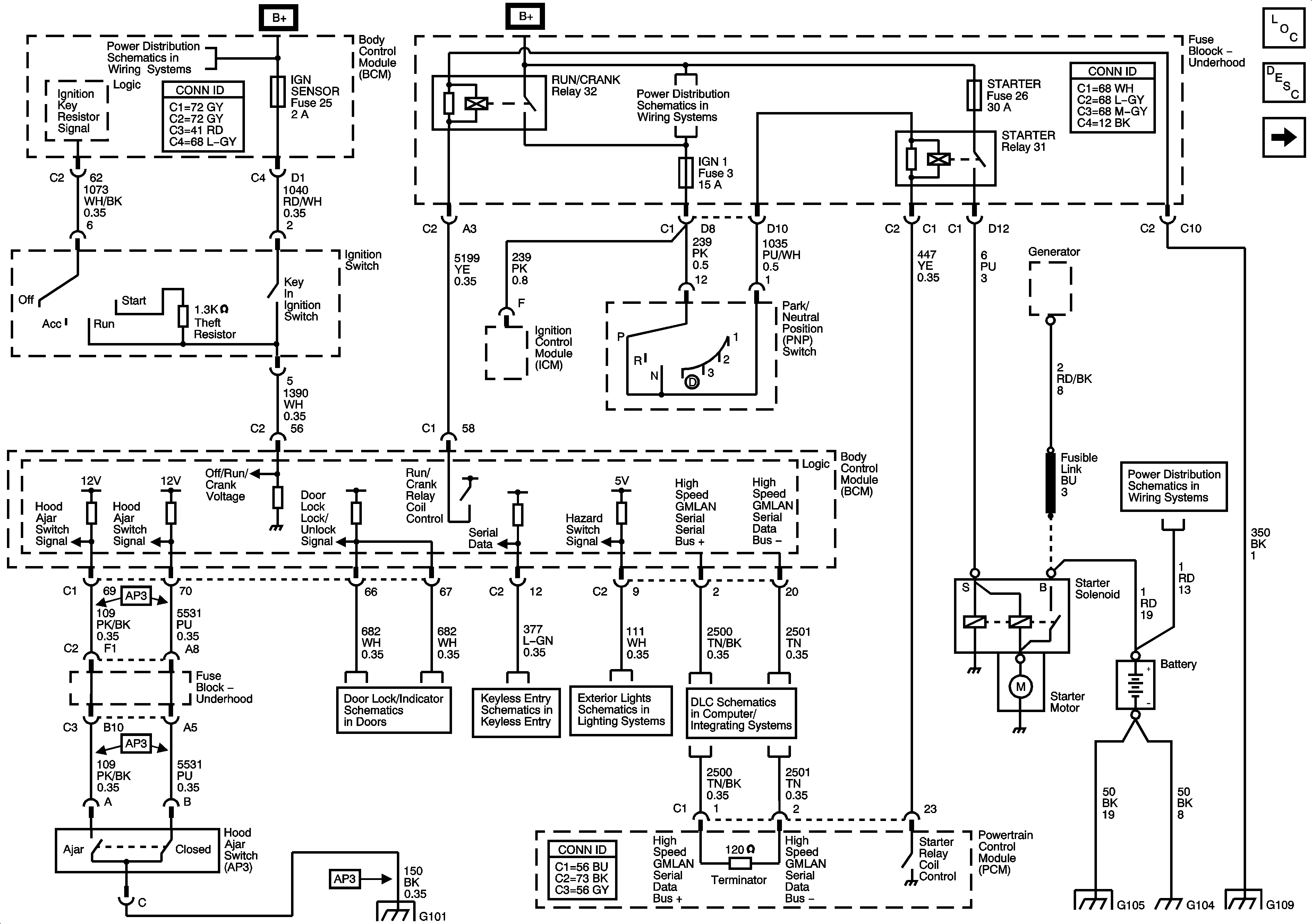
Starting System
Starting System
Master Electrical Component List
Starting System Description and Operation
Control Module References
Charging System
Underhood Fuse Block IBCM 1, Body Control Module (BCM) RADIO, IGN SENSOR, HVAC HEAD/ECC, CLUSTER/THEFT and AIR BAG BATT Fuses
Door Lock Switches
Keyless Entry Schematics
Ambient Light Sensor, Brake Pedal Position Sensor, Hazard Switch and Turn Signal/Multifunction Switch
Power, Ground, Class2 and High Speed Serial Data
G101 and G102
G103, G104 and G105
G109