GM Service Manual Online
For 1990-2009 cars only
Makes
🢒
Generic
🢒
2005
🢒
Unit Repair
🢒 Charging System
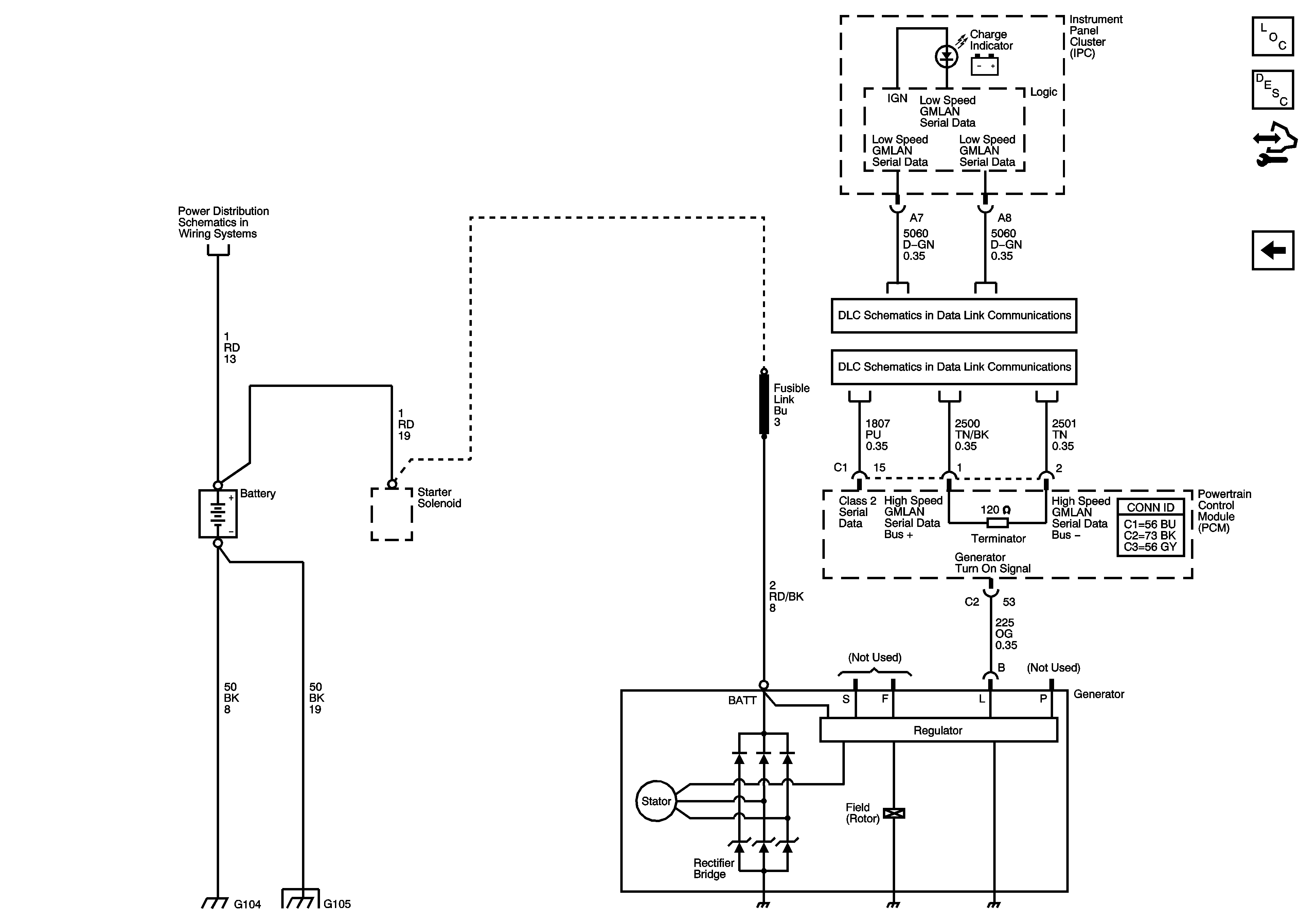
Charging System
Charging System
Master Electrical Component List
Charging System Description and Operation
Control Module References
Starting System
Underhood Fuse Block B+ Bus
Low Speed Serial Data
Power, Ground, Class2 and High Speed Serial Data
G103, G104 and G105