GM Service Manual Online
For 1990-2009 cars only
Makes
🢒
Generic
🢒
2006
🢒
Unit Repair
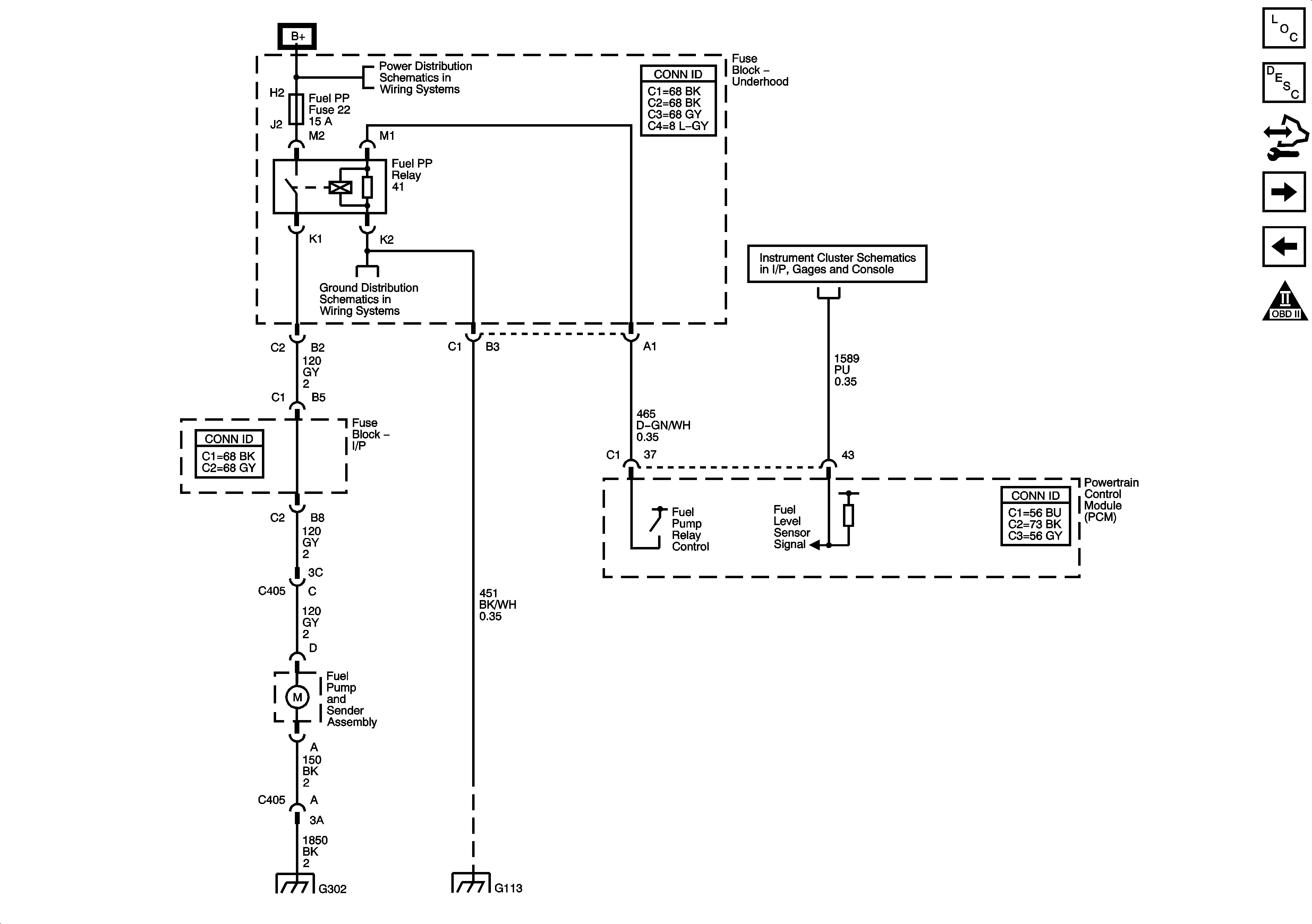
🢒 Fuel Pump Controls
Fuel Pump Controls
Fuel Pump Controls
Master Electrical Component List
Fuel System Description
Control Module References
Fuel Injectors
Ignition Controls
OBD II Symbol Description Notice
Fuse Block - Underhood B+ Bus
G101, G102, G103, G111, G112, and G113
Power, Ground, Serial Data, and Gages (L26)
G302
G101, G102, G103, G111, G112, and G113