GM Service Manual Online
For 1990-2009 cars only
Makes
🢒
Generic
🢒
2006
🢒
Unit Repair
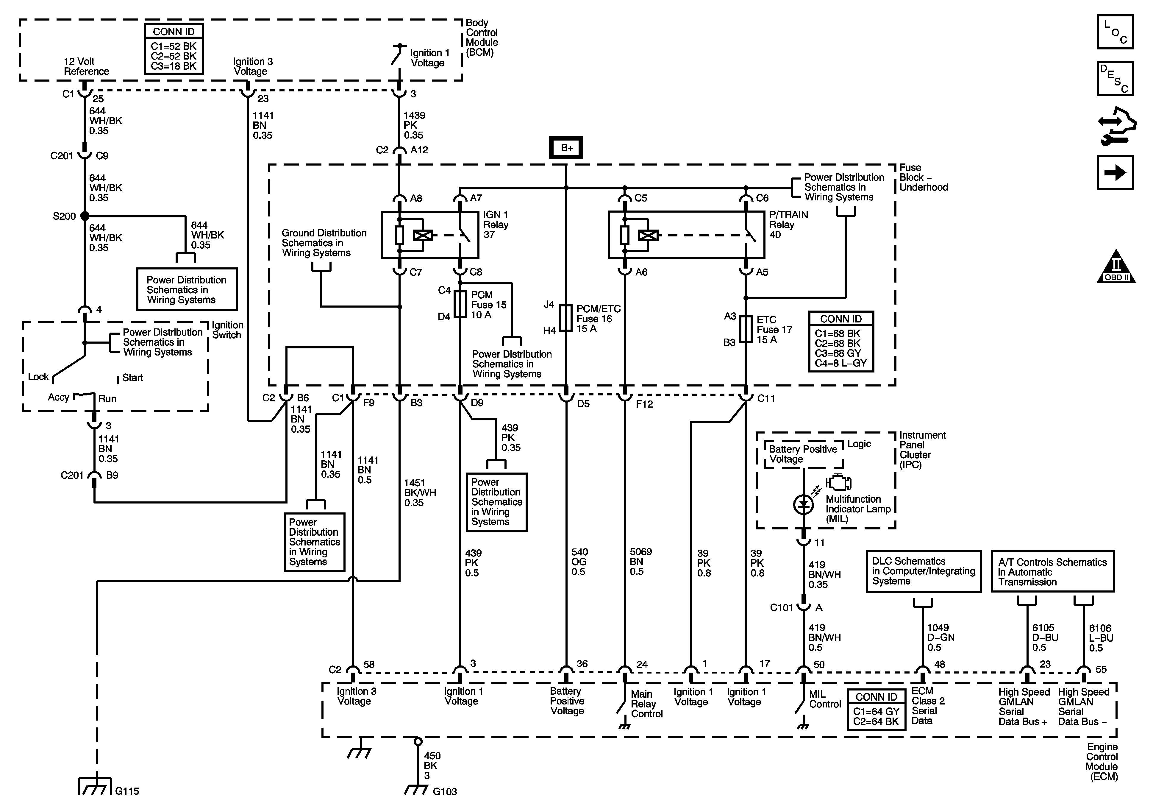
🢒 Module Power, Ground, Serial Data, and MIL
Module Power, Ground, Serial Data, and MIL
Module Power, Ground, Serial Data, and MIL
Master Electrical Component List
Engine Control Module Description
Control Module References
5 Volt and Low Reference, Page 1 of 2
OBD II Symbol Description Notice
Ignition Switch
G115 (LY7)
Fuse Block - Underhood B+ Bus
Fuse Block - Underhood ABS, TRANS SOL, PCM, SIR, and DISPLAY Fuses, CRANK Relay, and Fuse Block - I/P CRUISE SW Fuse
Ignition Switch
Fuse Block - Underhood ABS, TRANS SOL, PCM, SIR, and DISPLAY Fuses, CRANK Relay, and Fuse Block - I/P CRUISE SW Fuse
LY7
TCM Power, Ground, and Serial Data (LY7)
G115 (LY7)
G101, G102, G103, G111, G112, and G113