GM Service Manual Online
For 1990-2009 cars only
Makes
🢒
Generic
🢒
2006
🢒
Unit Repair
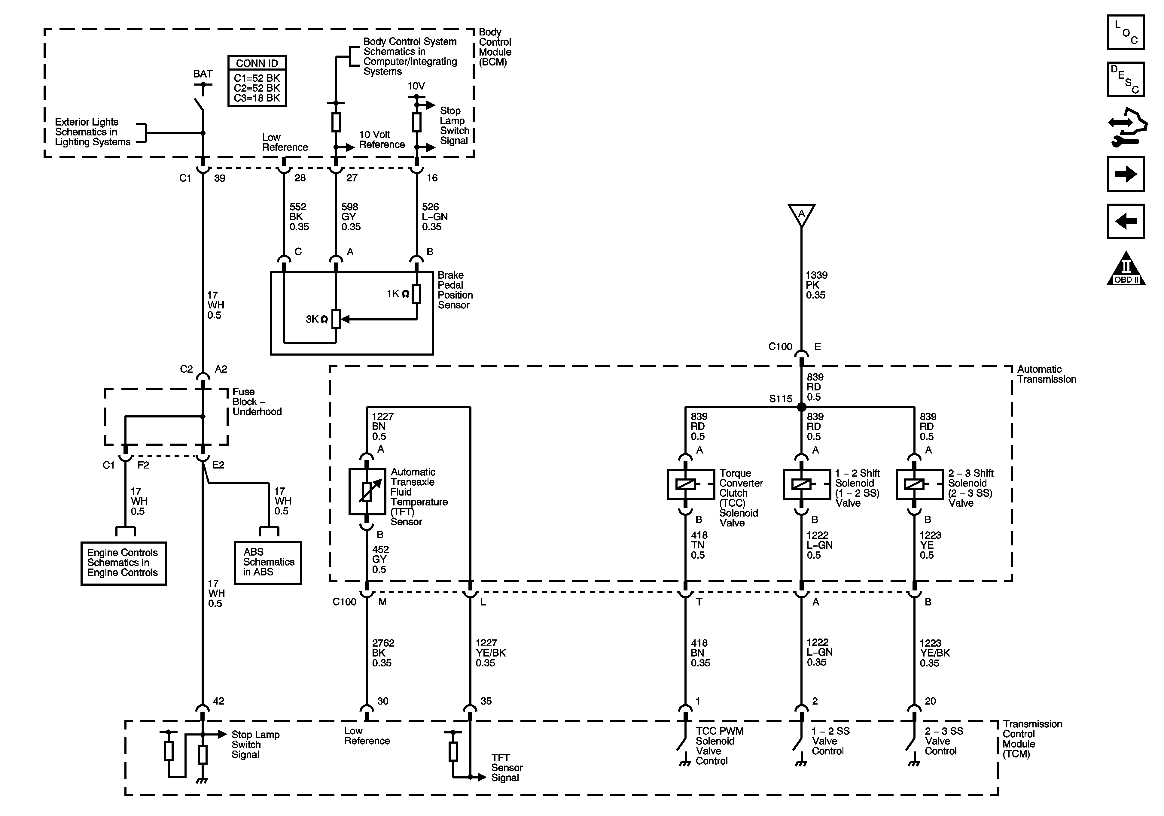
🢒 Shift and TCC Solenoid Valves, TFT Sensor, and Stop Lamp Switch (LY7)
Shift and TCC Solenoid Valves, TFT Sensor, and Stop Lamp Switch (LY7)
Shift and TCC Solenoid Valves, TFT Sensor, and Stop Lamp Switch (LY7)
Master Electrical Component List
Transmission Component and System Description
Control Module References
PC Solenoid Valve, Fluid Pressure Manual Valve Position Switch, ISS and VSS Sensors (LY7)
TCM Power, Ground, and Serial Data (LY7)
OBD II Symbol Description Notice
Exterior Lights and Interior Lights References
Turn Signal, Hazard, and Stop Lamps Outputs
TCM Power, Ground, and Serial Data (LY7)
MAF, VSS and Stop Lamp Switch
Indicators, Stop Lamp, Traction Controls, and Serial Data