GM Service Manual Online
For 1990-2009 cars only
Makes
🢒
Generic
🢒
2006
🢒
Unit Repair
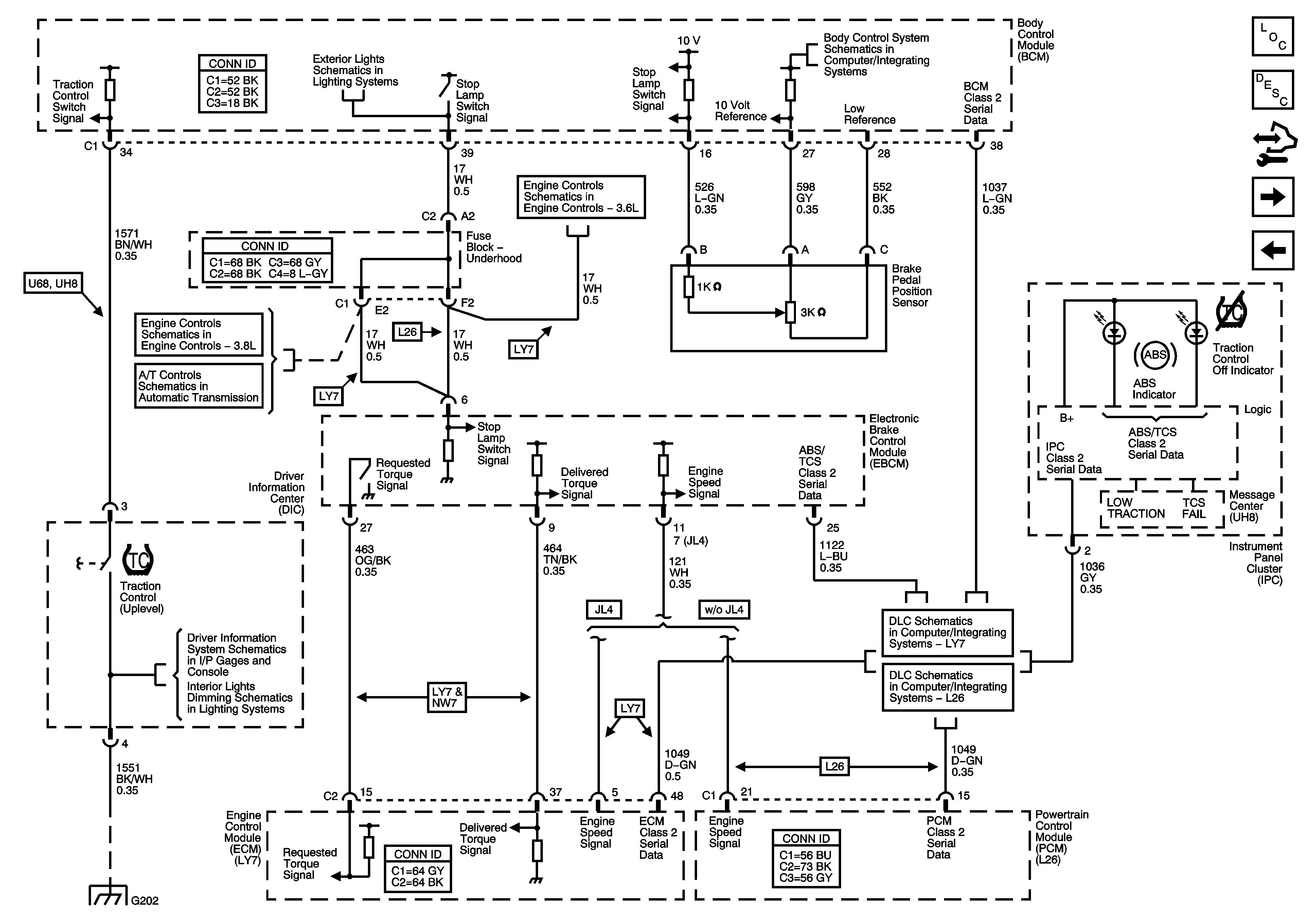
🢒 Indicators, Stop Lamp, Traction Controls, and Serial Data
Indicators, Stop Lamp, Traction Controls, and Serial Data
Indicators, Stop Lamp, Traction Controls, and Serial Data
Master Electrical Component List
ABS Description and Operation
Control Module References
Active Brake and Stability Controls (JL4)
Power, Ground, and Brake Pressure Modulator Valves
Turn Signal, Hazard, and Stop Lamps Outputs
Exterior Lights and Interior Lights References
MAF, VSS and Stop Lamp Switch
Electronic Throttle Controls
Shift and TCC Solenoid Valves, TFT Sensor, and Stop Lamp Switch (LY7)
Driver Information System Schematics
I/P, Console, and Driver Door Lighting
LY7
L26
G202