GM Service Manual Online
For 1990-2009 cars only
Makes
🢒
Generic
🢒
2006
🢒
Unit Repair
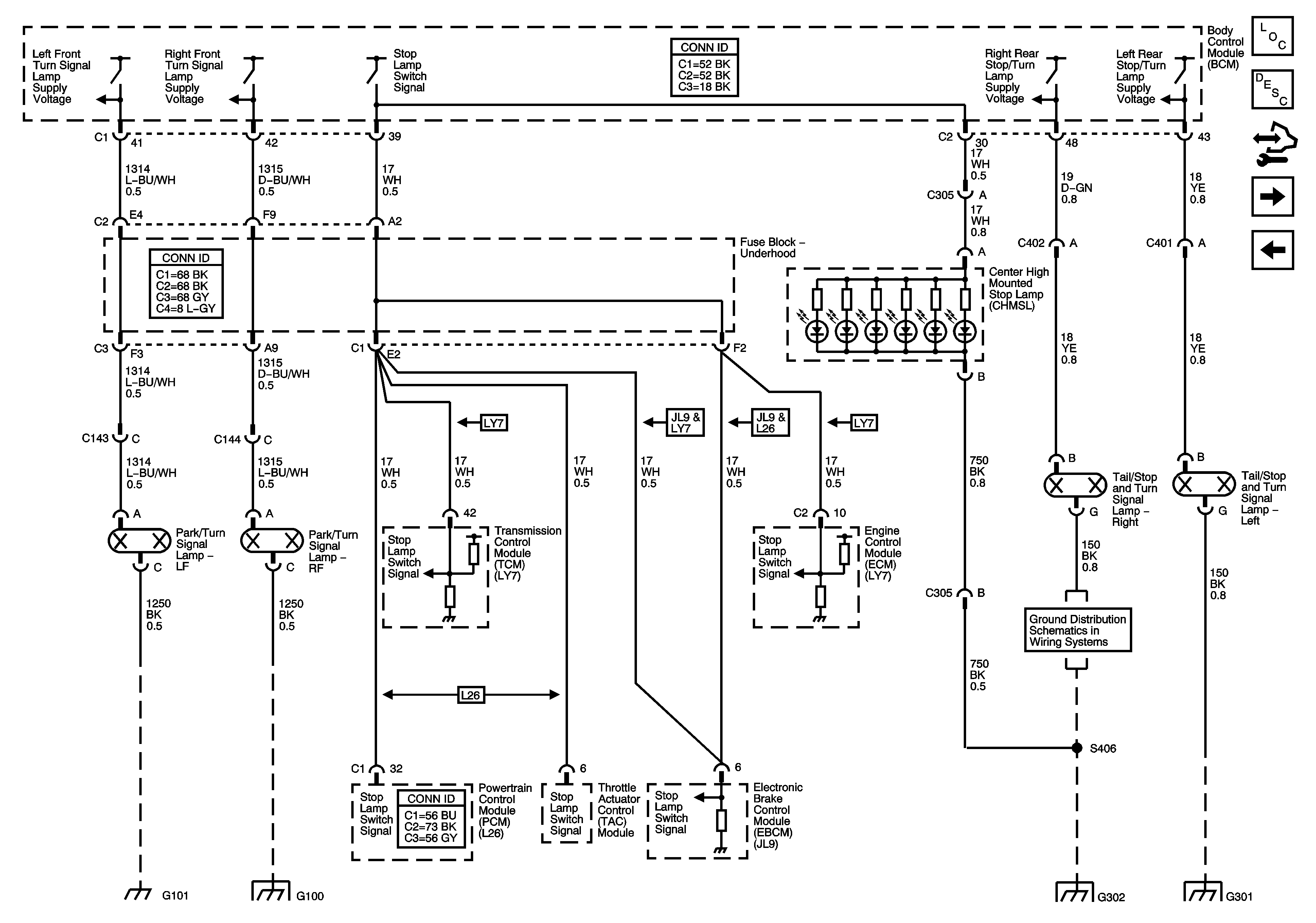
🢒 Turn Signal, Hazard, and Stop Lamps Outputs
Turn Signal, Hazard, and Stop Lamps Outputs
Turn Signal, Hazard, and Stop Lamps Outputs
Master Electrical Component List
Exterior Lighting Systems Description and Operation
Control Module References
Park Lamps
Turn Signal, Hazard, and Stop Lamps Inputs
G302
G101, G102, G103, G111, G112, and G113
G100
G302
G301