GM Service Manual Online
For 1990-2009 cars only
Makes
🢒
Generic
🢒
2006
🢒
Unit Repair
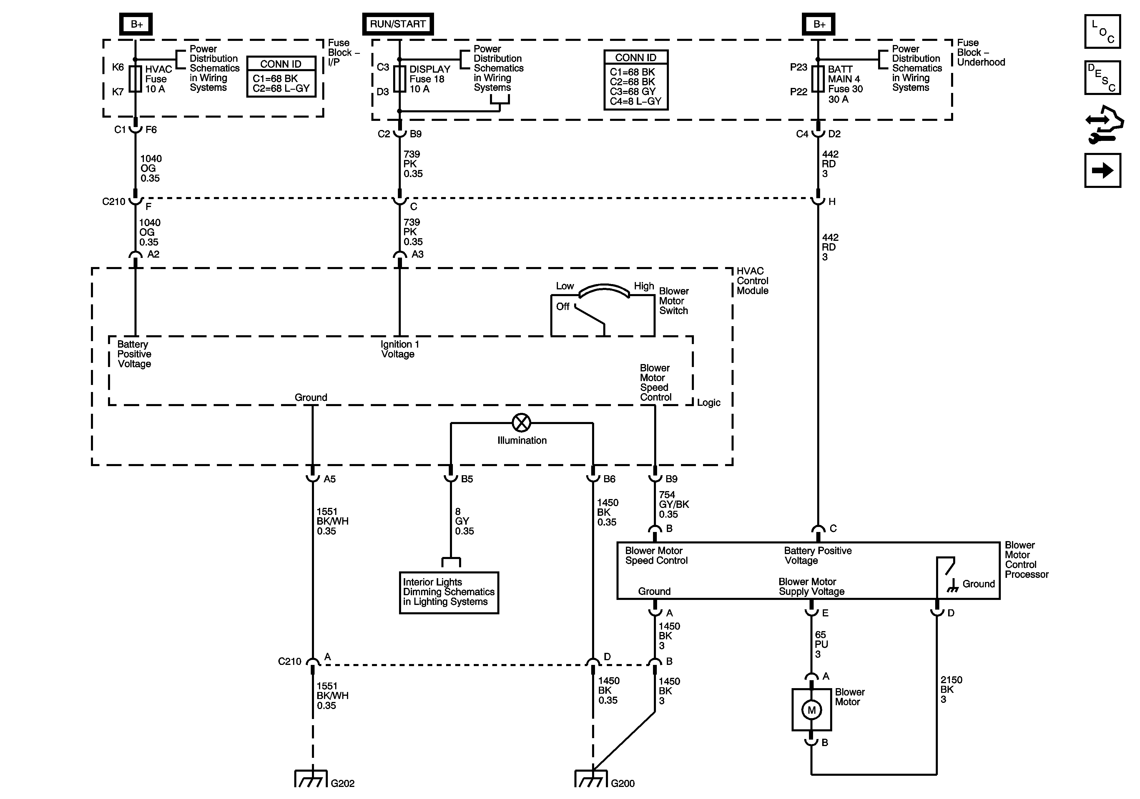
🢒 Power, Ground, and Blower Controls
Power, Ground, and Blower Controls
Power, Ground, and Blower Controls
Master Electrical Component List
Air Delivery Description and Operation
Control Module References
Compressor Controls and Serial Data
Fuse Block - Underhood BATT MAIN 1 Fuse, Fuse Block - I/P PK LAMPS, DISPLAYS, CHMSL/BKUP, INT LIGHT, RFA/MOD, RADIO/AMP, ONSTAR/ALDL, HVAC, and CANISTER Fuses and PK LP Relay
Fuse Block - Underhood ABS, TRANS SOL, PCM, SIR, and DISPLAY Fuses, CRANK Relay, and Fuse Block - I/P CRUISE SW Fuse
Fuse Block - Underhood BATT MAIN 3, BATT MAIN 4, ABS MTR, ABS SOL, PCM/ETC, TCM, WASHER/RVC, AUX PWR, and AIR PUMP Fuses, Fuse Block- I/P REAR WINDOW DEFOGGER Relay and HTD MIRROR Fuse
I/P, Console, and Driver Door Lighting
G202
G200