GM Service Manual Online
For 1990-2009 cars only
Makes
🢒
Generic
🢒
2006
🢒
Unit Repair
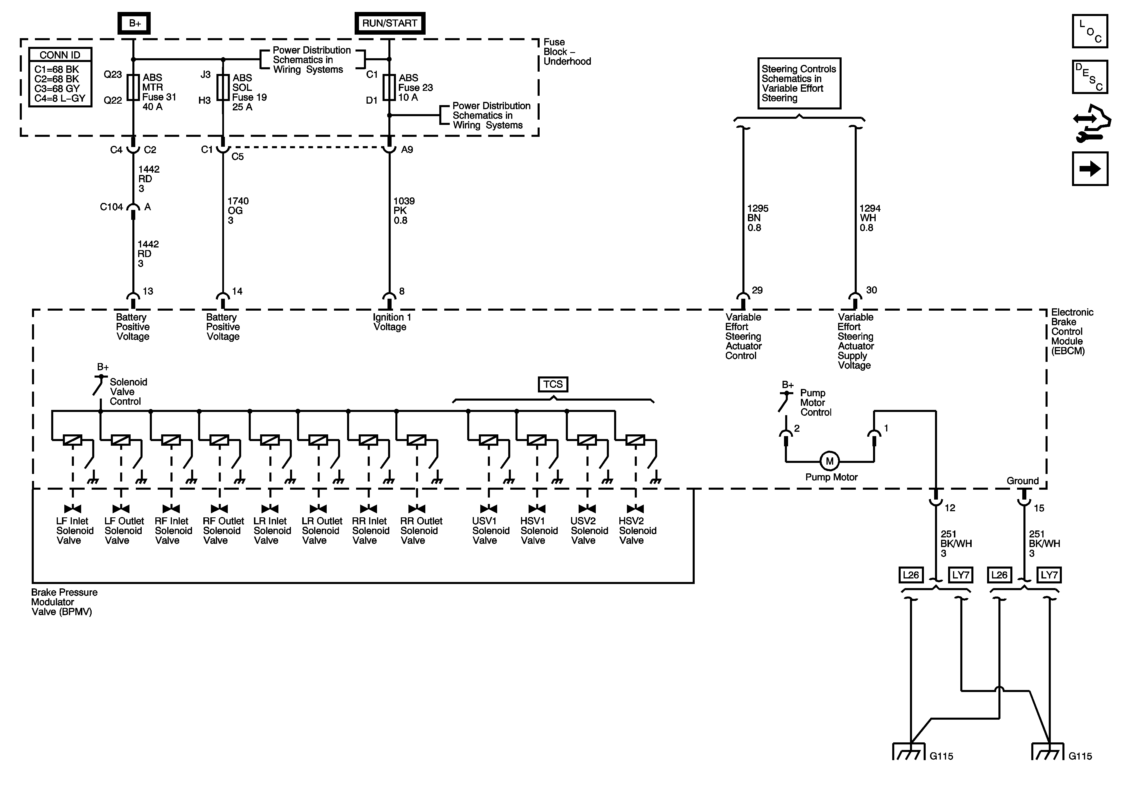
🢒 Power, Ground, and Brake Pressure Modulator Valves
Power, Ground, and Brake Pressure Modulator Valves
Power, Ground, and Brake Pressure Modulator Valves
Master Electrical Component List
ABS Description and Operation
Control Module References
Indicators, Stop Lamp, Traction Controls, and Serial Data
Fuse Block - Underhood B+ Bus
Fuse Block - Underhood ABS, TRANS SOL, PCM, SIR, and DISPLAY Fuses, CRANK Relay, and Fuse Block - I/P CRUISE SW Fuse
Steering Controls Schematics
G115 (L26)
G115 (LY7)