GM Service Manual Online
For 1990-2009 cars only
Makes
🢒
Generic
🢒
2006
🢒
Unit Repair
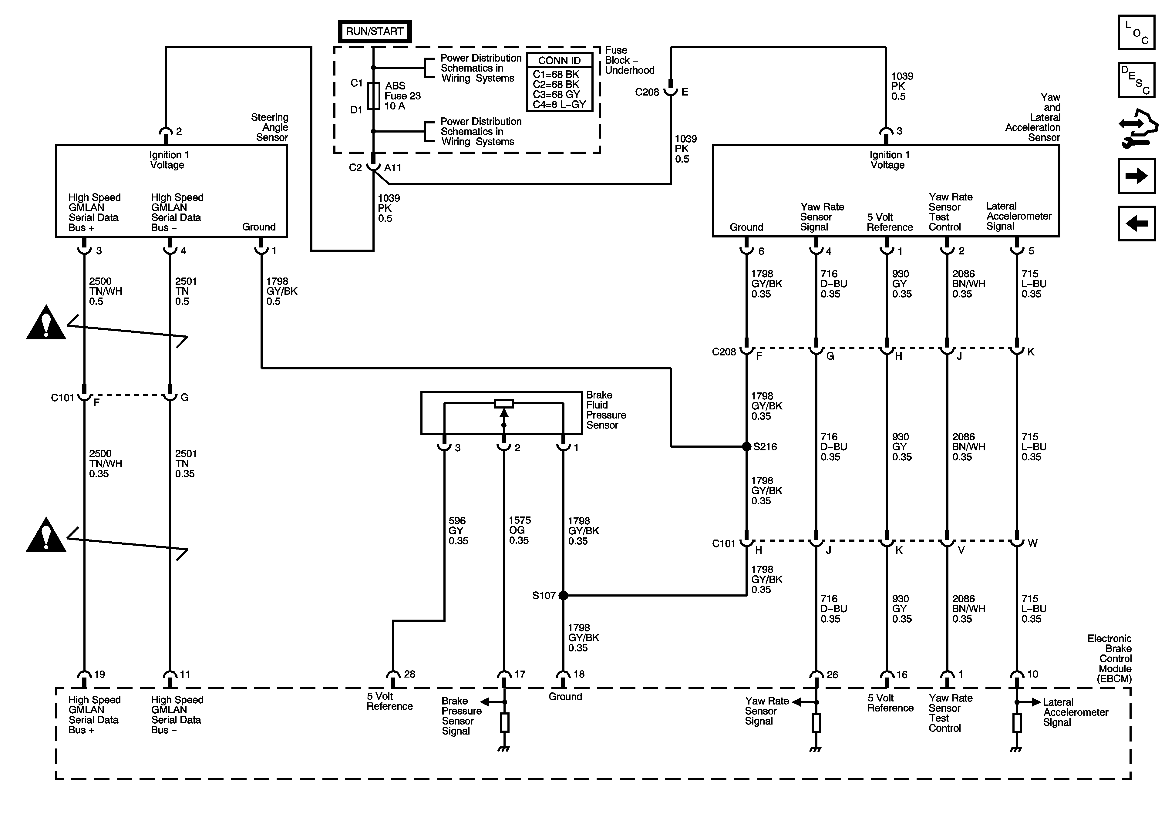
🢒 Active Brake and Stability Controls (JL4)
Active Brake and Stability Controls (JL4)
Active Brake and Stability Controls (JL4)
Master Electrical Component List
ABS Description and Operation
Control Module References
Wheel Speed Sensors
Indicators, Stop Lamp, Traction Controls, and Serial Data
Fuse Block - Underhood B+ Bus
Fuse Block - Underhood ABS, TRANS SOL, PCM, SIR, and DISPLAY Fuses, CRANK Relay, and Fuse Block - I/P CRUISE SW Fuse
Antilock Brake System Schematic Icons
Antilock Brake System Schematic Icons