GM Service Manual Online
For 1990-2009 cars only
Makes
🢒
Generic
🢒
2006
🢒
Unit Repair
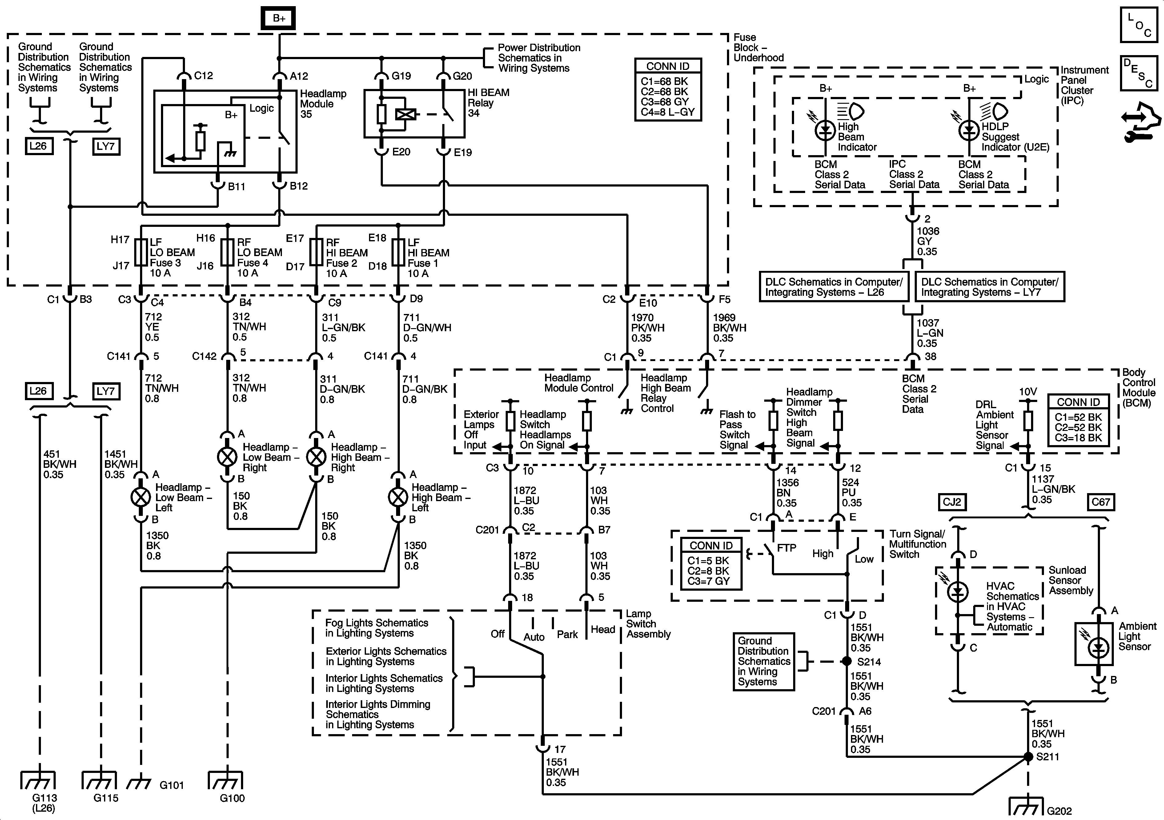
🢒 Headlights/Daytime Running Lights (DRL) Schematics
Headlights/Daytime Running Lights (DRL) Schematics
Master Electrical Component List
Exterior Lighting Systems Description and Operation
Control Module References
G101, G102, G103, G111, G112, and G113
G115 (LY7)
Fuse Block - Underhood B+ Bus
L26
LY7
G101, G102, G103, G111, G112, and G113
G115 (LY7)
G101, G102, G103, G111, G112, and G113
G100
Fog Lights Schematics
Park Lamps
Lamp Controls
I/P, Console, and Driver Door Lighting
G202
Air Temperature and Sunload Sensors
G202