GM Service Manual Online
For 1990-2009 cars only
Makes
🢒
Generic
🢒
2006
🢒
Unit Repair
🢒 Lamp Controls
Lamp Controls
Lamp Controls
Master Electrical Component List
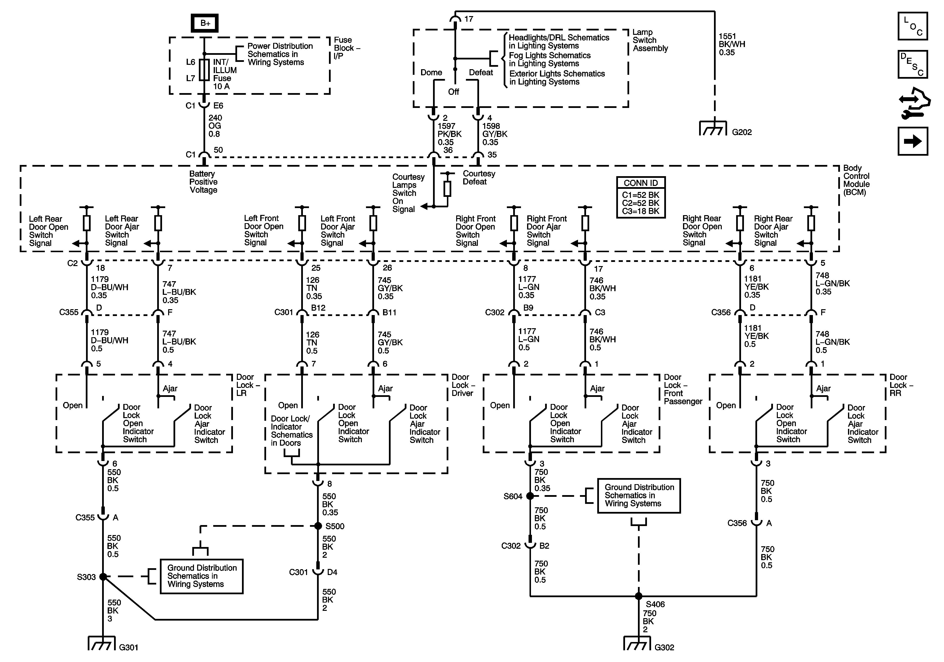
Interior Lighting Systems Description and Operation
Control Module References
Courtesy Lamps
Fuse Block - Underhood BATT MAIN 1 Fuse, Fuse Block - I/P PK LAMPS, DISPLAYS, CHMSL/BKUP, INT LIGHT, RFA/MOD, RADIO/AMP, ONSTAR/ALDL, HVAC, and CANISTER Fuses and PK LP Relay
Headlights/Daytime Running Lights (DRL) Schematics
Fog Lights Schematics
Park Lamps
G202
Switches
G301
G301
G302
G302