GM Service Manual Online
For 1990-2009 cars only
Makes
🢒
Generic
🢒
2006
🢒
Unit Repair
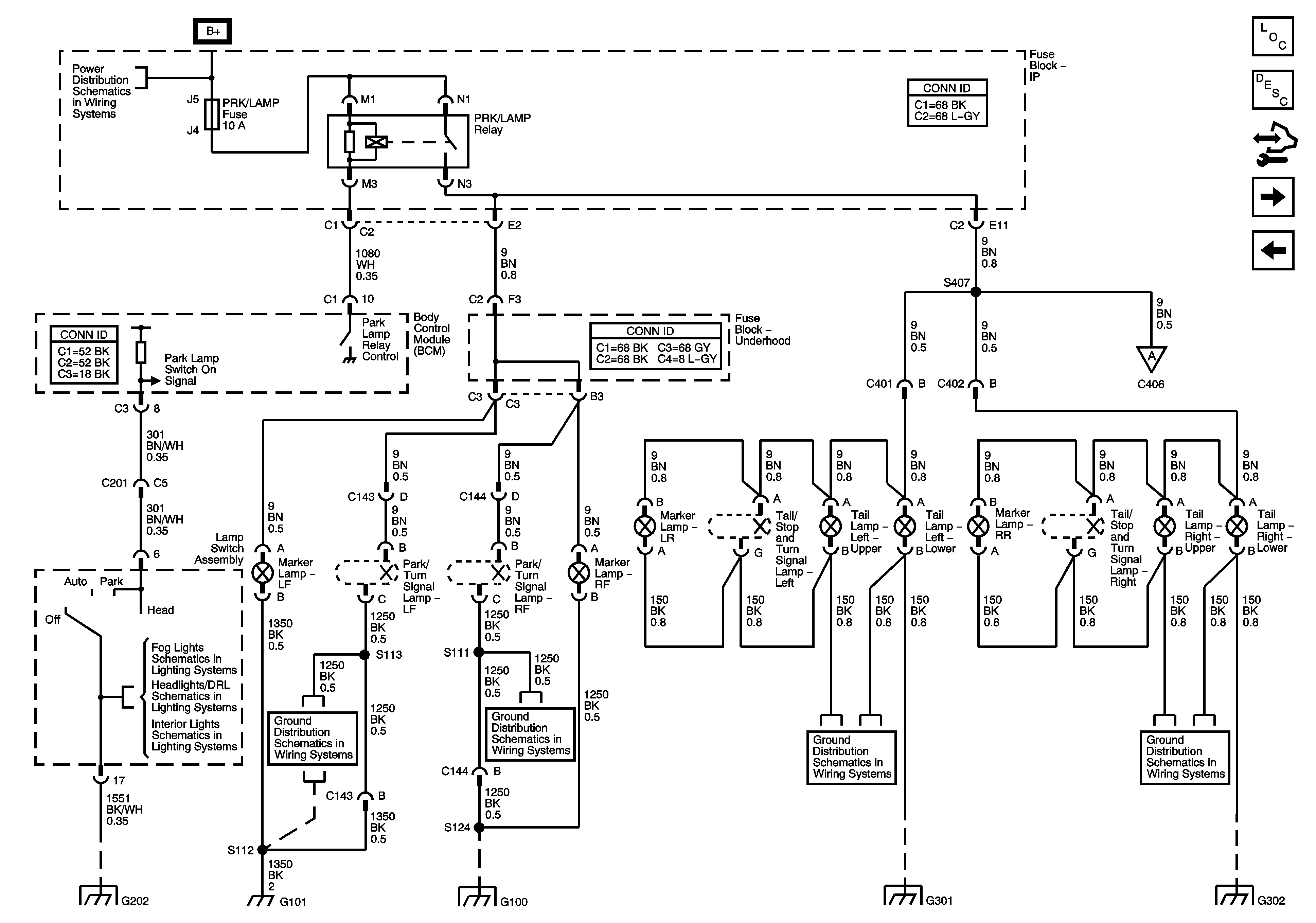
🢒 Park Lamps
Park Lamps
Park Lamps
Master Electrical Component List
Exterior Lighting Systems Description and Operation
Control Module References
Backup and License Lamps
Turn Signal, Hazard, and Stop Lamps Outputs
Fuse Block - Underhood BATT MAIN 1 Fuse, Fuse Block - I/P PK LAMPS, DISPLAYS, CHMSL/BKUP, INT LIGHT, RFA/MOD, RADIO/AMP, ONSTAR/ALDL, HVAC, and CANISTER Fuses and PK LP Relay
Backup and License Lamps
Fog Lights Schematics
Headlights/Daytime Running Lights (DRL) Schematics
Lamp Controls
G101, G102, G103, G111, G112, and G113
G100
G301
G302
G202
G101, G102, G103, G111, G112, and G113
G100
G301
G302