GM Service Manual Online
For 1990-2009 cars only
Makes
🢒
Generic
🢒
2006
🢒
Unit Repair
🢒 Headlamps
Headlamps
Headlamps
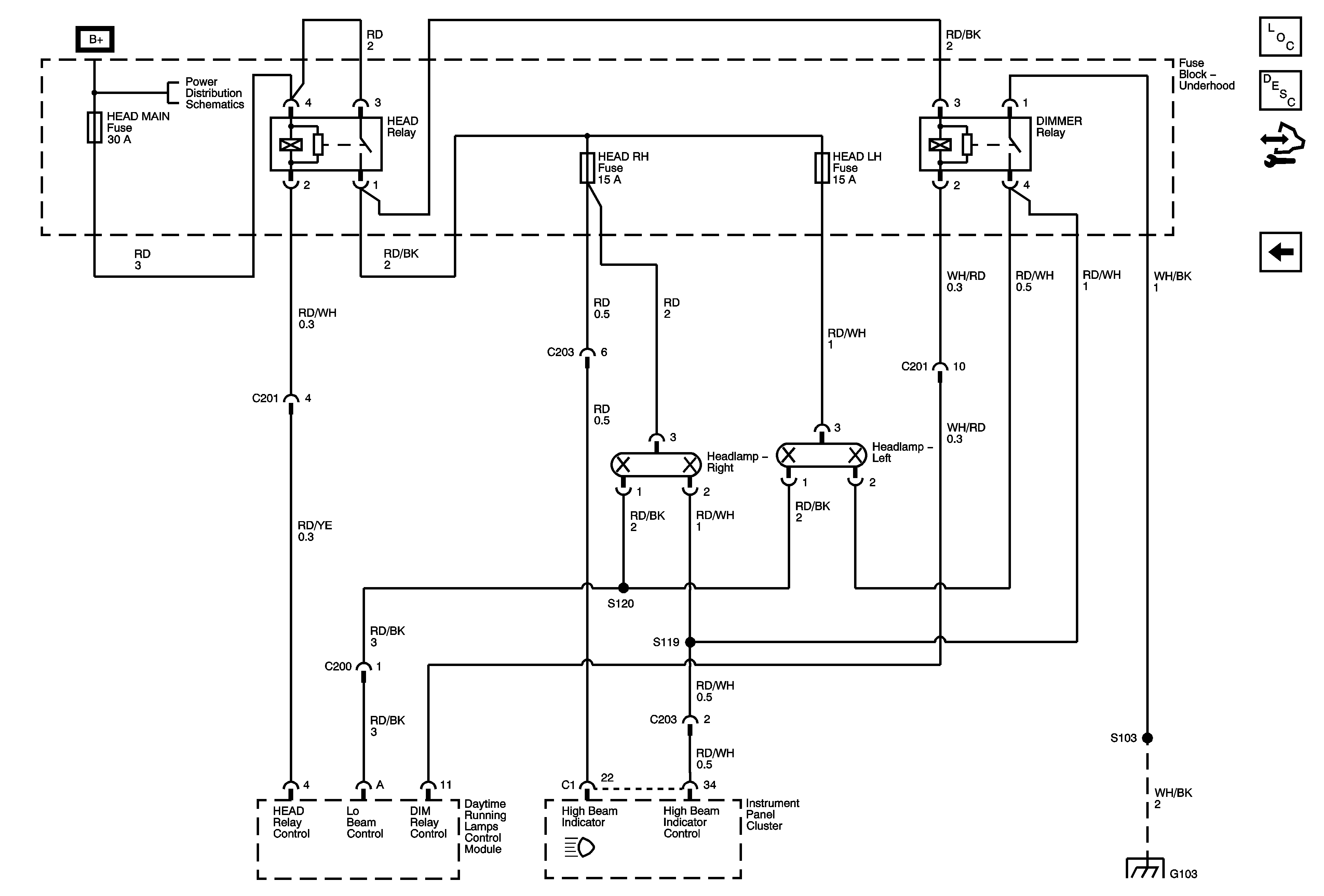
Master Electrical Component List
Exterior Lighting Systems Description and Operation
Control Module References
Turn Signal/Headlamp Switch
Air Pump, ETCS, Head, Alt S, EFI, EFI 2, Hazard Fuses
S103 and G103