GM Service Manual Online
For 1990-2009 cars only
Makes
🢒
Generic
🢒
2006
🢒
Unit Repair
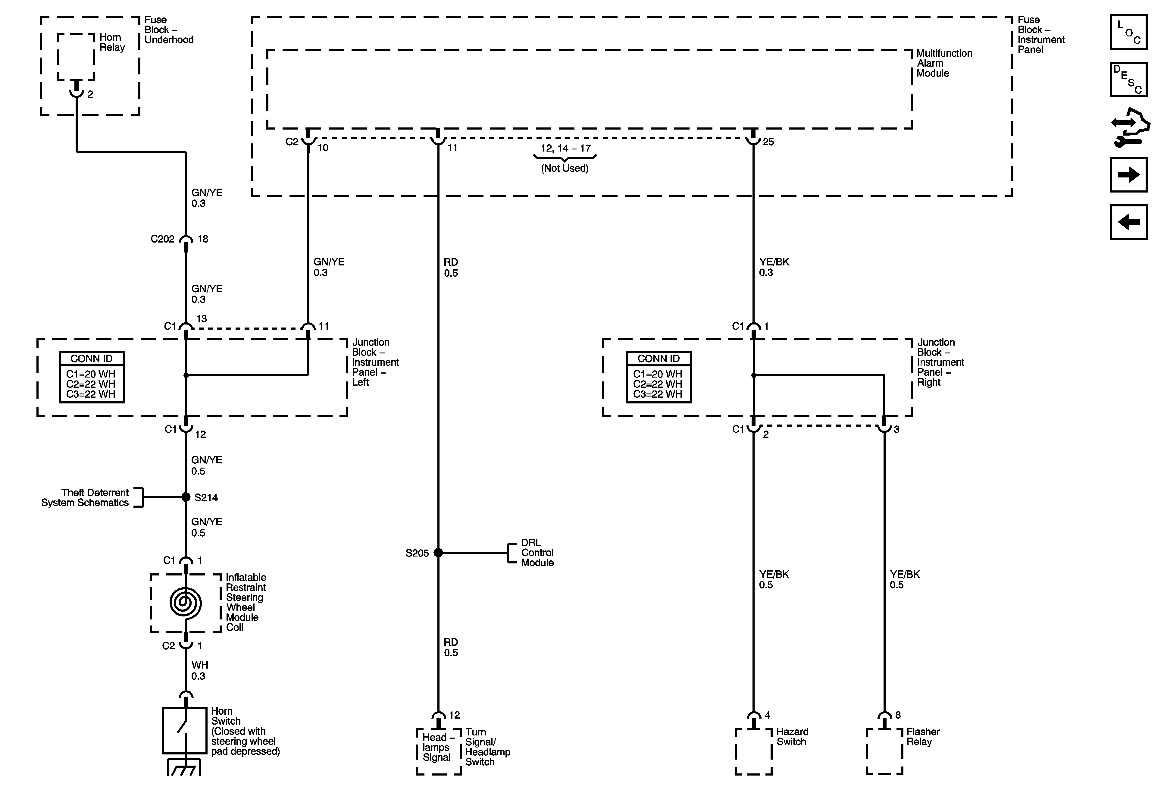
🢒 Multifunction Alarm Module, Horn, Hazard, Turn Signal/Headlamp Switch
Multifunction Alarm Module, Horn, Hazard, Turn Signal/Headlamp Switch
Multifunction Alarm Module, Horn, Hazard, Turn Signal/Headlamp Switches
Master Electrical Component List
Keyless Entry System Description and Operation
Control Module References
Multifunction Alarm Module, Courtesy Switches
Park/Neutral Position Switch, Brake Pressure Modulator Valve (BPMV), Multifunction Alarm Module
Door Lock Switches, Front Door Lock Actuators
Turn Signal/Headlamp Switch