GM Service Manual Online
For 1990-2009 cars only
Makes
🢒
Generic
🢒
2006
🢒
Unit Repair
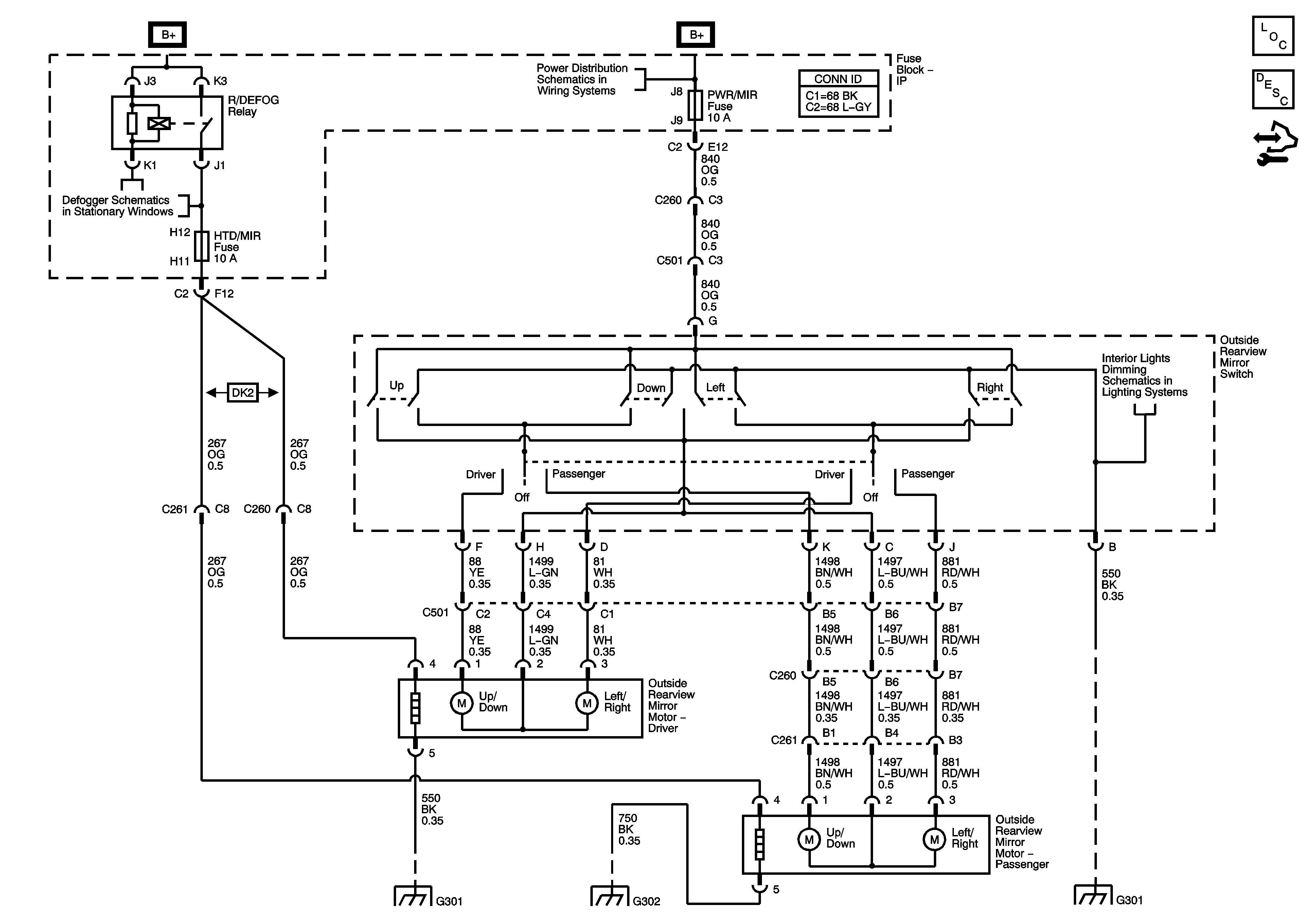
🢒 Outside Mirror Schematics
Outside Mirror Schematics
Master Electrical Component List
Outside Mirror Description and Operation
Control Module References
Fuse Block - Underhood BATT MAIN 2 Fuse, Fuse Block - I/P HTD SEAT, PWR MIRS, TURN/HAZ, DR LK/TRUNK, PRKSW, and SUN ROOF Fuses, PWR SEAT and PWR WDO Circuit Breakers, and RAP Relay
Defogger Schematics
I/P, Console, and Driver Door Lighting
G301
G302
G301