GM Service Manual Online
For 1990-2009 cars only
Makes
🢒
Generic
🢒
2006
🢒
Unit Repair
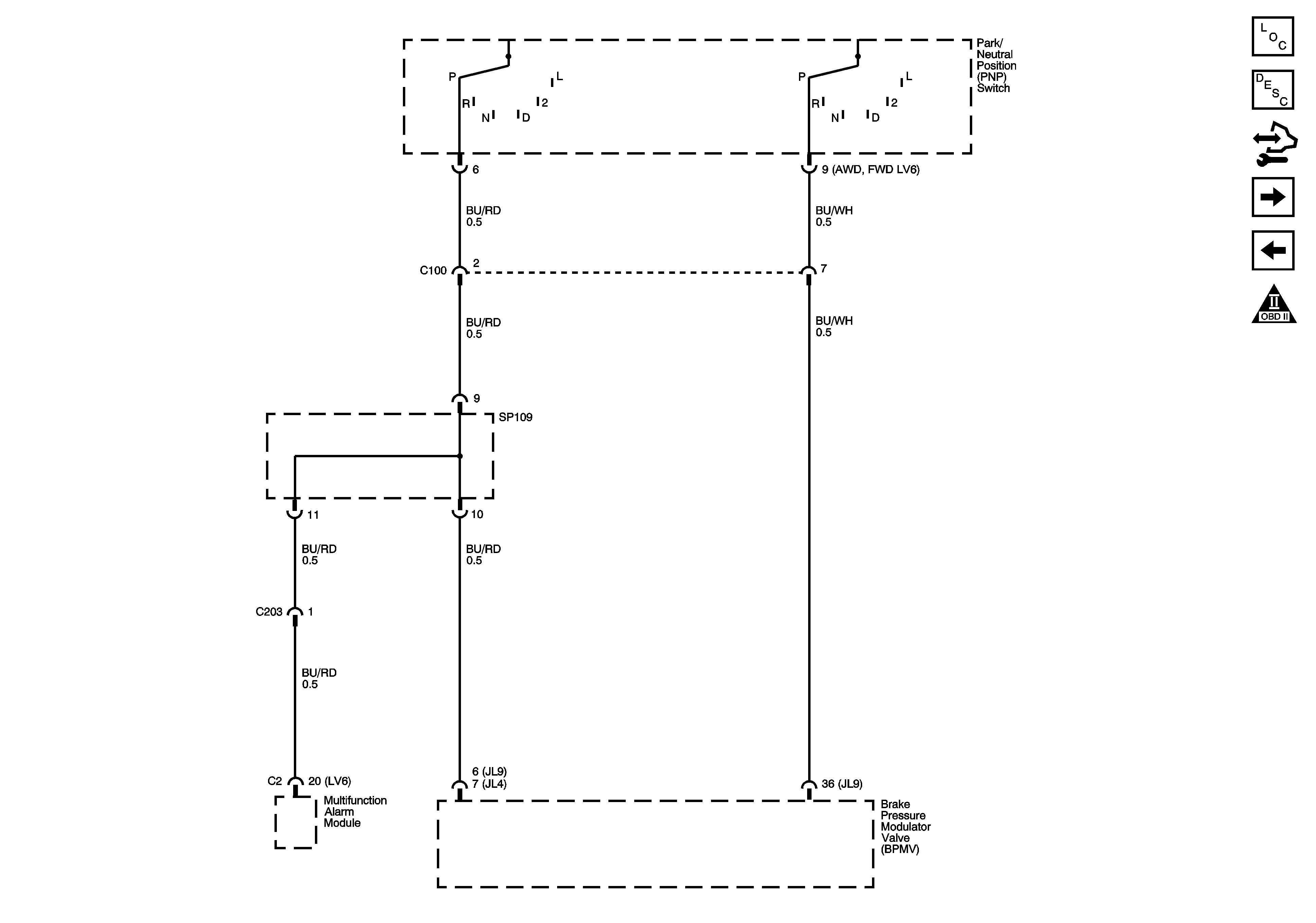
🢒 Park/Neutral Position Switch, Brake Pressure Modulator Valve (BPMV), Multifunction Alarm Module
Park/Neutral Position Switch, Brake Pressure Modulator Valve (BPMV), Multifunction Alarm Module
Park/Neutral Position Switch, Brake Pressure Modulator Valve (BPMV), Multifunction Alarm Module
Master Electrical Component List
Power Door Locks Description and Operation
Control Module References
Multifunction Alarm Module, Courtesy Switches
Door Lock Switches, Front Door Lock Actuators
OBD II Symbol Description Notice