GM Service Manual Online
For 1990-2009 cars only
Makes
🢒
Generic
🢒
2006
🢒
Unit Repair
🢒 Door Lock Switches, Front Door Lock Actuators
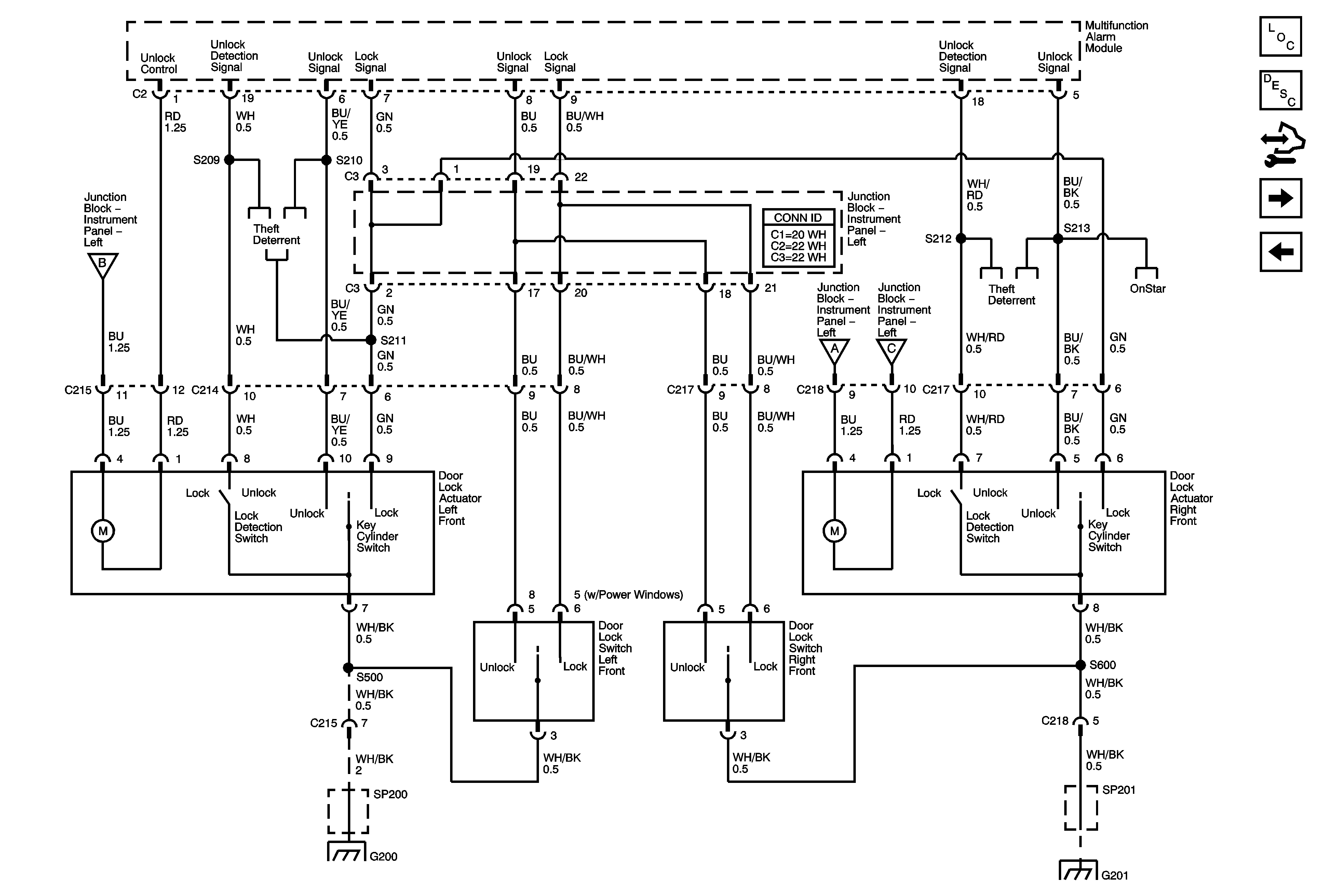
Door Lock Switches, Front Door Lock Actuators
Door Lock Switches and Front Door Lock Actuators
Master Electrical Component List
Power Door Locks Description and Operation
Control Module References
Park/Neutral Position Switch, Brake Pressure Modulator Valve (BPMV), Multifunction Alarm Module
Multifunction Alarm Module, Rear Door Lock, Glass Hatch and Tailgate Actuators
SP201 and G201
SP201 and G201
Multifunction Alarm Module, Rear Door Lock, Glass Hatch, Tailgate Actuators
Multifunction Alarm Module, Rear Door Lock, Glass Hatch, Tailgate Actuators
Vehicle Interface Unit (VIU)