GM Service Manual Online
For 1990-2009 cars only
Makes
🢒
Generic
🢒
2006
🢒
Unit Repair
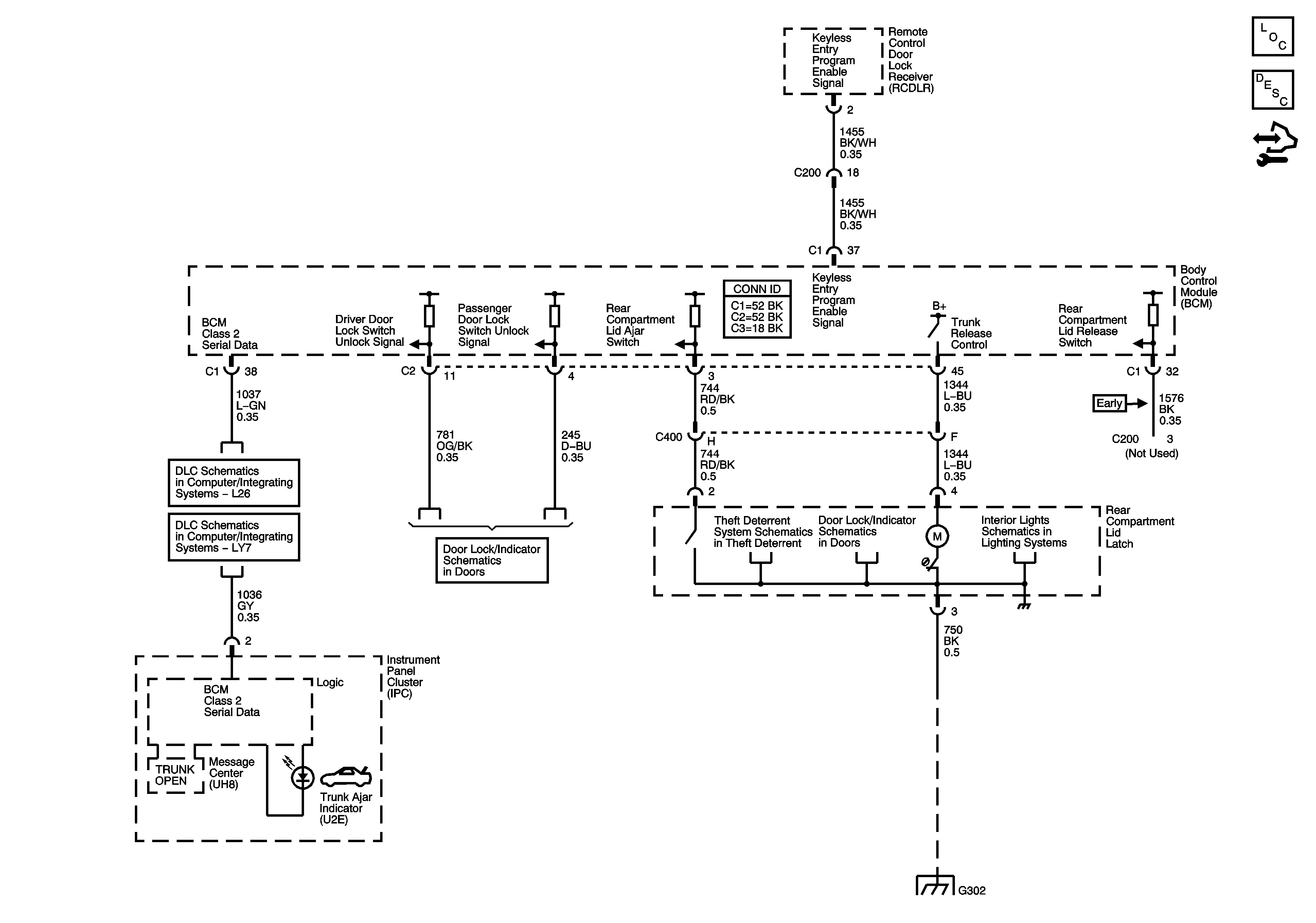
🢒 Body Rear End Schematics
Body Rear End Schematics
Master Electrical Component List
Luggage Compartment Description and Operation
Control Module References
L26
LY7
Switches
Content Theft Deterrent (CTD) System
Ajar Indicators
Courtesy Lamps
G302