GM Service Manual Online
For 1990-2009 cars only
Makes
🢒
Generic
🢒
2006
🢒
Unit Repair
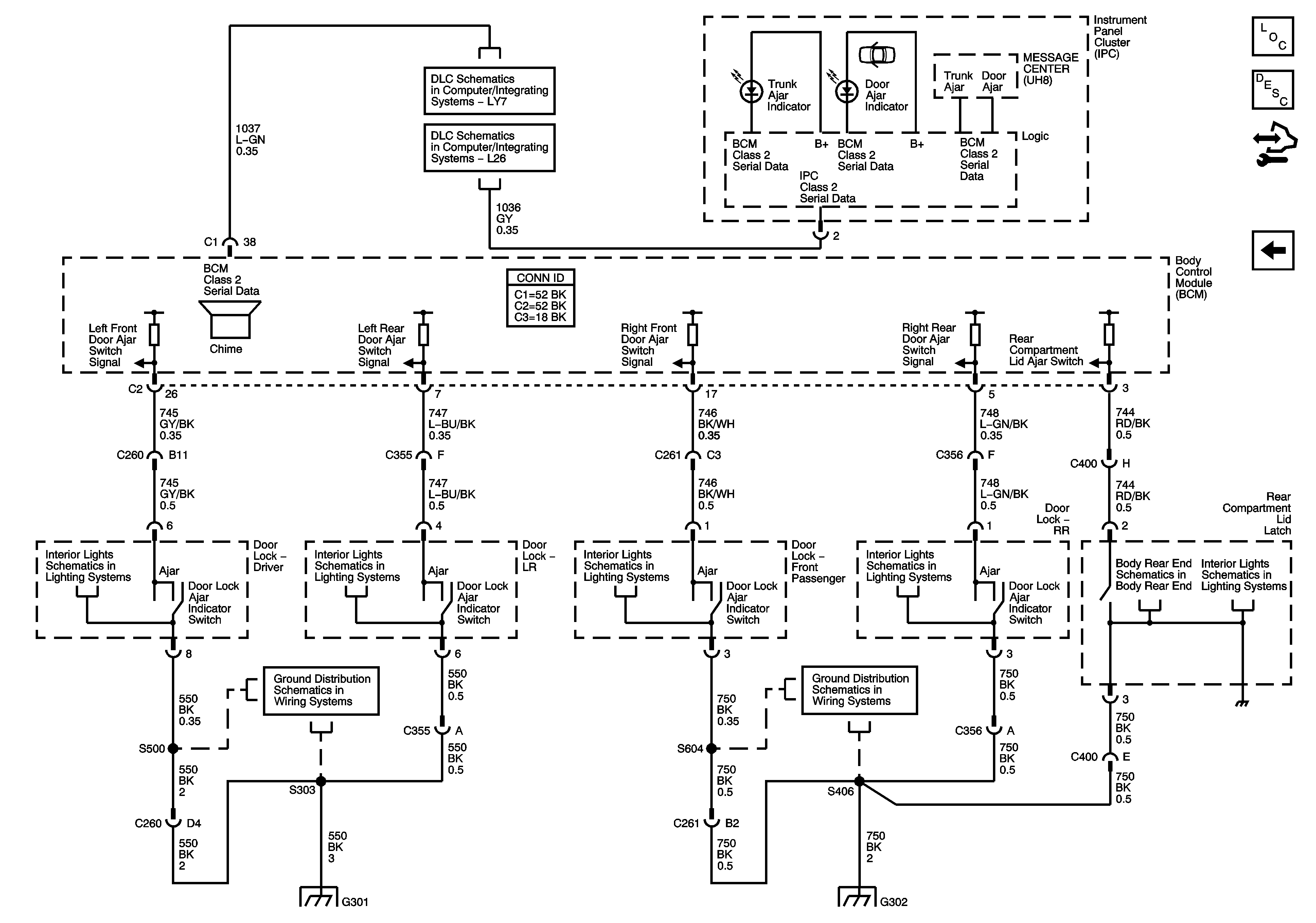
🢒 Ajar Indicators
Ajar Indicators
Ajar Indicators
Master Electrical Component List
Power Door Locks Description and Operation
Control Module References
Actuators
LY7
L26
Lamp Controls
Lamp Controls
Lamp Controls
Lamp Controls
Body Rear End Schematics
Courtesy Lamps
G301
G302
G301
G302