GM Service Manual Online
For 1990-2009 cars only
Makes
🢒
Generic
🢒
2006
🢒
Unit Repair
🢒 Courtesy Lamps
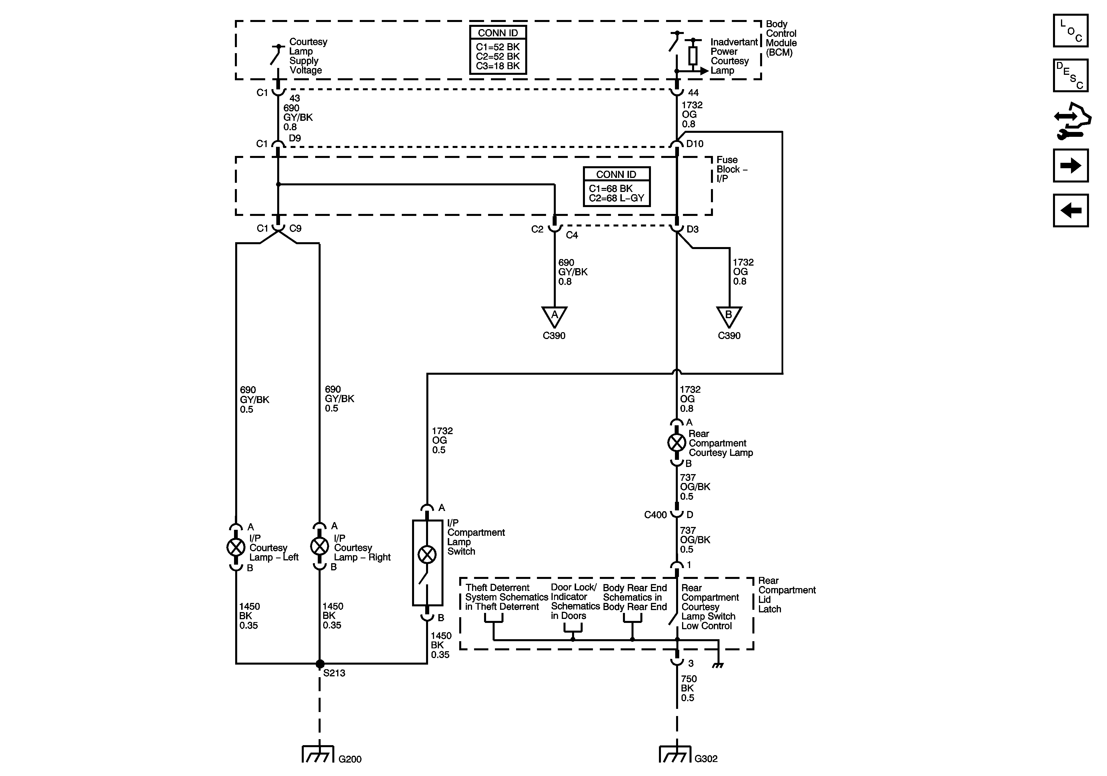
Courtesy Lamps
Courtesy Lamps
Master Electrical Component List
Interior Lighting Systems Description and Operation
Control Module References
Overhead Lighting
Lamp Controls
Overhead Lighting
Overhead Lighting
Content Theft Deterrent (CTD) System
Ajar Indicators
Body Rear End Schematics
G200
G302