GM Service Manual Online
For 1990-2009 cars only
Makes
🢒
HUMMER
🢒
2005
🢒
H2
🢒
Body
🢒
Wiring Systems
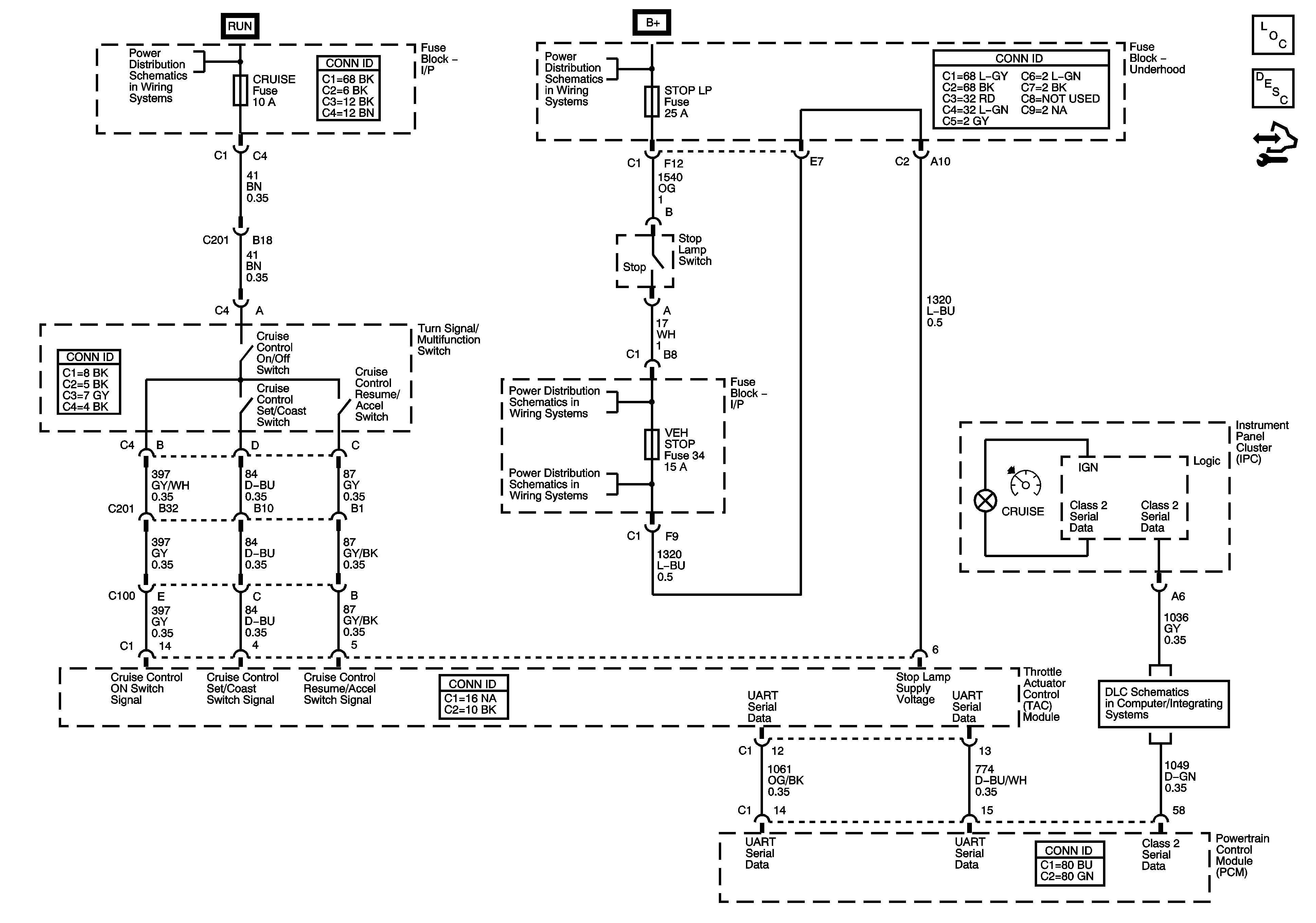
🢒 Cruise Control Schematics
Master Electrical Component List
Cruise Control Description and Operation
BRAKE, 4WD, CRUISE, HVAC 1, and IGN 3 Fuses
Stop Lamps
Power, BCM, PCM, Class 2, Stop Lamp Switch, Tow/Haul Switch, and Shift Solenoids
Power, Ground, DLC, and Splice Pack SP205