GM Service Manual Online
For 1990-2009 cars only
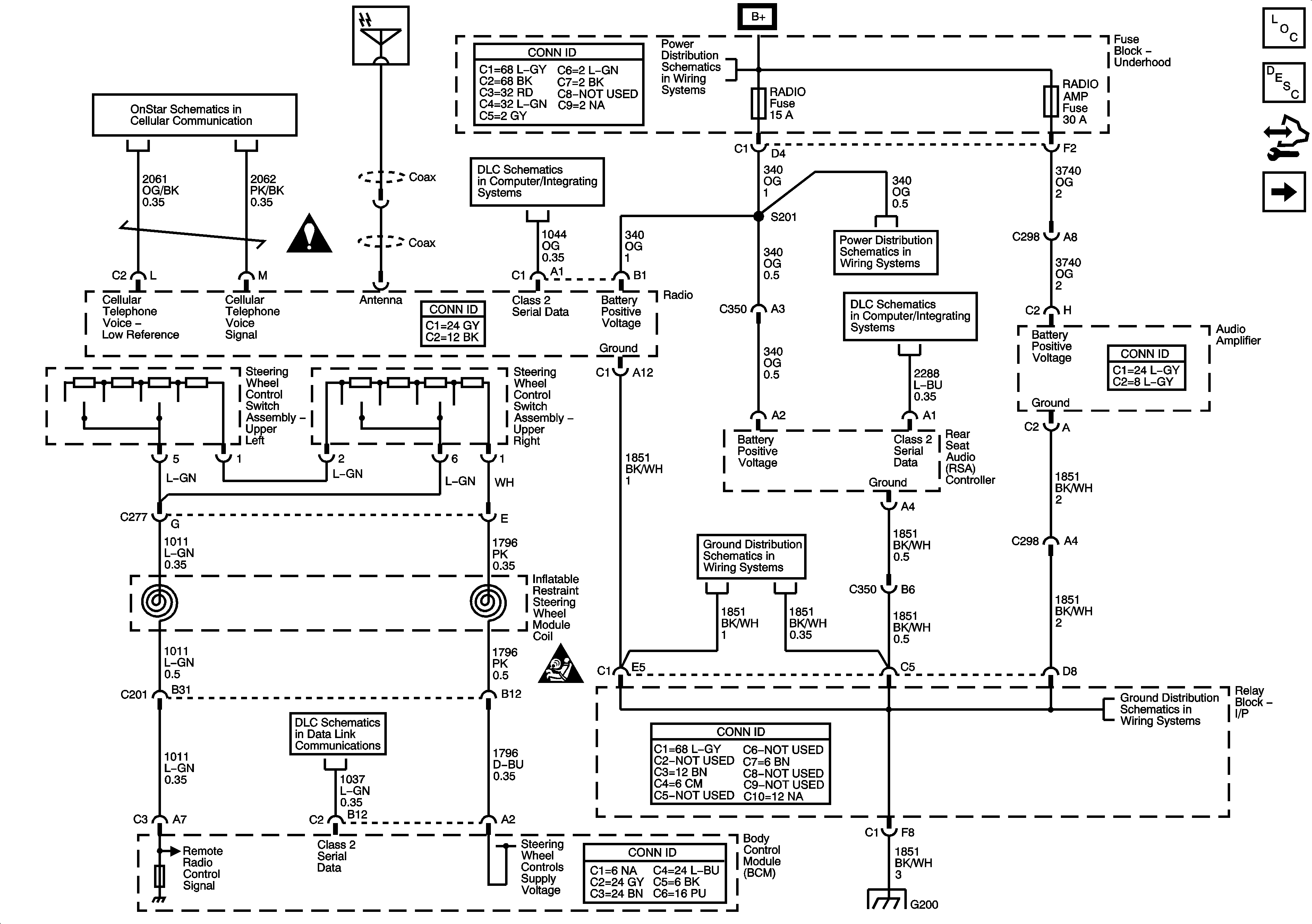
Figure 1:

Power, Ground, Serial Data, and Steering Wheel Controls


Object Number: 1507318  Size: FS
Master Electrical Component List
Radio/Audio System Description and Operation
Control Module References
Rear Seat Audio and Vehicle Speed Signal
Power, Ground, Data Link Connector and SP 205
AUX PWR, CIG LTR, RADIO, RADIO AMP and SUNROOF Fuses
Power, Ground, Data Link Connector and SP 205
G200
G200
G200
SIR Caution for Zoning
Power, Ground, Data Link Connector and SP 205
Figure 2:

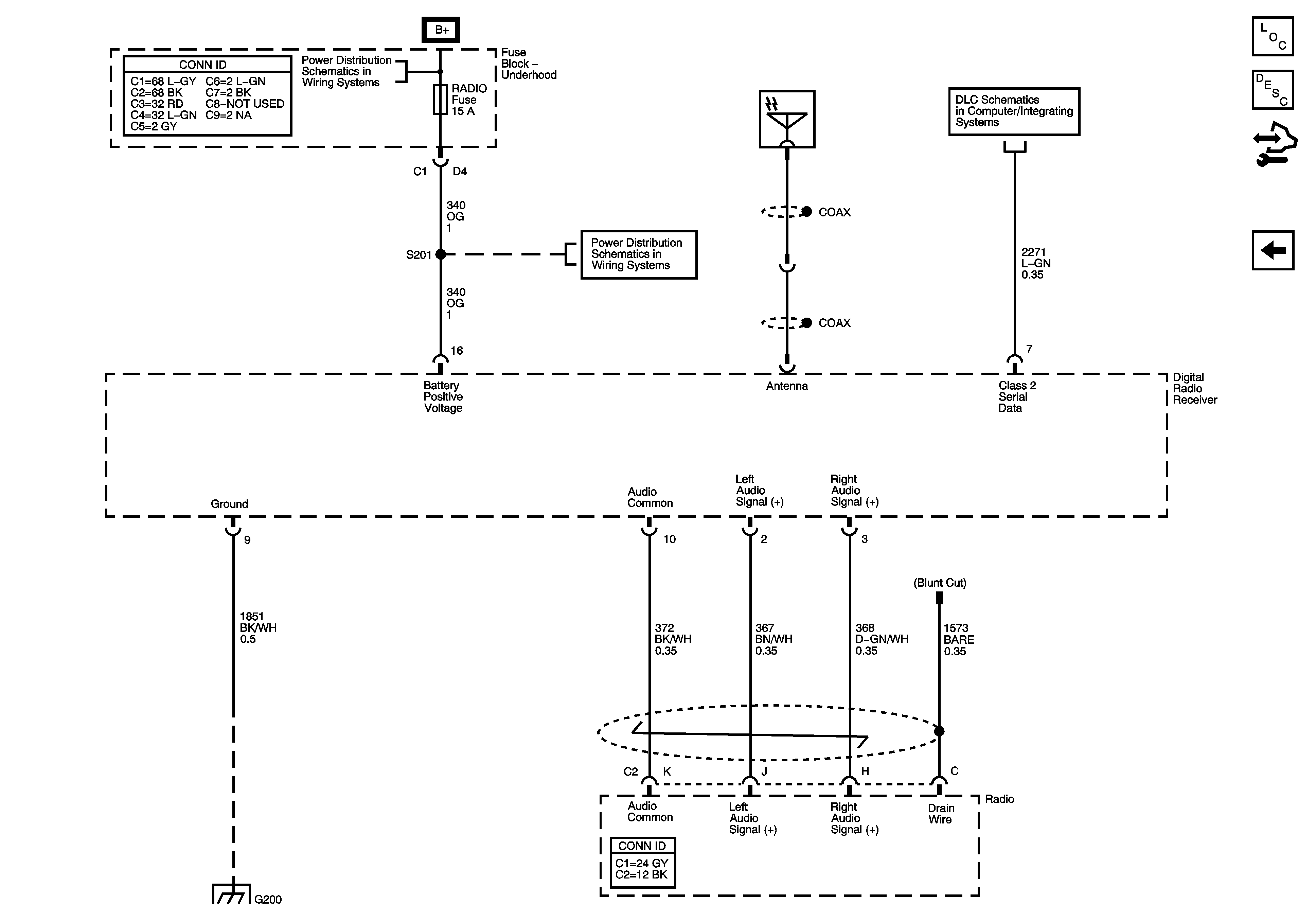
Radio Audio Outputs and VSS Input


Object Number: 1507319  Size: FS
Master Electrical Component List
Radio/Audio System Description and Operation
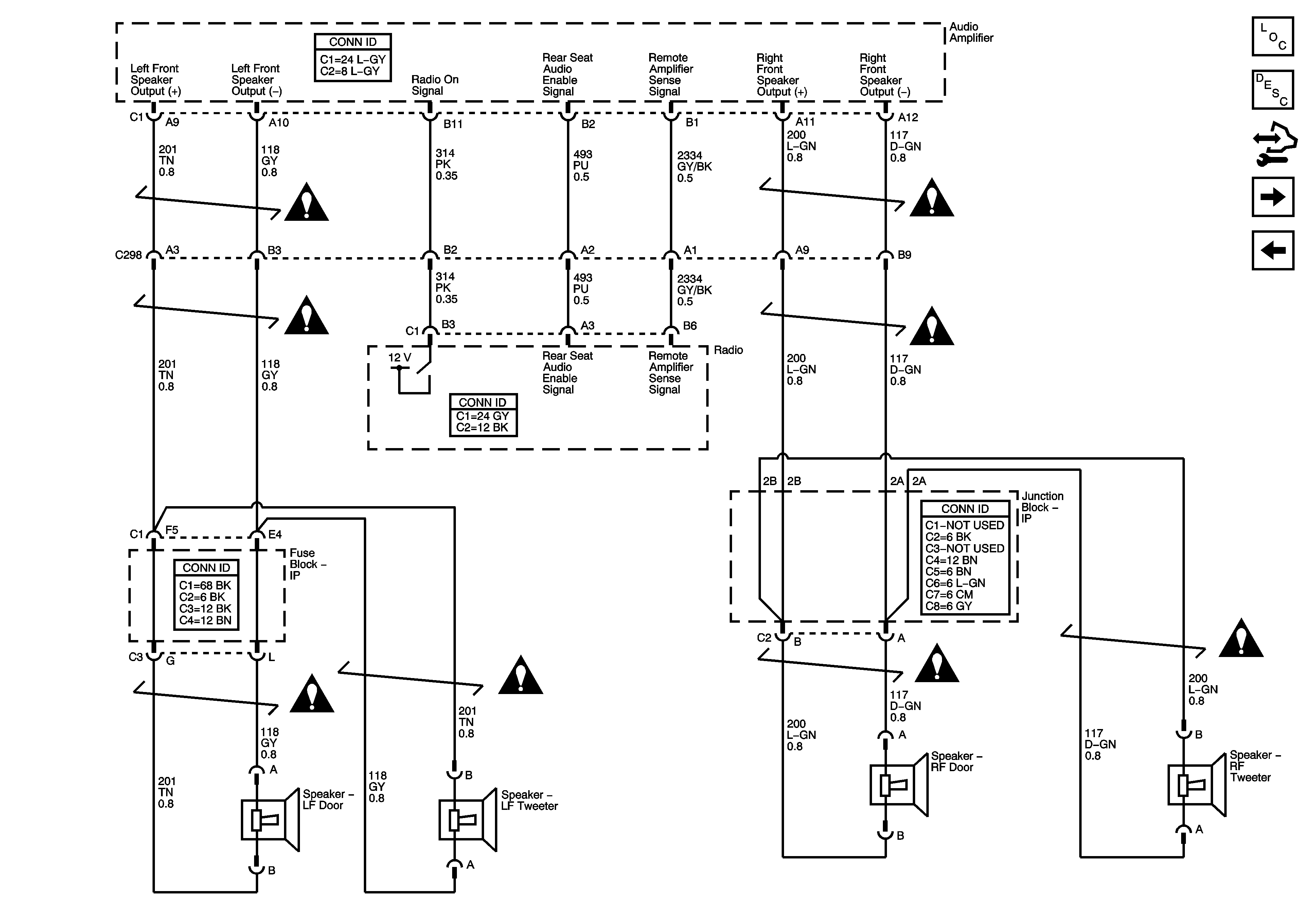
Front Speakers
Power, Ground, DLC, and Steering Wheel Controls
Entertainment Schematic Icons
Entertainment Schematic Icons
Entertainment Schematic Icons
Entertainment Schematic Icons
Entertainment Schematic Icons
Figure 3:

Front Speakers


Object Number: 1507320  Size: FS
Master Electrical Component List
Radio/Audio System Description and Operation
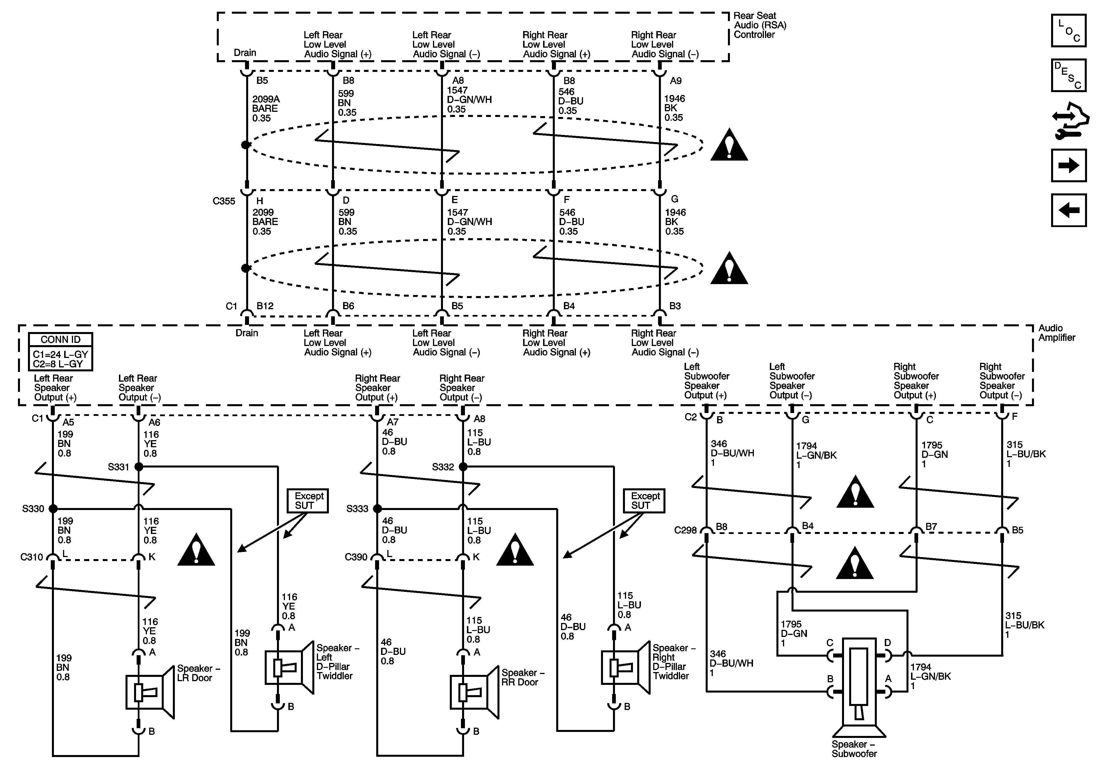
Rear Door Speakers and Subwoofer
Radio Audio Outputs and VSS Input
Entertainment Schematic Icons
Entertainment Schematic Icons
Entertainment Schematic Icons
Entertainment Schematic Icons
Entertainment Schematic Icons
Entertainment Schematic Icons
Entertainment Schematic Icons
Entertainment Schematic Icons
Figure 4:

Rear Door Speakers and Subwoofer


Object Number: 1507321  Size: FS
Master Electrical Component List
Radio/Audio System Description and Operation
Front Speakers
Entertainment Schematic Icons
Entertainment Schematic Icons
Entertainment Schematic Icons
Entertainment Schematic Icons
Figure 5:

Digital Radio Receiver (U2K)


Object Number: 1522393  Size: FS