GM Service Manual Online
For 1990-2009 cars only
Figure 1:

Interior Light Controls, BCM, and Door Ajar Switches


Object Number: 1522078  Size: FS
Master Electrical Component List
Interior Lighting Systems Description and Operation
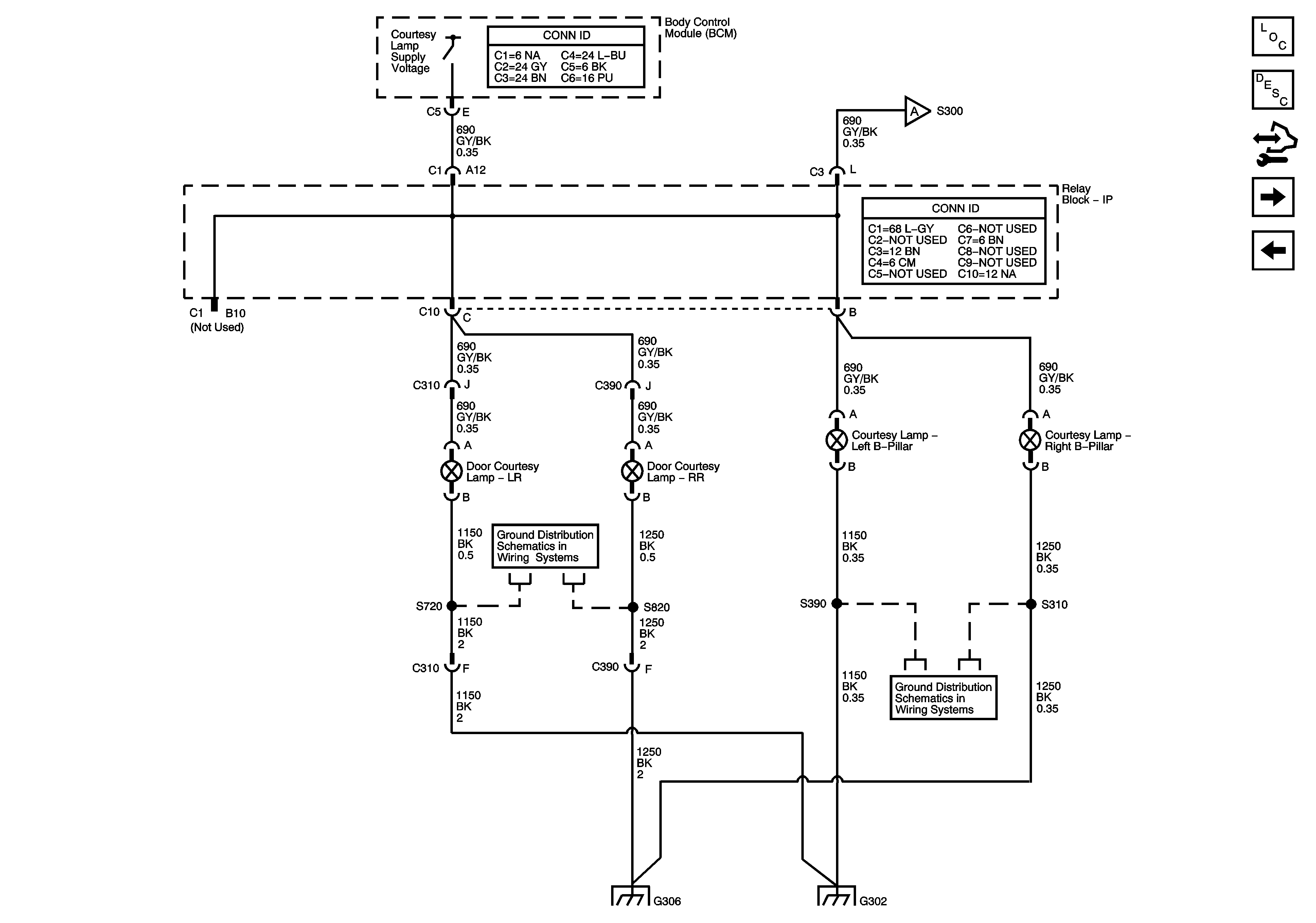
Courtesy Lamps - Footwells, Rear Doors, and B-Pillars
G200
Power, Ground, and Serial Data Circuits
Power, Ground, DLC, and Splice Pack SP205
Rear Wiper Controls and Washer Fluid Level Sensor
G402, G405, and G410
G302, G304, and G306
G302, G304, and G306
Content Theft Deterrent
Content Theft Deterrent
G200
Figure 2:

Courtesy Lamps - Rear Doors, and B-Pillars


Object Number: 1522081  Size: FS
Master Electrical Component List
Interior Lighting Systems Description and Operation
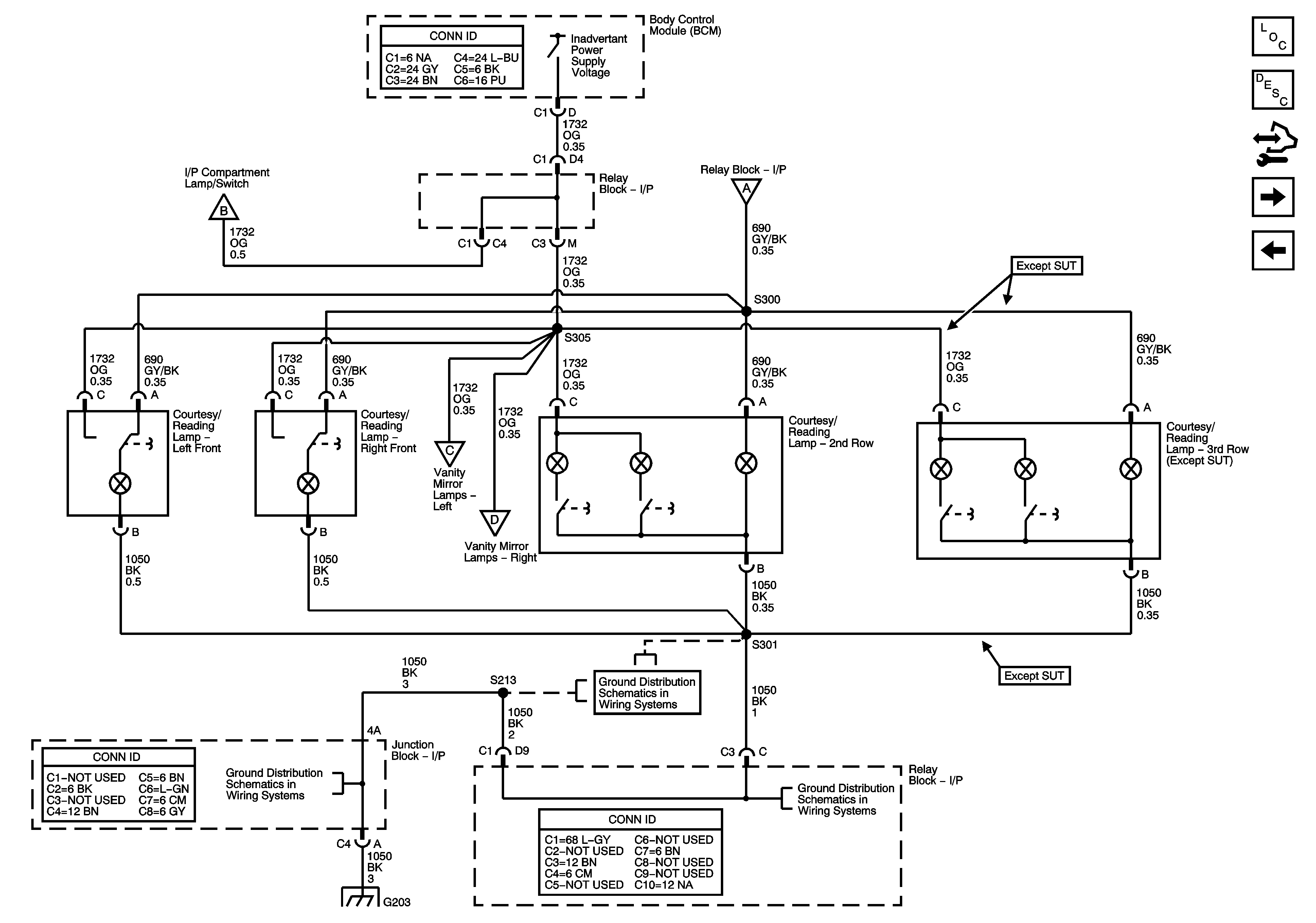
Courtesy Lamps - Headliner Front, Center, and Rear
Interior Lights Controls, BCM, Door Ajar Switches
Courtesy Lamps - Headliner Front, Center, and Rear
G302, G304, and G306
G302, G304, and G306
G302, G304, and G306
G302, G304, and G306
CKT 1050: G203, S302, S303, S351, and S215
CKT 1050: S301 and S213
CKT 1050: G203, S302, S303, S351, and S215
CKT 1050: G203, S302, S303, S351, and S215
Figure 3:

Courtesy Lamps - Headliner


Object Number: 1522082  Size: FS
Master Electrical Component List
Interior Lighting Systems Description and Operation
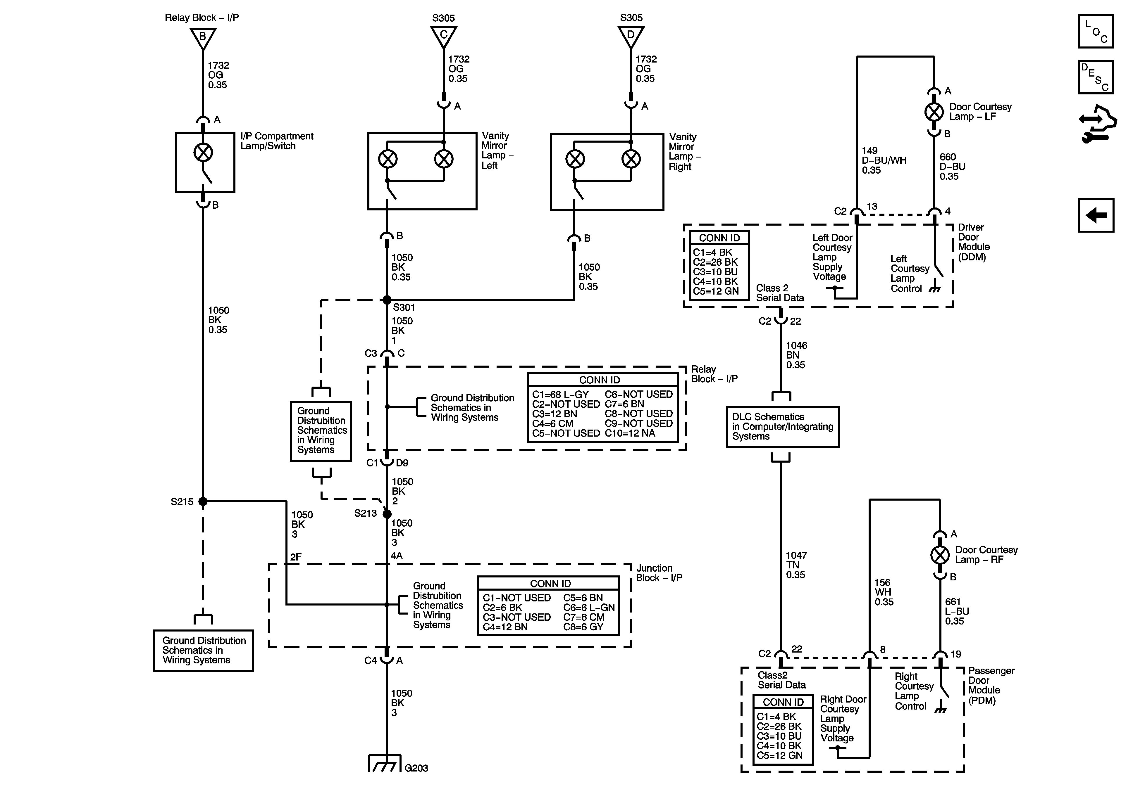
Courtesy Lamps - Front Doors, Vanity Mirror, and I/P Compartment
Courtesy Lamps - Footwells, Rear Doors, and B-Pillars
Courtesy Lamps - Front Doors, Vanity Mirror, and I/P Compartment
Courtesy Lamps - Front Doors, Vanity Mirror, and I/P Compartment
Courtesy Lamps - Footwells, Rear Doors, and B-Pillars
CKT 1050: S301 and S213
CKT 1050: S301 and S213
CKT 1050: G203, S302, S303, S351, and S215
CKT 1050: G203, S302, S303, S351, and S215
Figure 4:

Courtesy Lamps - Front Doors, Vanity Mirror, and I/P Compartment


Object Number: 1522083  Size: FS
Master Electrical Component List
Interior Lighting Systems Description and Operation
Courtesy Lamps - Headliner Front, Center, and Rear
Courtesy Lamps - Headliner Front, Center, and Rear
Courtesy Lamps - Headliner Front, Center, and Rear
Courtesy Lamps - Headliner Front, Center, and Rear
Power, Ground, DLC, and Splice Pack SP205
CKT 1050: S301 and S213
CKT 1050: G203, S302, S303, S351, and S215
CKT 1050: G203, S302, S303, S351, and S215
CKT 1050: S301 and S213
CKT 1050: G203, S302, S303, S351, and S215